电脑桌面
添加小米粒文库到电脑桌面
安装后可以在桌面快捷访问

建筑工程允许偏差范围VIP专享VIP免费

建筑工程允许偏差范围_第1页
1/9
建筑工程允许偏差范围_第2页
2/9
建筑工程允许偏差范围_第3页
3/9
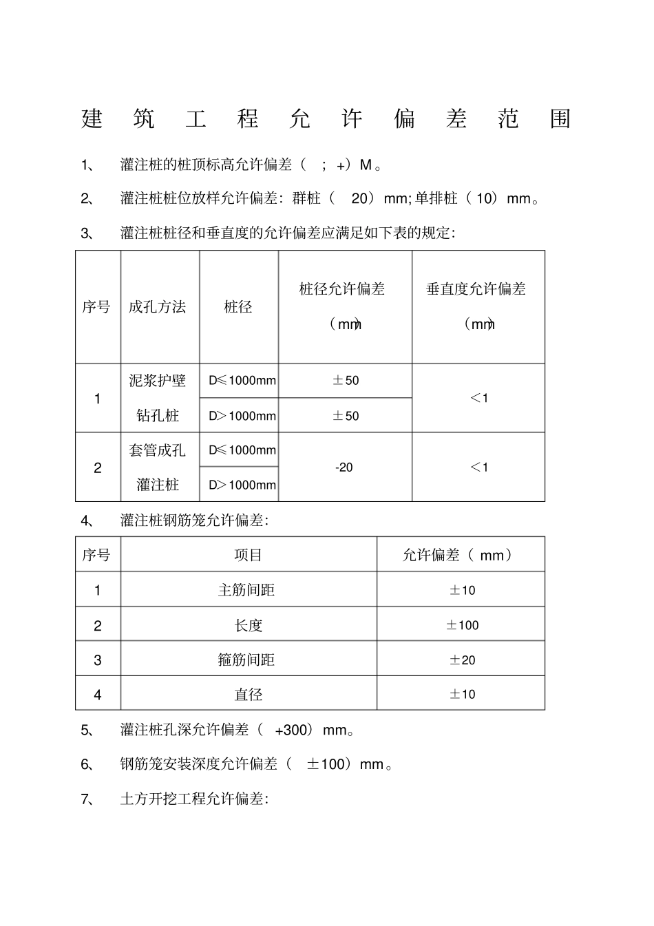
建筑工程允许偏差范围1、灌注桩的桩顶标高允许偏差(;+)M 。2、灌注桩桩位放样允许偏差:群桩(20)mm; 单排桩( 10)mm。3、灌注桩桩径和垂直度的允许偏差应满足如下表的规定:4、灌注桩钢筋笼允许偏差:序号项目允许偏差( mm)1 主筋间距±102 长度±1003 箍筋间距±204 直径±105、灌注桩孔深允许偏差(+300)mm。6、钢筋笼安装深度允许偏差(±100)mm。7、土方开挖工程允许偏差:序号成孔方法桩径桩径允许偏差(mm)垂直度允许偏差(mm)1 泥浆护壁钻孔桩D≤1000mm ±50 <1 D>1000mm ±50 2 套管成孔灌注桩D≤1000mm -20 <1 D>1000mm 8、土方回填允许偏差:9、砖砌体轴线位置偏移允许偏差 (10)mm。轴线位移偏差检查数量为 (全部承重墙 )。10、砖砌体垂直度允许偏差全高大于10M 的( 20)mm; 全高小于等于10M 的(10)mm。垂直度检查数量为外墙不少于(四)处全高( 阳角),每层每(20)米差一处;内墙按照有代表性的自然间抽查 (10%),但不应少于( 3)间,每间不应少于(2)处,柱不少于( 5)根。11、 砖砌体的一般尺寸允许偏差以及检查数量:序号项目允许偏差( mm)柱基基坑基槽挖方场地平整管沟地(路)面基层人工机械1 标高-50 ±30 ±50 -50 -50 2 长度+200 +300 +500 +100 —宽度-50-100-1503 表面平整度20 20 50 20 20 序号项目允许偏差( mm)柱基基坑基槽挖方场地平整管沟地(路)面基层人工机械1 标高-50 ±30 ±50 -50 -50 2 表面平整度20 20 30 20 20 序号项目允许偏差( mm)检查数量1 基础顶面和楼面标高±15 不应少于( 5)处2 表面平整度清水墙、柱5 有代表性的自然间抽查( 10)%,但不应少于( 3)间,每间不应少于(2)处混水墙、柱8 3 门窗洞口高、宽±5检验批洞口的(10)%,且不少于(5)处4 外墙上下窗口偏移20 检验批洞口的(10)%,且不少于(5)处5 水平灰缝平直度清水墙、柱7 同表面平整度混水墙、柱10 6 清水墙游丁走缝20 同表面平整度12、 构造柱尺寸允许偏差:序号项目允许偏差( mm)1 柱中心线位置10 2 柱层间错位8 3 柱垂直度每层10 全高≤10M 15 >10M 20 13、 填充墙砌体一般尺寸允许偏差:序号项目允许偏差( mm)1 轴线位移10 垂直度小于或等于 3M 5 大于 3M 10 2 表面平整度8 3 门窗洞口高、宽±54 外墙上、下窗口偏移20 14、 模板安装预埋件和预留孔洞的允许偏差:序号...

1、当您付费下载文档后,您只拥有了使用权限,并不意味着购买了版权,文档只能用于自身使用,不得用于其他商业用途(如 [转卖]进行直接盈利或[编辑后售卖]进行间接盈利)。
2、本站所有内容均由合作方或网友上传,本站不对文档的完整性、权威性及其观点立场正确性做任何保证或承诺!文档内容仅供研究参考,付费前请自行鉴别。
3、如文档内容存在违规,或者侵犯商业秘密、侵犯著作权等,请点击“违规举报”。

碎片内容

建筑工程允许偏差范围

确认删除?
VIP
微信客服
  • 扫码咨询
会员Q群
  • 会员专属群点击这里加入QQ群
客服邮箱
回到顶部