车间内常见有害物质的最高允许浓度标准常见有害物质在车间空气中的最高允许浓度如下:(一)有毒物质:最高允许浓度,mg/m31)一氧化碳 302...
附录 A 常用电力电缆旳最高容许温度常用电力电缆旳最高容许温度 表A.0.1电缆类型 电压(k V)最高容许温度(℃)额定负荷时短路时粘性浸...
一 、 灌 注 桩 成 孔 施 工 的 允 许 偏 差灌 注 桩 成 孔 施 工 的 允 许 偏 差 见 表 7-1 。表 7-1 灌 ...
一、 钢筋工程项目允许偏差(mm)绑扎钢筋网长、宽±10网眼尺寸±20绑扎钢筋骨架长±10宽、高±5受力钢筋间距±10排距±5保护层厚度基础±1...
一般抹灰的允许偏差和检验方法项次项目允许偏差检验方法普通抹灰高级抹灰1立面垂直度43用 2 m 垂直检测尺检查2表面平整度43用 2 m 靠...
装饰装修工程过程检验内容检验依据《建筑装饰装修工程质量验收法律规范》GB502101,一般抹灰(石膏底层)一般抹灰分为普通抹灰和高级抹灰,当...
模板安装允许偏差和检验方法施工执行标准名称及编号《 建 筑 结 构 长 城 杯 工 程 质 量 评 审 标 准 》D B 1 1 / T...
表 4 爆破振动安全允许标准序号保护对象类别安全允许振速 v(cm/s)f≤10Hz10 Hz〈f≤50Hzf>50Hz1土窑洞、土坯房、毛石房屋0。15~0。4...
一 、 灌 注 桩 成 孔 施 工 的 允 许 偏 差灌 注 桩 成 孔 施 工 的 允 许 偏 差 见 表 7—1.表 7—1灌 注...
水泥比对试验允许误差表试验项目同一试验室不大于不同试验室不大于误差类别水泥密度±0。02g/cm³±0。02g/cm³绝对误差水泥比表面积±3。0...
表 1 试验允许误差表同一试验室不大于不同试验室不大于误差类别水泥密度±0.02 g/cm3±0。02 g/cm3绝对误差水泥比表面积±3.0%±5.0%...
表 4.2。7 现浇结构模板安装的允许偏差及检验方法 项 目允许偏差(mm) 检验方法 轴线位置 5 钢尺检查 底模上表面标高 ±5水准仪...
施工质量标准要求混凝土结构工程现浇混凝土结构模板安装质量允许偏差及检查方法项目允许偏差值(mm)检查方法国家法律规范标准结构海河杯标...
一、 钢筋工程项目允许偏差(mm)绑扎钢筋网长、宽±10网眼尺寸±20绑扎钢筋骨架长±10宽、高±5受力钢筋间距±10排距±5保护层厚度基础±1...
一、 钢筋工程项目允许偏差(mm)绑扎钢筋网长、宽±10网眼尺寸±20绑扎钢筋骨架长±10宽、高±5受力钢筋间距±10排距±5保护层厚度基础±...
建筑工程允许偏差范围1、灌注桩的桩顶标高允许偏差(-0.5;+0。3)M.2、灌注桩桩位放样允许偏差:群桩(20)mm;单排桩(10)mm.3、灌注桩桩...
实测实量、结构检测砼构件截面尺寸(-5mm,+8mm)楼板厚度(-5mm,+8mm)墙柱表面平整度(0mm,+8mm)墙柱表面垂直度(0mm,+8mm)顶棚表...
常用测量设备最大允许误差表目录一。常用长度类测量设备最大允许误差表1. 游标类 2.微分类 3.表类 3。1 表类测量设备最大允许误差值的...
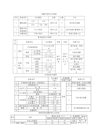
沟槽开挖的允许偏差序号检查项目允许偏差范围点数方法1槽底高程土方±20两井之间3用水准仪测量石方+20、-2002槽底中线每侧宽度不小于规定两...
混凝土结构工程混凝土结构允许偏差(mm)截面尺寸【—5,8】表面平整度【0,8】垂直度【0,8】顶板水平度极差【0,15】楼板厚度偏差【-5,8】...

