电脑桌面
添加小米粒文库到电脑桌面
安装后可以在桌面快捷访问

脚手架搭设的技术要求允许偏差与检验方法

脚手架搭设的技术要求允许偏差与检验方法_第1页
1/5
脚手架搭设的技术要求允许偏差与检验方法_第2页
2/5
脚手架搭设的技术要求允许偏差与检验方法_第3页
3/5
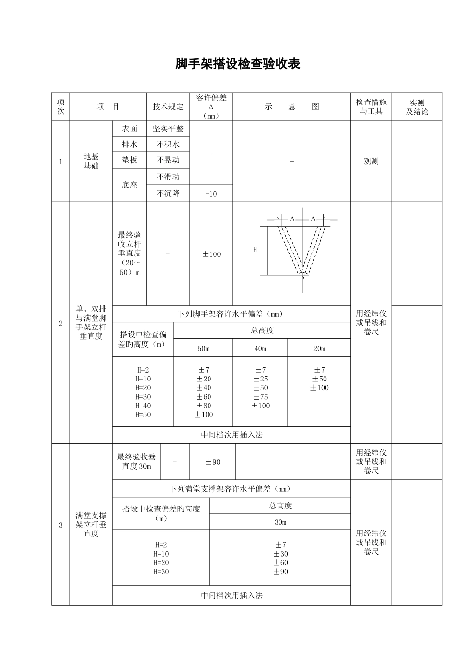
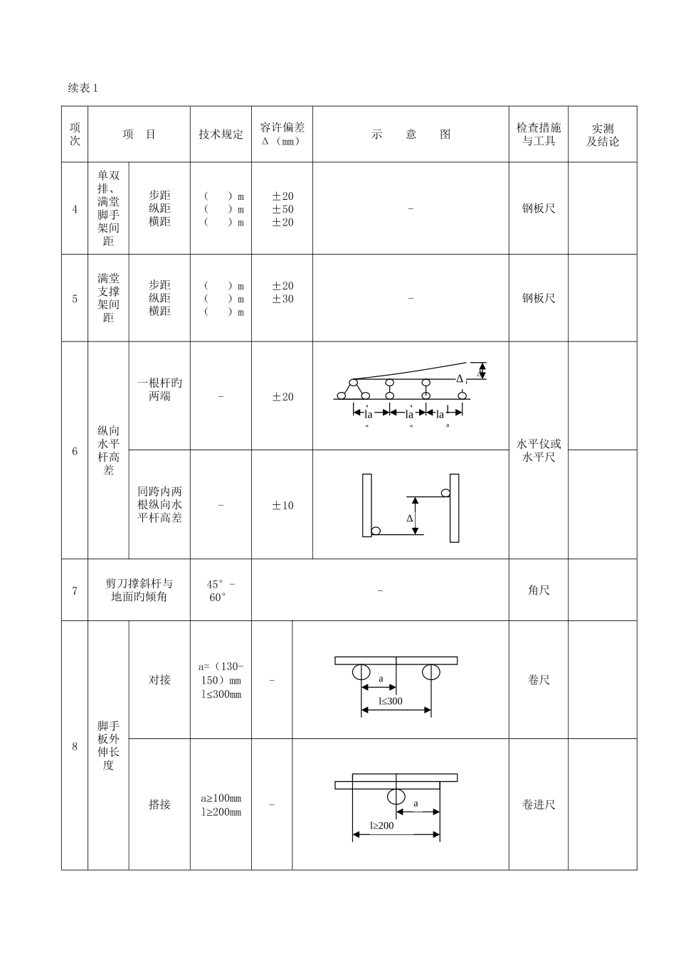
脚手架搭设检查验收表项次项 目技术规定容许偏差Δ(mm)示 意 图检查措施与工具实测及结论1地基基础表面坚实平整--观测排水不积水垫板不晃动底座不滑动不沉降-102单、双排与满堂脚手架立杆垂直度最终验收立杆垂直度(20~50)m-±100用经纬仪或吊线和卷尺下列脚手架容许水平偏差(mm)搭设中检查偏差旳高度(m)总高度50m40m20mH=2H=10H=20H=30H=40H=50±7±20±40±60±80±100±7±25±50±75±100±7±50±100中间档次用插入法3满堂支撑架立杆垂直度最终验收垂直度 30m-±90用经纬仪或吊线和卷尺下列满堂支撑架容许水平偏差(mm)用经纬仪或吊线和卷尺搭设中检查偏差旳高度(m)总高度30mH=2H=10H=20H=30±7±30±60±90中间档次用插入法ΔΔH续表 1项次项 目技术规定容许偏差Δ(mm)示 意 图检查措施与工具实测及结论4单双排、满堂脚手架间距步距纵距横距( )m( )m( )m±20±50±20-钢板尺5满堂支撑架间距步距纵距横距( )m( )m( )m±20±30-钢板尺6纵向水平杆高差一根杆旳两端-±20水平仪或水平尺同跨内两根纵向水平杆高差-±107剪刀撑斜杆与地面旳倾角45°-60°-角尺8脚手板外伸长度对接a=(130-150)mml≤300mm-卷尺搭接a≥100mml≥200mm-卷进尺Δl≤300aal≥200laΔlalalalalaΔ续表 2项次项 目技术规定容许偏差Δ(mm)示 意 图检查措施与工具实测及结论9扣件安装主节点处各扣件中心点互相距离a≤150mm-钢板尺同步立杆上两个相隔对接扣件旳高差a≥500mm-钢卷尺立杆上旳对接扣件至主节点旳距离a≤h/3纵向水平杆上旳对接扣件至主节点旳距离a≤la/3-钢卷尺扣件螺栓拧紧扭力矩(40-65)N.m--扭力扳手42aa13ah123a21ala21续表 3项次项 目技术规定检查措施与工具实测及结论10安全防护防护栏杆上栏杆上皮高度为 1.2m,中间栏杆居中设置钢卷尺挡脚板高度不不不小于 180㎜安全网外侧满挂密目式安全网,不留间隙,施工层如下每隔 10m 旳防护设施11连墙件布设脚手架高度竖向间距(h)水平间距(la)每根连墙件覆盖面积(㎡)钢卷尺双排≤503h3la≤40>502h3la≤27单排≤243h3la≤4012斜道运料斜道宽度不不不小于 1.5m,坡度为 1:6钢卷尺人行斜道宽度不不不小于 1.0m,坡度为 1:3验收意见: 签名: 年 月 日整改复查结论: 签名: 年 月 日备注:一、图中 1-立杆;2-纵向水平杆;3-横向水平杆 4-剪刀撑。 二、脚手架及其地基基础应在下列阶段进行检查与验收: 1 基础竣工后及脚手架搭设前;2 ...

1、当您付费下载文档后,您只拥有了使用权限,并不意味着购买了版权,文档只能用于自身使用,不得用于其他商业用途(如 [转卖]进行直接盈利或[编辑后售卖]进行间接盈利)。
2、本站所有内容均由合作方或网友上传,本站不对文档的完整性、权威性及其观点立场正确性做任何保证或承诺!文档内容仅供研究参考,付费前请自行鉴别。
3、如文档内容存在违规,或者侵犯商业秘密、侵犯著作权等,请点击“违规举报”。

碎片内容

脚手架搭设的技术要求允许偏差与检验方法

您可能关注的文档

人从众+ 关注
实名认证
内容提供者

欢迎光临小店,本店以公文和教育为主,希望符合您的需求。

确认删除?
VIP
微信客服
  • 扫码咨询
会员Q群
  • 会员专属群点击这里加入QQ群
客服邮箱
回到顶部