电脑桌面
添加小米粒文库到电脑桌面
安装后可以在桌面快捷访问

规范允许偏差一览表VIP专享

规范允许偏差一览表_第1页
1/21
规范允许偏差一览表_第2页
2/21
规范允许偏差一览表_第3页
3/21
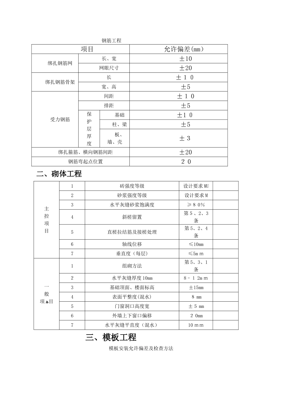
钢筋工程项目允许偏差(mm)绑扎钢筋网长、宽±10网眼尺寸±20绑扎钢筋骨架长±10宽、高±5受力钢筋间距±1 0排距±5保护层厚度基础±1 0柱、梁±5板、墙、壳±3绑扎箍筋、横向钢筋间距±20钢筋弯起点位置2 0 二、砌体工程主控项目1砖强度等级设计要求 MU 2砂浆强度等级设计要求 M 3水平灰缝砂浆饱满度≥8 0% 4斜槎留置第5、2、3条 5直槎拉结筋及接槎处理第 5、2、4条 6轴线位移≤10mm 7垂直度(每层)≤5m m 一般项ﻫ目1组砌方法第 5、3、1条 2水平灰缝厚度 10mm8–1 2m m 3基础顶面、楼面标高±15mm 4表面平整度(混水)8 mm 5门窗洞口高度宽±5 mm 6外墙上下窗口偏移2 0mm 7水平灰缝平直度(混水)10 mm 三、模板工程模板安装允许偏差及检查方法序号项 目允许偏差值(mm)检查方法国家标准省优质结构工程标准1轴线位移柱、墙、梁53尺量2底模上表面标高±5±3水准仪或拉线尺量3截面内尺寸基础±1 0±6尺量柱、墙、梁+4、-5±34层高垂直度层高不大于5 m64经纬仪或吊线、尺量小于 5m865相邻两板表面高低差22尺量6表面平整度53靠尺、塞尺7阴阳角方正-2方尺、塞尺顺直—2线尺8预埋铁件中心线位移32拉线、尺量9预埋管、螺栓中心线位移32拉线、尺量螺栓外露长度+10、0+5、010预留孔洞中心线位移+106拉线、尺量尺寸+10、0+6、011门窗洞口中心线位移-3拉线、尺量宽、高-±5对角线—612插筋中心线位移55尺量外露长度+1 0、0+1 0、0四、混凝土工程预制构件尺寸允许偏差及检验方法项 目允许偏差(mm)检验方法长板、梁+10,-5钢尺检查度柱+5,—1 0墙 板±5薄腹梁、桁架+1 5,-1 0宽度高(厚)度板、梁、柱、墙板、薄腹梁、桁架±5钢尺量一端及中部,取其中较大值侧向弯曲梁、柱、板L/7 5 0 且≤2 0拉线、钢尺量最大侧向弯曲处墙板、薄腹梁、桁架L/10 00 且≤2 0预埋件中心线位置1 0钢尺检查螺栓位置5螺栓外露长度+1 0,-5预留孔中心线位置5钢尺检查预留洞中心线位置15钢尺检查主筋保护层厚度板+5,-3钢尺或保护层厚度测定仪式量测梁、柱、墙板、薄腹梁、桁架+10,—5对角线差板、墙板1 0钢尺量两个对角线表面平整度板、墙板、柱、梁52m 靠尺与塞尺检查预应力构件预留孔道位置梁、墙板、薄腹梁、桁架3钢尺检查翘曲板L/7 5 0调平尺在两端量测墙板L/1000墙板注:1、为构件长度(mm).2 、检查中心线、螺栓与孔道位置时,应沿纵、横两个方向量测,并取...

1、当您付费下载文档后,您只拥有了使用权限,并不意味着购买了版权,文档只能用于自身使用,不得用于其他商业用途(如 [转卖]进行直接盈利或[编辑后售卖]进行间接盈利)。
2、本站所有内容均由合作方或网友上传,本站不对文档的完整性、权威性及其观点立场正确性做任何保证或承诺!文档内容仅供研究参考,付费前请自行鉴别。
3、如文档内容存在违规,或者侵犯商业秘密、侵犯著作权等,请点击“违规举报”。

碎片内容

规范允许偏差一览表

人从众+ 关注
实名认证
内容提供者

欢迎光临小店,本店以公文和教育为主,希望符合您的需求。

确认删除?
VIP
微信客服
  • 扫码咨询
会员Q群
  • 会员专属群点击这里加入QQ群
客服邮箱
回到顶部