允许分装食品目录序号食口口、食口口添加剂类别类别名称品种明细备注大米大米(大米、糙米、其他)允许分装1•谷物加工品[高粱米、黍米、...
离心泵的气蚀现象与允许吸上真空高度(一)离心泵的气蚀现象由离心泵的工作原理可知,在离心泵叶轮中心(叶片入口)附近形成低压区,这一压...
实测实量、结构检测砼构件截面尺寸(一,+)楼板厚度(一,+)墙柱表面平整度(,+)墙柱表面垂直度(,+)顶棚表面平整度(土)受力钢筋保...
RF1.2.3-1预埋件和预留孔洞允许偏差验收记录表word.序号项目允许偏差(mm)实测偏差值(mm)123456789101预埋钢板中心线位置52预埋管、预留...
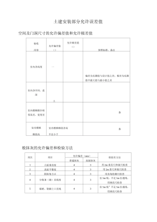
土建安装部分允许误差值空间及门洞尺寸的允许偏差值和允许极差值验收内容允许偏差值()允许极差值()参照标准、备注室内净高度一偏差为实...
现浇结构模板安装的允许偏差及检验方法项目允许偏差(mm)检验方法轴线位置5钢尺检查底模上表面标咼土5水准仪或拉线、钢尺检查截面内部尺寸...
第1页共26页编号:时间:2021年x月x日书山有路勤为径,学海无涯苦作舟页码:第1页共26页《湖南省首批允许临床应用的第二类医疗技术管理规范...
C。钢构件组装的允许偏差C・0・1焊接H型钢的允许偏差应符合表C.0.1的规定。续表C・0・1Co0。2焊接连接制作组装的允许偏差应符合表C。0.2的...
任务驱动型“杭州图书馆允许拾荒者、无业游民入馆”考场作文18.阅读下面的材料,根据要求写一篇不少于800字的文章。(60分)杭州图书馆允许...
库存物资允许保管期限及自然损耗称差标准版本:D版1目的便于有关业务部门在组织外购外协件的采购、自制件的生产时,有效地控制物资的合理储...
餐饮业常见食品中允许使用的食品添加剂名单一、食品分类名称:冰淇淋类编码:03.01........................................................
第1页共7页编号:时间:2021年x月x日书山有路勤为径,学海无涯苦作舟页码:第1页共7页第六章增决策和设计阶段工程造价的确定与控制§6.1建...
第1页共20页编号:时间:2021年x月x日书山有路勤为径,学海无涯苦作舟页码:第1页共20页混凝土工程一.监理准备1.熟悉有关图纸、技术资料...
第1页共10页编号:时间:2021年x月x日书山有路勤为径,学海无涯苦作舟页码:第1页共10页欧盟允许梨果类水果中残留的农药种类及其最高残留限...
允许保健食品声称的保健功能目录非营养素补充剂(2022年版)序号保健功能名称12345678910111213有助于增强免疫力有助于抗氧化辅助改善记忆...
第六章增决策和设计阶段工程造价的确定与控制§6.1建设项目投资估算一.投资估算的内容与作用1.内容1)固定资产投资估算:按费用性质分;建筑...
精品文档精品文档630KVA变压器,低压侧额定电压400V,根据容量S=1.732*电压*电流可以计算出额定电流I=6300/(1.732*400)=9.1千安=9100安...
用人单位开给区职介同意调档证明篇一:开具调档函调档函所需:1、现实表现证明:单位开具即可2、结婚证明:未婚不需要证明3、承诺书(计生...
...变压器允许温升变压器各个部门有不同的允许温升,不同的运行工况也有不同的允许温升。决定允许温升的因素有:变压器的运行预期寿命、变...
未经同意砍伐村里10株杨树构成犯罪吗?征询:我爱人在未经林业行政主管部门批准并核发林木采伐许可证的情况下,私自于今年4月23日将村子里沟...

