电脑桌面
添加小米粒文库到电脑桌面
安装后可以在桌面快捷访问

建筑工程允许偏差VIP免费

建筑工程允许偏差_第1页
1/10
建筑工程允许偏差_第2页
2/10
建筑工程允许偏差_第3页
3/10
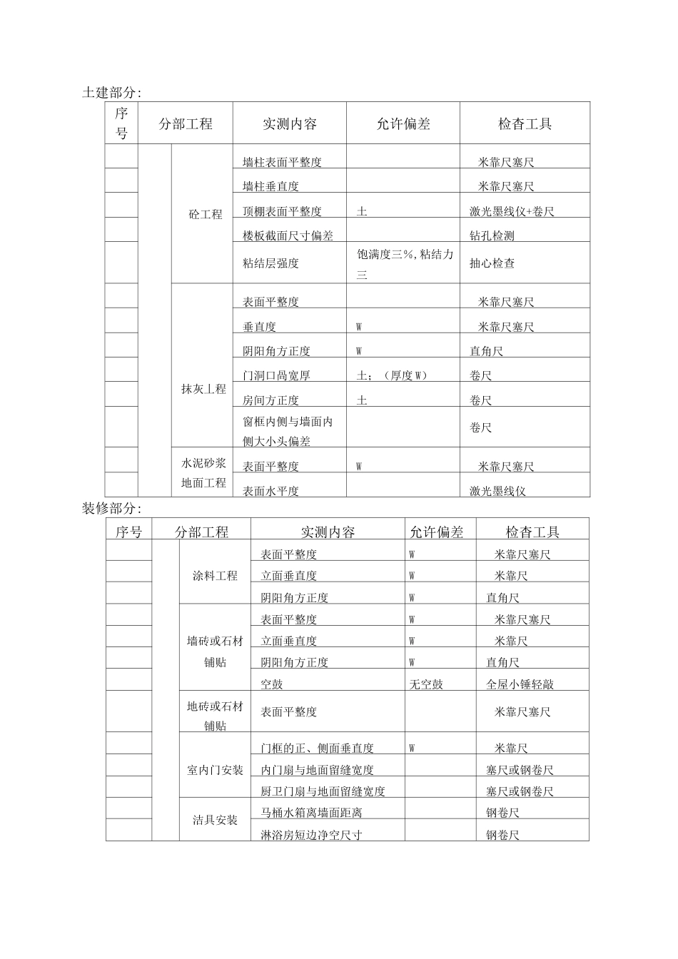
实测实量、结构检测砼构件截面尺寸(一,+)楼板厚度(一,+)墙柱表面平整度(,+)墙柱表面垂直度(,+)顶棚表面平整度(土)受力钢筋保护层厚度(基础土;梁柱土;墙板土)横向钢筋、箍筋间距(土)层高允许偏差(土)阳台栏杆高度(落空鼻米,不小于米;落空V米,不小于米)厨房、卫生间防水翻边高度(不小于)窗台板带浇筑厚度(鼻)门头过梁搭接长度(鼻)厨房卫生间高低差(鼻)楼梯挡板高度(鼻)女儿墙高度(不上人屋面鼻;上人屋面,鼻)安全防护高度鼻开关、插座安装高度(开关不低于,插座不低于)屋面找平层表面平整度的允许偏差(土)卷材防水的搭接宽度允许偏差()细石砼防水层表面平整度(土)密封防水接缝宽度的允许偏差(土)土建部分:序号分部工程实测内容允许偏差检杳工具砼工程墙柱表面平整度米靠尺塞尺墙柱垂直度米靠尺塞尺顶棚表面平整度土激光墨线仪+卷尺楼板截面尺寸偏差钻孔检测粘结层强度饱满度三%,粘结力三抽心检查表面平整度米靠尺塞尺垂直度W米靠尺塞尺阴阳角方正度W直角尺门洞口咼宽厚土;(厚度W)卷尺抹灰丄程房间方正度土卷尺窗框内侧与墙面内侧大小头偏差卷尺水泥砂浆地面工程表面平整度W米靠尺塞尺表面水平度激光墨线仪装修部分:序号分部工程实测内容允许偏差检杳工具表面平整度W米靠尺塞尺涂料工程立面垂直度W米靠尺阴阳角方正度W直角尺表面平整度W米靠尺塞尺墙砖或石材立面垂直度W米靠尺铺贴阴阳角方正度W直角尺空鼓无空鼓全屋小锤轻敲地砖或石材铺贴表面平整度米靠尺塞尺门框的正、侧面垂直度W米靠尺室内门安装内门扇与地面留缝宽度塞尺或钢卷尺厨卫门扇与地面留缝宽度塞尺或钢卷尺洁具安装马桶水箱离墙面距离钢卷尺淋浴房短边净空尺寸钢卷尺钢筋工程目项宽土土架骨筋钢扎绑长1X土高宀如5土1X土距5土保护层厚度基1X土梁5土氐壳土土砌体工程主控项目1砖强度等级设计要求砂浆强度等级设计要求水平灰缝砂浆饱满度三斜槎留置第5条5直槎拉结筋及接槎处理第5条轴线位移W1mm垂直度(每层)W5mm般项目1组砌方法第5条1水平灰缝厚度1mm-1mm基础顶面、楼面标高±15mm表面平整度(混水)mm5门窗洞口高度宽±5mm外墙上下窗口偏移mm水平灰缝平直度(混水)1mm模板工程模板安装允许偏差及检查方法序号项目允许偏差值(mm)检查方法国家标准省优质结构工程标准1轴线位移柱、墙、梁53尺量2底模上表面标咼±5±3水准仪或拉线尺量3截面内尺寸基础±10±6尺量柱、墙、梁+4、-5±34层咼垂直度层高不大于5m64经纬仪或吊线、尺量小于5m865相邻两板表面咼低差22尺量6表面平整度53靠尺、塞尺7阴阳角方正—2方尺、塞尺顺直—2线尺8预埋铁件中心线位移32拉线、尺量9预埋管、螺栓中心线位移32拉线、尺量螺栓外露长度+10、0+5、010预留孔洞中心线位移+106拉线、尺量尺寸+10、0+6、011门窗洞口中心线位移—3拉线、尺量宽、高—±5对角线—612插筋中心线位移55尺量外露长度+10、0+10、0混凝土工程预制构件尺寸允许偏差及检验方法项目允许偏差(mm)检验方法长度板、梁+10,-5钢尺检查柱+5,-10墙板±5薄腹梁、桁架+15,-10宽度高(厚)度板、梁、柱、墙板、薄腹梁、桁架±5钢尺量一端及中部,取其中较大值侧向弯曲梁、柱、板L/750且<20拉线、钢尺量最大侧向弯曲处墙板、薄腹梁、桁架L/1000且<20预埋件中心线位置10钢尺检查螺栓位置5螺栓外露长度+10,-5预留孔中心线位置5钢尺检查预留洞中心线位置15钢尺检查主筋保护层厚度板+5,-3钢尺或保护层厚度测定仪式量测梁、柱、墙板、薄腹梁、桁架+10,-5对角线差板、墙板10钢尺量两个对角线表面平整度板、墙板、柱、梁52m靠尺和塞尺检杳预应力构件预留孔道位置梁、墙板、薄腹梁、桁架3钢尺检查翘曲板L/750调平尺在两端量测墙板L/1000墙板现浇构件尺寸允许偏差及检验方法项目允许偏差()检查方法轴线位置基础钢尺检查独立基础墙、柱、梁剪力墙垂直度层冋钢尺检查〉全高且W钢尺检查标咼层咼±钢尺检查全高±截面尺寸,钢尺检查电梯井井筒长、宽对定位中心线井筒全高()垂直度且W钢尺检查表面平整度钢尺检查预埋设施中心线位置预埋件钢尺检查预埋螺栓预埋管预留洞中心线位置钢尺检查砖砌体的一般尺寸允许偏差以及检查数量序号项目允许...

1、当您付费下载文档后,您只拥有了使用权限,并不意味着购买了版权,文档只能用于自身使用,不得用于其他商业用途(如 [转卖]进行直接盈利或[编辑后售卖]进行间接盈利)。
2、本站所有内容均由合作方或网友上传,本站不对文档的完整性、权威性及其观点立场正确性做任何保证或承诺!文档内容仅供研究参考,付费前请自行鉴别。
3、如文档内容存在违规,或者侵犯商业秘密、侵犯著作权等,请点击“违规举报”。

碎片内容

建筑工程允许偏差

您可能关注的文档

确认删除?
VIP
微信客服
  • 扫码咨询
会员Q群
  • 会员专属群点击这里加入QQ群
客服邮箱
回到顶部