电脑桌面
添加小米粒文库到电脑桌面
安装后可以在桌面快捷访问

钢结构允许误差标准VIP免费

钢结构允许误差标准_第1页
1/9
钢结构允许误差标准_第2页
2/9
钢结构允许误差标准_第3页
3/9
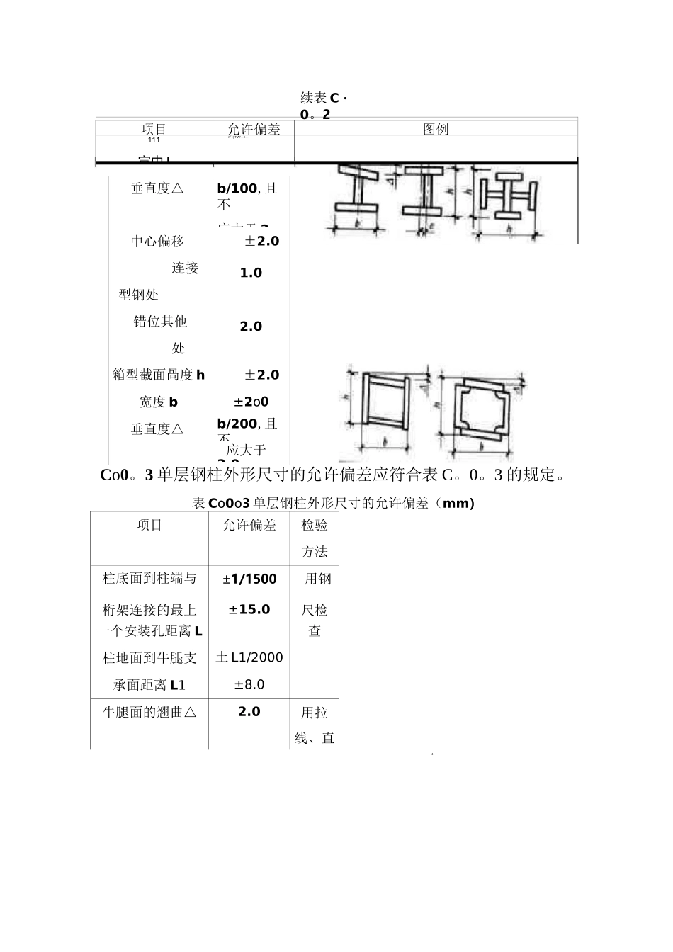
C。钢构件组装的允许偏差C・0・1焊接H型钢的允许偏差应符合表C.0.1的规定。续表C・0・1Co0。2焊接连接制作组装的允许偏差应符合表C。0.2的规定表C・0・2焊接连接制作组装的允许偏差(mm)项目允许偏差图例对口错边厶t/10,且不应大于3o0间隙a搭接长度a±5.0缝隙△1o54Co0。3单层钢柱外形尺寸的允许偏差应符合表C。0。3的规定。表Co0o3单层钢柱外形尺寸的允许偏差(mm)项目允许偏差检验方法柱底面到柱端与±1/1500用钢桁架连接的最上±15.0尺检一个安装孔距离L查柱地面到牛腿支土L1/2000承面距离L1±8.0牛腿面的翘曲△2.0用拉线、直项目允许偏差图例111宣由JXT1|/1'W/—1—续表C・0。2垂直度△b/100,且不应大于3o中心偏移±2.0连接1.0型钢处错位其他2.0处箱型截面咼度h±2.0宽度b±2o0垂直度△b/200,且不应大于3.04柱身弯曲矢高H/1200,且角尺不应大于和钢12.0尺检查续表C。0。3Co0・4多节钢柱外形尺寸的允许偏差应符合表C。0.4的规定。表C.0.4多节钢柱外形尺寸的允许偏差(mm)项目允许偏差检验方法一节咼度H±3。0用钢尺检查两端最外侧安装孔距离L3±2o0铳平面到第个安装孔距离a±1。0柱身弯曲矢高fH/1500,且不应大于5.0用拉线和钢尺检杳一节柱的柱身扭曲h/250,且不应大用拉线、吊线和钢尺检杳牛腿端孔到柱轴线距离L2±3.0用钢尺检查牛腿的翘曲或扭曲△L2W10002.0用拉线直角尺和钢尺检查L2>10003o0柱截面尺寸连接处±3.0用钢尺检查非连接处±4.0柱脚底面平面度5.0用直尺和塞尺检杳图例铁平面铳平面续表C.0.4Co0。5焊接实腹钢梁外形尺寸的允许偏差应符合表C.0.5的规定._表Co0o5焊接实腹钢梁外形尺寸的允许偏差(mm)项目允许偏差检验方图梁端咼拱端部有缘支座其他形hW20h>20设计要起设计未求起-土L/±10。±2o0±3.土L/10o-用钢检用拉和钢扭h/250,用拉线、不应大吊线10钢尺腹板局tW145o0用lm直检查L/2000,且侧弯矢高不应大于10o0tWT1-部平面度t>144.0尺和塞尺检杳续表C。0・5项目允许偏差检验方法图例翼缘板对腹板的垂直度

1、当您付费下载文档后,您只拥有了使用权限,并不意味着购买了版权,文档只能用于自身使用,不得用于其他商业用途(如 [转卖]进行直接盈利或[编辑后售卖]进行间接盈利)。
2、本站所有内容均由合作方或网友上传,本站不对文档的完整性、权威性及其观点立场正确性做任何保证或承诺!文档内容仅供研究参考,付费前请自行鉴别。
3、如文档内容存在违规,或者侵犯商业秘密、侵犯著作权等,请点击“违规举报”。

碎片内容

钢结构允许误差标准

您可能关注的文档

确认删除?
VIP
微信客服
  • 扫码咨询
会员Q群
  • 会员专属群点击这里加入QQ群
客服邮箱
回到顶部