工伤事故报告与调查处理制度 为了加强项目部职工伤亡事故的管理工作、保障国家和员工生命财产安全,发生事故后为了及时报告、统计、调查和...
上海万代制药有限公司 工伤事故管理规定 1 上海万 代 制 药 有 限 公 司 EHS-012-00 工伤事故管理规定 编制: 审核: 批准...
关于煤矿工伤事故反思心得体会 关于芦岭矿“3.24”工伤事故反思心得体会 张超 首先要从思想上有清醒的认识。抓好煤矿安全生产,首先要始...
下载后可任意编辑炼铁厂工伤事故应急救援预案与炼铁厂煤气爆炸事故应急救援预案汇编炼铁厂工伤事故应急救援预案一、编制目的发生事故后,为...
年度工伤事故总结报告 篇一:工伤事故总结报告 工伤事故总结 事故发生后,公司领导及相关负责人立即赶往项目部,成立了事故处理小组,对...
工伤事故报告范文XXXXXX 有限公司工伤事故报告XXX 劳动和社会保障局:我公司于 X 年 X 月 X 日早晨 6:00 左右发生一起工伤事故,...
上海市工伤事故急救特色医院清单医疗专长医院名称地 址电 话骨 科瑞金医院瑞金二路 197 号64370045金山医院金一路 91 金山医院57949...
下载后可任意编辑工伤事故调查报告范文与工伤劳动仲裁申请报告汇编工伤事故调查报告范文1.目的为做好各类工伤事故报告及调查处理,积极实行...
下载后可任意编辑工伤事故应急预案与工作反省检讨材料汇编工伤事故应急预案为预防工伤事故发生后对伤员造成更大的损害,避开事故的进一步恶...
下载后可任意编辑工伤事故安全学习心得体会与工伤劳动仲裁申请报告汇编工伤事故安全学习心得体会工矿企业工伤事故时有发生,也是不可回避的...
下载后可任意编辑工伤事故安全学习心得体会与工伤事故调查报告范文汇编工伤事故安全学习心得体会工矿企业工伤事故时有发生,也是不可回避的...
下载后可任意编辑工会财务工作沟通材料与工伤事故应急预案汇编工会财务工作沟通材料一、基本情况我们公司工会共有会员 436 人,决算单位...
工伤事故书面报告范文如何写工伤事故的证明材料工伤事故证明张三是中国 XXXXX 公司操作工,XXXX 年 XX 月 XX 日 XX 时 XX 分在...
工伤事故调解协议书甲方(单位):,法定代表人:,公司地址:乙方(工人):,男,31 岁,身份证号:,家庭地址:贵州省 乙方于 201 年月...
工伤事故心得体会精彩范文 在电视上,经常看到报道工业生产领域和建筑施工领域的工伤事故不断发生,企业应该要做好事故的防范措施,保障员...
工伤事故的赔偿协议书范文甲方:乙方:乙方于年月日在车间因操作过失,不慎受伤,现已治愈。就其医疗费,补助费等经甲乙双方协商一致,达成...
工伤事故记录表工程名称施工单位发生事故时间事故类别事故地点直接经济损失发生事故的通过及因素伤亡人员基本状况姓名性别年纪工种用工性质...
关于工伤事故补偿申请报告工伤事故补偿协议书甲方(单位):乙方(施工班组负责人):,男,岁,身份证号:丙方(工人):,男,岁,身份证...
工伤事故报告调查处理制度工伤事故报告、调查、处理制度工伤事故制度,是劳动保护工作的一项重要内容。是为了使公司及时准确地掌握职工的工...
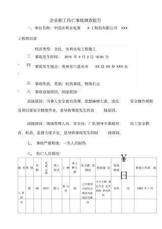
企业职工伤亡事故调查报告一、单位名称:中国水利水电第X工程局有限公司XXX工程项目部经济类型:全民,水利水电工程施工三、事故发生时间:...

