连云港职业技术学院课程设计说明书课题名称椭圆瓶盖注射模具设计院系机电工程学院专业班级模具 07 — 2 班学号起止日期指导老师29 年...
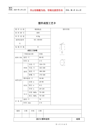
塑件成型工艺卡塑 件 名 称椭圆瓶盖塑件草图材 料 牌 号ABS单 件 重 量4.16g成型设备型号SZ—60/450每 模 件 数8成型工艺参数...
连云港职业技术学院课程设计说明书课题名称椭圆瓶盖注射模具设计院系机电工程学院专业班级模具07-2班学号起止日期指导教师2009年6月15日目...
第1页共13页编号:时间:2021年x月x日书山有路勤为径,学海无涯苦作舟页码:第1页共13页塑件成型工艺卡塑件名称椭圆瓶盖塑件草图材料牌号AB...

