电脑桌面
添加小米粒文库到电脑桌面
安装后可以在桌面快捷访问

《塑料成型工艺及模具设计》课程设计任务书VIP免费

《塑料成型工艺及模具设计》课程设计任务书_第1页
1/13
《塑料成型工艺及模具设计》课程设计任务书_第2页
2/13
《塑料成型工艺及模具设计》课程设计任务书_第3页
3/13
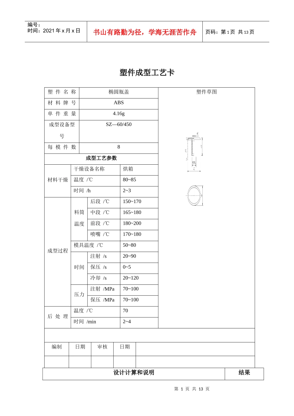
第1页共13页编号:时间:2021年x月x日书山有路勤为径,学海无涯苦作舟页码:第1页共13页塑件成型工艺卡塑件名称椭圆瓶盖塑件草图材料牌号ABS单件重量4.16g成型设备型号SZ—60/450每模件数8成型工艺参数材料干燥干燥设备名称烘箱温度/℃80~85时间/h2~3成型过程料筒温度后段/℃150~170中段/℃165~180前段/℃180~200喷嘴/℃170~180模具温度/℃50~80时间注射/s20~90保压/s0~5冷却/s20~120压力注射/MPa70~100保压/MPa70~100后处理温度/℃70时间/min2~4编制日期审核日期设计计算和说明结果第2页共13页第1页共13页编号:时间:2021年x月x日书山有路勤为径,学海无涯苦作舟页码:第2页共13页塑件成型工艺分析与设计(一)塑件原材料特性ABS是三元共聚物,因此兼有三种元素的共同性能,使其具有“坚韧、质硬、刚性”的材料。ABS树脂具有较高冲击韧性和力学强度,尺寸稳定,耐化学性及电性能良好,易于成形和机械加工等特点。此外,表面还可镀铬,成为塑料涂金属的一种常用材料.(二)塑件原材料成型性能1.吸湿性强,含水量应小于0.3%,必须充分干燥,要求表面光泽的塑件应要求长时间预热干燥2.流动性中等,溢边料0.04mm左右(流动性比聚苯乙烯,AS差,但比聚碳酸酯、聚氯乙烯好)3.比聚苯乙烯加工困难,宜取高料温、模温(对耐热、高抗冲击和中抗冲击型树脂,料温更宜取高),料温对物性影响较大、料温过高易分解(分解温度为250℃左右,比聚苯乙烯易分解),对要求精度较高塑件模温宜取50~60℃,要求光泽及耐热型料宜取60~80℃,注射压力应比加工聚苯乙烯的高,一般用柱塞式注射机时料温为180~230℃,注射压力为100~140Mpa,螺杆式注射机则取160~220℃,70~100MPa4.模具设计时要注意浇注系统对料流阻力小,浇口处外观不良,易发生熔接痕,应注意选择浇口位置、形式,顶出力过大或机械加工时塑件表面呈现“白色”痕迹(但在热水中加热可消失),脱模斜度宜取2°以上(三)塑件成型方法确定塑件用注射机成型(四)选择注塑机型号及其参数5.注射量的计算通过计算或Pro/E建模分析,塑件质量,塑件体积。流道疑料的质量还是个未知数,可按塑件质量的0.6被来估算。从上述分析中确定为一模八腔,所以浇注系统疑料体积为。该模具一次注射所需塑料ABS如下体积:质量:=第3页共13页第2页共13页编号:时间:2021年x月x日书山有路勤为径,学海无涯苦作舟页码:第3页共13页2.塑件和流道凝料在分型面上的投影面积及所需锁模力的计算设计计算和说明流道凝料(包括浇口)在分型面上的投影面积为,在模具设计前还是个未知数,根据多型腔的统计分析,是每个塑件在分型面上的投影面积的0.2~0.5倍,因此可用0.35来进行估算,所以=7464.42(=691.15)=(=35)3.选择注射机根据每一周期的注射量和锁模力的计算值个选用SZ—60/450卧式注射机,其主要技术参数见下图SZ—60/450注射机主要技术参数理论注射容量78锁模力/KN450螺杆直径/mm30拉杆内间距/mm注射压力/MPa170移模行程/mm220注射速率/(g/s)60最大模厚/mm300塑化能力/(g/s)5.6最小模厚/mm100螺杆转速/(r/min)14~200定位孔直径/mm55喷嘴球半径/mm20喷嘴孔直径/mm3.5锁模方式双曲肘4.注射机有关参数的校核1)由注射机料筒塑化速率校核模具的型腔数n型腔数校核合格。式中k:注射机最大注射量的利用系数,一般取0.8;M:注射机的额定塑化量(5.6g/s);t:成型周期,取30s。结果n=28k=0.8M=5.6g/st=30s第4页共13页第3页共13页编号:时间:2021年x月x日书山有路勤为径,学海无涯苦作舟页码:第4页共13页2)注射机压力的校核,而=170Mpa设计计算和说明注射压力的校核合格。式中取1.3,取130MPA。3)锁模力的校核而F=450KN,锁模力校核合格。塑件成型模具设计(一)型腔的数量和布置该塑件精度要求不高,又是大批量生产,可以采用一模多腔的形式。考虑到模具制造费用和设备运转费用低一些,定为一模八腔的模具形式。排列方式为两个H行排列(如下图所示),流道采用平衡式,浇口采用潜伏式或侧浇口式。(二)确定分型面根据塑件结构形式,分型面选在瓶盖的底平面。如下图(三)侧向抽芯机构由于该模具不涉及到侧向抽芯机构,所以无需进行此机构的设计。(四)浇注系统选择和设计1.主流道设计1)主流...

1、当您付费下载文档后,您只拥有了使用权限,并不意味着购买了版权,文档只能用于自身使用,不得用于其他商业用途(如 [转卖]进行直接盈利或[编辑后售卖]进行间接盈利)。
2、本站所有内容均由合作方或网友上传,本站不对文档的完整性、权威性及其观点立场正确性做任何保证或承诺!文档内容仅供研究参考,付费前请自行鉴别。
3、如文档内容存在违规,或者侵犯商业秘密、侵犯著作权等,请点击“违规举报”。

碎片内容

《塑料成型工艺及模具设计》课程设计任务书

确认删除?
VIP
微信客服
  • 扫码咨询
会员Q群
  • 会员专属群点击这里加入QQ群
客服邮箱
回到顶部