2011年广东公务员申论热点一:稳定物价抑制通胀稳定民生一、时政背景2011年2月27日,全国“两会”召开前夕,中共中央政治局常委、国务院总...
水泥稳定碎石基层施工质量的控制【摘要】通过广东省开平市-阳江市高速公路阳江段水泥稳定基层的施工实践,详细阐述了水泥稳定碎石基层施工质...
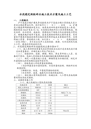
土木工程国道214线香德二级公路水泥稳定碎石基层施工工艺与质量控制西北工业大学网络教育学院`毕业论文任务书一、题目:国道214线香德二级...
关于对当前农村社会治安及稳定情况调研报告为进一步了解和掌握当前我市农村社会治安状况,寻求解决当前农村社会治安突出问题的有效途径,就...
队伍稳定调研报告------关于XX市片区稳定的调研报告为进一步掌握基层网点和油库经营管理基本情况,帮助基层提高维稳工作水平,确保片区安全...
水泥稳定碎石冷再生基层施工质量控制铁磊QualityControlofCementStabilizedMacadamColdRecycledBaseConstructionTIELei摘要:本文重点介绍...
毕业论文诚信声明本人郑重声明:所呈交的毕业论文是我个人在导师指导下进行的研究工作及取得的研究成果。就我所知,除了文中特别加以标注和...
关于维护职工队伍稳定保障职工合法权益问题调研报告为了认真学习贯彻中央领导关于工人阶级和工会工作的一系列重要讲话精神,推进职工合法权...
第1页共9页编号:时间:2021年x月x日书山有路勤为径,学海无涯苦作舟页码:第1页共9页水泥稳定碎石基层施工工艺及质量控制要点内容提要:本...
第一篇:队伍稳定调研报告------关于XX市片区稳定的调研报告为进一步掌握基层网点和油库经营管理基本情况,帮助基层提高维稳工作水平,确保...
关于促进定单产业发展稳定农民增收的调研报告自学习实践科学发展观活动开展以来,福山村紧紧围绕“多为群众办实事、脚踏实地谋发展”这一主...
安哥拉罗安达机场进场路水泥稳定土试验段总结报告目录1施工准备情况......................................................................
防止耕地“非粮化”稳定粮食生产工作方案为防止耕地“非粮化”倾向,稳定我省粮食生产,保障粮食安全,根据《关于防止耕地“非粮化”稳定粮...
土木工程国道214线香德二级公路水泥稳定碎石基层施工工艺与质量控制西北工业大学网络教育学院毕业论文任务书一、题目:国道214线香德二级公...
公司工会稳定员工队伍工作措施汇报材料在当前严峻的经济形势下,集团公司工会根据党委“带好员工队伍,稳定员工队伍”的要求,充分利用自身...
当前基层信访稳定工作的调研报告结合主题教育活动安排,近日,就如何把矛盾纠纷发现在基层、化解在源头,维护社会和谐稳定进行了调研,现将...
工会稳定职工队伍策略工作报告在当前严峻的经济形势下,集团公司工会根据党委“带好员工队伍,稳定员工队伍”的要求,充分利用自身在员工中...
XX学校毕业论文公路水泥稳定类基层的施工方法及质量控制系别:道桥系专业:道路与桥梁施工技术(检测方向)班级:姓名:学号:指导教师:职称...
公司做好“两节”稳定工作情况汇报收到集团公司党委《关于做好“两节”稳定工作的紧急通知》后,公司党委高度重视,及时将通知精神传达给领...
合肥经济技术开发区道路改造工程石灰稳定土底基层施工监理实施细则1.石灰稳定土底基层施工监理实施细则1.1施工准备阶段监理内容1.1.1原材...

