20*20*一幅名扬中外的画一幅名扬中外的画棠阁学校:宋欢汴梁保存撑船摊贩官吏毛驴悠闲拽住惊扰形态各异à正确读出下列词语biàncúnchēngt...
20*20*一幅名扬中外的画一幅名扬中外的画汴梁保存撑船摊贩官吏毛驴悠闲拽住惊扰形态各异à正确读出下列词语biàncúnchēngtānfàn汴梁保...
师徒结对美术教学设计与反思第16课好大一幅画丹徒实验学校贡白仙教学目标:通过各民族和古代部落、现代建筑的壁画欣赏,培养学生的审美能力...
一幅名扬中外的画温州市龙湾区永中二小王临芳教学目标:1、能正确、流利地朗读课文;同时在读的过程中,理解“名扬中外”、“作坊”等词语...
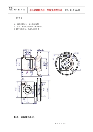
第1页共3页编号:时间:2021年x月x日书山有路勤为径,学海无涯苦作舟页码:第1页共3页任务11.按照下图绘制一幅二维工程图;2.按照二维图...
习作1【教学要求】1、看例图,读例文,了解图文的主要内容。2、阅读“习作要点提示”,初步懂得观察多幅图作文的方法。3、根据“习作要求”...
一幅城乡融合发展的美丽画卷——浙江省嘉兴市统筹城乡发展之路蜿蜒浩荡的长江水一路向东,在太湖附近抖落一身泥沙,沉积出一片平均海拔不到...
课题20.一幅名扬中外的画课型略读课课时1教学目标知识与技能1.正确、流利地朗读课文。2.学习课文,了解《清明上河图》的创作时间、作者、内...
一幅PPT帮你搞懂比特币与区块链技术带你认识啥是比特币?比特币啥样?一幅PPT帮你搞懂比特币与区块链技术1名称英文缩写属性比特币(BITECOI...
写一幅秋天的图画习作要求:选一幅或画一幅秋天的图画,先跟同学说一说图画的内容,再写一写你选的或画的画。注意用上平时积累的词句。写好...
一幅名画的诞生教学目标:1、通过自学,学生能准确理解“难以磨灭、褴褛、顽强”等词语意思。2、借助“读、议、感悟”相关训练,理解关键句...
一幅更高质量的发展图景跃然眼前2020年10月30日党的十九届五中全会于2020年10月26日至29日在北京举行。全会审议通过了《中共中央关于制定国...

