课题:电解质溶液【考纲点击】1. 了解电解质的概念。了解强电解质和弱电解质的概念。了解 弱电解质在水溶液中的电离平衡。2.了解电解质在...
高考化学专题“电解质溶液”分析及教学建议●高考趋势展望电解质溶液是高中化学重要的基础理论之一,从近几年的高考试题可以看出,涉及电解...
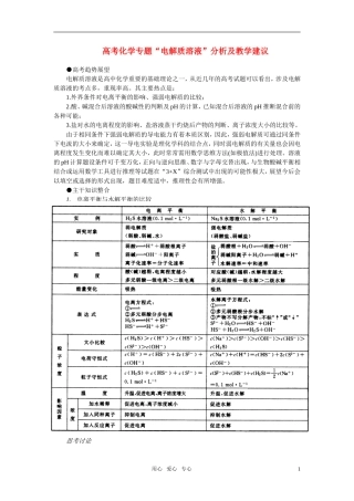
电解质溶液【教学目标】1.了解电解质在水溶液中的电离,以及电解质溶液的导电性。了解电解质的概念。了解强弱电解质的概念。2.了解弱电解质...