【案例 1 】本量利分析案例 安徽兴皖企业生产一种产品,假定产销一致,不考虑期间费用。 表 4— 3 利润表单位:元项目金额主营业务收...
下载后可任意编辑存量房买卖合同 卖方(甲方): 买方(乙方)第一条 甲方自愿将座落于南宁市____________________________________号房...
下载后可任意编辑存量房买卖合同 卖方(甲方): 买方(乙方)第一条 甲方自愿将座落于南宁市____________________________________号房...
下载后可任意编辑成绩:1、成立以校长为第一责任人的监测领导机构并对工作人员进行培训,制定国家基础教育质量监测凉水学校学校实施细则。...
第一课、基本知识一1.棋盘,棋子2.棋子的摆放3.白棋先走猜先4.兵的走法和吃子5.兵的升变6.王的走法和吃子7.棋局的胜负一、棋盘与棋子1、棋...
一、自我分析对达成目标有帮助的对达成目标有害的内部(组织)S优势W劣势1、爱学习,爱读书,喜欢用知识武装自己。2、热爱工作,关心学生...
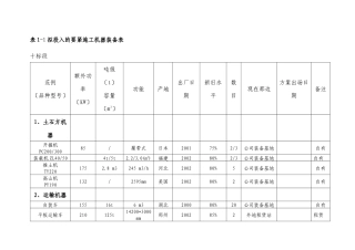
表1-1拟投入的要紧施工机器装备表十标段范例〔品种型号〕额外功率〔KW〕吨级〔t〕容量〔m3〕功能产地出厂日期新旧水平数目现在那边方案出场...

