电脑桌面
添加小米粒文库到电脑桌面
安装后可以在桌面快捷访问

建筑行业表1本合同主要施工机械表VIP免费

建筑行业表1本合同主要施工机械表_第1页
1/4
建筑行业表1本合同主要施工机械表_第2页
2/4
建筑行业表1本合同主要施工机械表_第3页
3/4
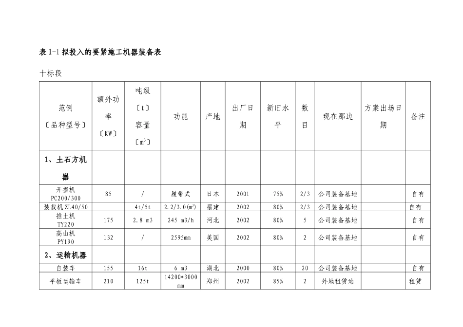
表1-1拟投入的要紧施工机器装备表十标段范例〔品种型号〕额外功率〔KW〕吨级〔t〕容量〔m3〕功能产地出厂日期新旧水平数目现在那边方案出场日期备注1、土石方机器开掘机PC200/30085/履带式日本200175%2/3公司装备基地自有装载机ZL40/504t/5t2.2/3.0(m3)福建200280%2/3公司装备基地自有推土机TY2201752.8m3245m3/h河北200280%5公司装备基地自有高山机PY190132/2595mm美国200280%2公司装备基地自有2、运输机器自装车15516t6m3湖北200080%20公司装备基地自有平板运输车210125t14200*3000mm郑州200285%2外地租赁站租赁3、路面机器摊铺机VOGELE21001601.41m36-12m德国200587%2公司装备基地自有沥青撒布机FD5070635t0.5~/m2徐工200185%2公司装备基地自有双驱双振压路机DD-110125马力B=英格索兰200385%6公司装备基地自有双钢轮压路机BW219DH-3143单钢轮B=德国200385%3公司装备基地自有胶轮压路机YL2011526TB=徐州200280%4公司装备基地自有表1-2拟投入的要紧施工机器装备表范例〔品种型号〕额外功率〔KW〕吨级〔t〕容量〔m3〕功能产地出厂日期新旧水平数目现在那边方案出场日期备注高山机PY190132/2595mm美国200280%2公司装备基地自有压边碾/2t50cm法国200290%2公司装备基地自有洒水车1186m3洒水宽度14m一汽200180%2公司装备基地自有4、桥梁机器钢筋堵截机GJ40φ6-40mm/天津200382%6公司装备基地自有钢筋曲折机WJ40φ6-40mm180°/5秒天津200382%6公司装备基地自有电焊机BX-50020/额外负载接着率35%中国200180%20公司装备基地自有液压破裂锤MS200/110-130bar70mm山东200080%6外地租赁站租赁拔出式振捣器Z50/50mm河南200595%20公司装备基地自有高频振捣行夯/6-8m河南200595%2公司装备基地自有木匠锯床MJ106/MPD=200MPT=450河北200285%4公司装备基地自有带锯玛尔沃8系列18”x22”(457x560mm)美国200390%1公司装备基地自有木匠刨床MB104/MPD=400MPT=200河北200282%4公司装备基地自有卷扬机JJK1卷扬才能10KN容绳量120m北京200085%4公司装备基地自有表1-3拟投入的要紧施工机器装备表范例〔品种型号〕额外功率〔KW〕吨级〔t〕容量〔m3〕功能产地出厂日期新旧水平数目现在那边方案出场日期备注千斤顶/350-400t350-400t四川200290%4公司装备基地自有打击钻机CZ8E755t钻孔直径400-2200mm河北200175%5公司装备基地2006.4.20自有旋挖钻机YTR230230Hmax=60mΦmax=2000河南200595%2公司装备基地0自有5、别的机器汽车起重机QY16/QY209516t/20t轮胎式蒲源200385%2/2外地租赁站租赁汽车起重机17560t/200t履带式徐州200180%2/2外地租赁站租赁空压机VFY-3/10/3m3/分上海200387%5公司装备基地自有夯机HW-60夯击力=60Kg100m3/班中国200180%10公司装备基地自有风镐风动/570mm湖南200085%4公司装备基地自有气焊///上海199975%3公司装备基地自有压浆机/50L/min江苏200080%2公司装备基地自有发电机组PF200GFE200输入电流360A最年夜输入功率206KW中国200180%2外地租赁站租赁

1、当您付费下载文档后,您只拥有了使用权限,并不意味着购买了版权,文档只能用于自身使用,不得用于其他商业用途(如 [转卖]进行直接盈利或[编辑后售卖]进行间接盈利)。
2、本站所有内容均由合作方或网友上传,本站不对文档的完整性、权威性及其观点立场正确性做任何保证或承诺!文档内容仅供研究参考,付费前请自行鉴别。
3、如文档内容存在违规,或者侵犯商业秘密、侵犯著作权等,请点击“违规举报”。

碎片内容

建筑行业表1本合同主要施工机械表

确认删除?
VIP
微信客服
  • 扫码咨询
会员Q群
  • 会员专属群点击这里加入QQ群
客服邮箱
回到顶部