仅供参考[整理]第1页共4页安全管理文书临时用电的安全措施日期:__________________单位:__________________仅供参考[整理]第2页共4页临时...
整体解决方案系列临时占道安全措施(标准、完整、实用、可修改)GL实用范本|DOCUMENTTEMPLATE第2页/共4页编号:FS-QG-88239临时占道安全措...
甲醇合成工段危险因素和安全措施分析课件目录•引言•甲醇合成工段危险因素分析•安全措施分析•事故应急处理•安全管理制度与文化•案例分...
下载后可任意编辑临时用电专项安全措施方案与临时用电专项安全施工方案汇编临时用电专项安全措施方案一、配电箱及开关箱1、开关、熔断器、...
反风演习计划及安全措施一、反风演习计划(一)、反风演习的日期、反风开始、持续、结束时间。1、反风日期:2007年月日2、反风开始:2007年...
安全措施费用计划书及项目明细表编制人:审核人:审批人:工程名称:兰州新区方家坡(棚改)安置房项目(三标段)编制单位:国基建设集团有...
仅供参考[整理]第1页共4页安全管理文书中小型机械设备的安全措施日期:__________________单位:__________________仅供参考[整理]第2页共4...
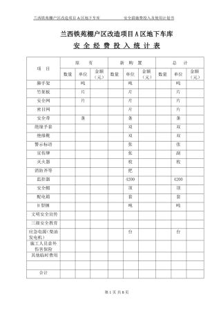
兰西铁苑棚户区改造项目A区地下车库安全措施费投入及使用计划书兰西铁苑棚户区改造项目A区地下车库安全经费投入统计表项目原有新购置总计数...
范文范例指导参考word版整理施工安全措施(方案)1.一般事项1.1安全组织:设置安全卫生管理员执行规定之工作安全规章,时时巡视工地,注意...
丙烯腈危佥化学品安全措施和事故应急处置原则特可疑人类致癌物,剧毒液体,火场温度下易发生别危险的聚合反应。警示无色透明液体。微溶于水...
化工企业冬季安全措施随着冬季的到来,北方的天气变得寒冷、干燥,容易发生人员冻伤、中毒、滑跌等人身伤害事故,火灾、爆爆炸事故以及交通...
仅供参考[整理]第1页共7页安全管理文书三氧化硫的特性及安全措施和应急处置原则日期:__________________单位:__________________仅供参考...
仅供参考[整理]第1页共6页安全管理文书一氯甲烷的特性及安全措施和应急处置原则日期:__________________单位:__________________仅供参考...
第1页共6页2024年脚手架工程安全措施及规程规定(1)架子工必须经过培训,持证上岗,应每年体检,凡患有高血压、心脏病、贫血病或患有其它不...
第1页共4页2024年夏季四防安全措施方案范文一、背景介绍随着气候的变化,夏季已经成为我国灾害发生频率最高的时段之一。高温、洪涝、台风等...
第1页共11页2024年老旧小区改造安全措施方案范本____年老旧小区改造安全措施方案一、引言随着城市的发展和老旧小区的形成,老旧小区的改造...
BBAM/08-033处理冒顶安全措施**公司**队年月日审批栏单位审批意见签名、日期编制施工单位生产技术部机电动力部安监部副总工副经理总工BBAM/...
***************************安全生产措施费用使用计划***************************目录一、总则二、安全管理目标三、安全生产经费用途四、...
第十一章确保安全生产的技术组织措施第一节施工安全保证体系一、安全生产管理机制为确保本本工程的施工安全,我们根据本工程的特点,建立有...
20XX年安全生产管理:安全措施管理制度一、单项选择题(共27题,每题的备选项中,只有1个事最符合题意)1、依据《道路交通安全法》的规定,...

