企业增长落地方案企业增长是所有企业都关注的话题,无论是新兴的创业公司还是传统的大型企业都需要寻求增长机会。但是如何在具体的实践中制...
企业品牌落地方案品牌落地是指企业在完成品牌策划和形象设计后,通过各种手段将品牌形象真正呈现给社会公众和消费者的过程。企业品牌落地方...
人才新政落地方案背景为了加快推动人才强国建设,促进中国经济与社会持续健康进展,国务院近日出台了一系列人才新政,推动人才引进和留用工...
“纳税人学堂”保障新政落地多项措施 新政策出来后,我们要响应政策号召,将政策落实到位,为了保证纳税新政策落实你有哪些措施?下面我带...
20XX 年历史学科核心素养落地培训心得体会 在今日培育学生核心素养下,不论哪门学科,都要做到如此,让学生成为学习的主体,让学生全面进...
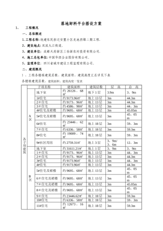
落地卸料平台搭设方案1、工程概况一、总体概述1.工程名称:统建农民拆迁安置小区龙池西锦二期工程.2、建设地点:双流九江街道。3、建设单位:...
落地卸料平台搭设方案1、工程概况一、总体概述1.工程名称:统建农民拆迁安置小区龙池西锦二期工程。2、建设地点:双流九江街道.3、建设单位...
高层大厦双排落地、钢梁悬挑脚手架质量及施工计划外脚手架施工主要方法及技术要求 6.1 外脚手架搭设 确定方案?材料检验?安全、技术交底...
施工要求1、确保脚手架、卸料平台、悬挑主梁在使用周期内安全、稳定、牢靠。2、脚手架、卸料平台在搭设及拆除过程中要符合工程施工进度要求...
施工安全保证措施一、组织保障1、安全保证体系2、环境保护体系二、技术措施(1)脚手架搭设技术措施:A.钢管落地脚手架/型钢悬挑脚手架1、2...
《绩效核能》解析 -----企业如何建立赢的机制与文化◎积分式—金钱以外的激励模型。不是钱,但比钱更有意义,跨越精神、荣誉、物质三个层...
象元小学积分制管理落地方案一、宗旨规学校常规管理工作激发教工在工作动力提升教育教学工作效率打造学校区域品牌形象二、积分制管理工作执...
首先,我想与大家探讨一个问题,我们发布制度的目的与入口是什么?绝大部分老板的回答是“管住员工,员工太难管理了”。显然,这个入口就错...
能达大厦建设工程工程钢管落地脚手架安全专项施工方案江六建建设集团编制时间:二〇一一年三月十四日目录第一节、工程概况- 2 -一、工程...
钢管落地卸料平台计算书标厂物流项目 11#、12#标准厂房工程,结构类型:框架结构;2 层局部 3 层,其中 11#厂房建筑面积为 17562 平...
SR5000 数控落地镗床基础基坑支护专项方案目 录1 、概述 ...........................................................22. 设计依据...
薪酬套改如何安全落地在薪酬改革中,员工大多只关怀自己的工资是否有所增加,经营者则是期望薪酬方案公平公正且用工成本保持稳定。而薪酬改...
目录一、 工程概况二、 施工部署三 、 构造要求四 、 安全防护措施五 、 脚手架的搭设及拆除施工工艺六 、 安全施工技术措施七 ...
深圳地铁前海车辆段上盖保障性住房主体工程 2 标落地式防护棚施工方案编制单位:广西建工集团第五建筑工程有限责任公司编 制 人: 审...
金山涌金商业广场工程落地式脚手架施工方案施工单位:中元建设集团股份有限公司编制时间:二〇一〇年十一月目 录一、工程概况.................

