尊敬的公司领导: 恒大名都四期工程项目《落地式钢管外脚手架施工方案》,由恒大名都四期项目工程部李龙负责编制,项目总工马雄负责审核,...
xxxx 标准厂房工程脚手架搭拆施工方案重庆 xx 建筑工程有限公司 xx 标准厂房工程项目部施工组织方案会签表工程名称:xxxx 标准厂房工...
施工组织设计(方案)报审表工程名称:编号:致: (监理单位)我方已根据施工合同的有关规定完成了 工程施工组织设计(方案)的编制,并...
.**生态风景工程塔楼外脚手架施工方案 贵州**集团****工程有限责任公司 **生态风景工程项目部 二○一○年四月三日**生态风景工程塔楼外...
技术交底记录编 号023工程名称新村工程三标段交 底 日 期施工单位设(集团)有限公司分项工程名称脚手架工程交底提要地下室落地脚手架...
目 录1、编制依据.............................................................22、工程概况...........................................
吊挂落地玻璃幕墙施工工艺流程图:现场测量细化设计材料定货工厂加工测量吊线检查整改(补埋)埋板检查不合格不合格确定立面分格线检查建立...
**** 工 程脚手架施工方案编 制: 审 核: 审 定: 浙江****集团有限公司二 0 一 0 年三月目 录一、工程概况 --------------...
一、工程概况1、 工程名称:紫御城 1#2#3#4#10#11#12#13#住宅楼,工程建设位于、路以东、袁家村以西、原。2、工程特征: 筏板基础,框剪...
xxx.xxx 三期工程落地脚手架施工方案编 制 人: 审 核 人: 审 批 人: 编制日期: 目 录第一章 工程概况......................
《企业文化落地六大方略》时间地点:2025 年 4 月 7-8 苏州 4 月 13-14 杭州参加对象:企业老总、企业中高层管理人员学习费用:¥...
脚手架 分项工程质量技术交底卡GD2301003 30施工单位:浙江东源建设有限公司工程名称:幸福城润园(一期)分部工程:主体工程交底部位:...
FD 风电能源有限公司企业文化落地讨论作为提升企业核心竞争力、加速推动企业有效进展的重要举措,企业文化的建设已经被广泛应用于各行业、...
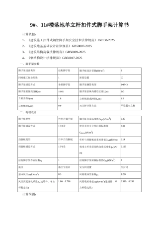
9#、11#楼落地单立杆扣件式脚手架计算书 计算依据: 1、《建筑施工扣件式钢管脚手架安全技术法律规范》JGJ130-2025 2、《建筑地基基础设...
西安软件加速云计算落地应用 中服软件实现云计算协同管理 云计算产业蓬勃进展,推动着新一代信息技术产业进展,自 2025 年云计算概念提...
落地通天抱杆分解吊装组立铁塔施工作业风险控制落地通天抱杆分解吊装组立铁塔施工作业风险控制-安全管理网varsiteSetup={sitePath:'/',ajax...
落地页设计:从概念到上线的 5 个过程产品工作中会涉及到很多与运营工作的协调,这个过程中较多的产出就是落地页:专题落地页、宣传落地...
目 录1、编制说明及编制依据----------------------------------------------21 、 1 编制依据 ------------------------------------...
编号:ZY—005—03江苏建发建设项目咨询有限公司作业文件落地与悬挑脚手架工程监理细则编写作业指导书主 编: 余 震批 准: 古有沂 ...
施工组织设计(方案)报审表 工程名称:毕节中心城区小坝片区棚户区改造项目水塘安置点五期 编号: ST5-FA-010 毕节中心城区小坝片区棚...

