JGJ52—2025 普通混凝土用砂、石质量及检验方法标准 主编单位:中国建筑科学讨论院 批准部门:中华人民共和国建设部 施行日期:2025 年...
JGJ52—2025 普通混凝土用砂、石质量及检验方法标准 主编单位:中国建筑科学讨论院 批准部门:中华人民共和国建设部 施行日期:2025 年...
田间道手摆片石质量评定表工程名称: 部位名称:工序名称:检查项目执行标准质量情况片石强度符合设计要求 嵌砌质量符合设计要求 其他相...
JGJ52-2006 普 通 混 凝 土 用 砂 、石质量及检验方法标准 主 编 单 位 : 中 国 建 筑 科 学 研 究 院 批 准 部...
JGJ52-2006 普 通 混 凝 土 用 砂 、 石 质 量 及 检 验 方 法 标 准 主 编 单 位 : 中 国 建 筑 科 学 研...
JGJ52-2006 普 通 混 凝 土 用 砂 、 石 质 量 及 检 验 方 法 标 准 主 编 单 位 : 中 国 建 筑 科 学 研...
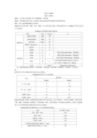
13人行道铺筑13.1一般规定13.1.1人行道应与相邻建(构)筑物接顺,不得反坡。13.1.2有特殊要求的人行道,应按设计要求及现场条件制定铺装方...
JGJ52-2006 普 通 混 凝 土 用 砂 、 石 质 量 及 检 验 方 法 标 准 主 编 单 位 : 中 国 建 筑 科 学 研...
表3.1.2-1 砂的公称粒径、砂筛筛孔的公称直径和方孔筛筛孔的边长尺寸 砂的公称粒径 砂筛筛孔的公称直径 方孔筛筛孔边长 5.00mm 5.00m...
1 3 人 行 道 铺 筑 1 3 .1 一 般 规 定 1 3 .1 .1 人 行 道 应 与 相 邻 建 ( 构 ) 筑 物 接 顺 , ...
精选JGJ52-2006普通混凝土用砂、石质量及检验方法标准主编单位:中国建筑科学研究院批准部门:中华人民共和国建设部施行日期:2007年6月l日...
13人行道铺筑13.1一般规定13.1.1人行道应与相邻建(构)筑物接顺,不得反坡。13.1.2有特殊要求的人行道,应按设计要求及现场条件制定铺装方...
13人行道铺筑13。1一般规定13。1.1人行道应与相邻建(构)筑物接顺,不得反坡。13.1。2有特殊要求的人行道,应按设计要求及现场条件制定铺装...

