电脑桌面
添加小米粒文库到电脑桌面
安装后可以在桌面快捷访问

JGJ522006普通混凝土用砂、石质量及检验方法标准

JGJ522006普通混凝土用砂、石质量及检验方法标准_第1页
1/9
JGJ522006普通混凝土用砂、石质量及检验方法标准_第2页
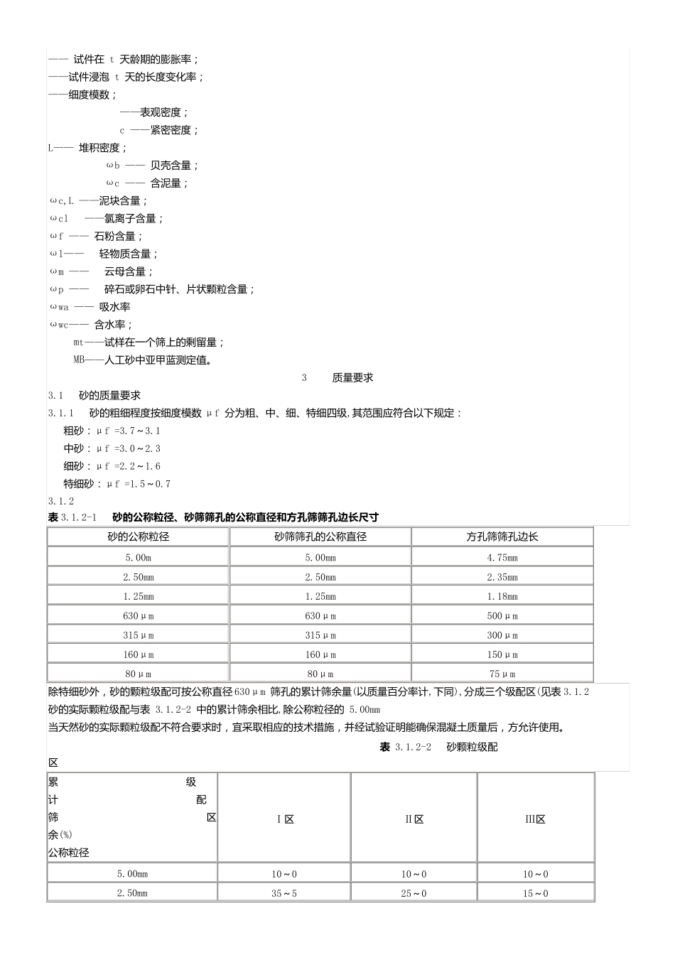
2/9
JGJ522006普通混凝土用砂、石质量及检验方法标准_第3页
3/9
JGJ52-2006 普 通 混 凝 土 用 砂 、石质量及检验方法标准 主 编 单 位 : 中 国 建 筑 科 学 研 究 院 批 准 部 门 : 中 华 人 民 共 和 国 建 设 部 施 行 日 期 : 2007 年 6 月 l 日 1 总 则 1.0.1 为 在 普 通 混 凝 土 中 合 理 使 用 天 然 砂 ,人 工 砂 和 碎 石 、卵石 ,保证普 通 混 凝 土 用 砂 、石 的质量,制定本标准 。 1.0.2 本标准 适用 于一般工 业与民 用 建 筑 和 构筑 物中 普 通 混 凝 土 用 砂 的质量要求和 检验。 1.0.3 对于长期 处于潮湿环境的重要混 凝 土 结构所用 的砂 、石 ,应进行 碱活性检验。 1.0.3 砂 和 石 的质量要求和 检验,除应符合 本标准 外,尚应符合 国 家现行 有关标准 的规定。 2 术语、符号 2.1 术语 2.1.1 天 然 砂 natural sand 由自然 条件作用 而形成的,公称粒径小于 5mm 的岩石 颗粒。按其产源不同,可分为 河砂 、海砂 和 山砂 。 2.1.2 人 工 砂 artificial sand 岩石 经除土 开采、机械破碎 、筛分而成的,公称粒径小于5mm 的岩石 颗粒。 2.1.3 混 合 砂 mixed sand 由天 然 砂 与人 工 砂 按一定比例组合 而成的砂 。 2.1.4 碎 石 crushed stone 由天 然 岩石 或卵石 经破碎 、筛分而得的,公称粒径大于5mm 的岩石 颗粒。 2.1.5 卵石 gravel 由自然 条件作用 而形成的,公称粒径大于 5.00mm 的岩石 颗粒。 2.1.6 含泥量 dust content 砂 、石 中 公称粒径小于 80μm 颗粒的含量。 2.1.7 砂 的泥块含量 clay lump content in sands 砂 中 公称粒径大于 1.25mm,经水洗、手捏后变成小于 630μm 的颗粒的含量。 2.1.8 石 的泥块含量 clay lump content in stones 石 中 公称粒径大于 5.mm,经水洗、手捏后变成小于 2.50mm 的颗粒的含量。 2.1.9 石 粉含量 crusher dust content 人 工 砂 中 公称粒径小于 80μm,且其矿物组成和 成分与被加工 母岩石 相同的颗粒含量。 表观密度 apparent density 骨料颗粒单 位 体积(包括内封闭孔隙)的质量。 紧密密度 tight density 骨料安规定方法颠实后单 位 体积的质量。 堆积密度 bulk density 骨料在 自然 堆积状态下单 位 体积的质量。 坚固性 soundness 骨...

1、当您付费下载文档后,您只拥有了使用权限,并不意味着购买了版权,文档只能用于自身使用,不得用于其他商业用途(如 [转卖]进行直接盈利或[编辑后售卖]进行间接盈利)。
2、本站所有内容均由合作方或网友上传,本站不对文档的完整性、权威性及其观点立场正确性做任何保证或承诺!文档内容仅供研究参考,付费前请自行鉴别。
3、如文档内容存在违规,或者侵犯商业秘密、侵犯著作权等,请点击“违规举报”。

碎片内容

JGJ522006普通混凝土用砂、石质量及检验方法标准

您可能关注的文档

小辰7+ 关注
实名认证
内容提供者

出售各种资料和文档

确认删除?
VIP
微信客服
  • 扫码咨询
会员Q群
  • 会员专属群点击这里加入QQ群
客服邮箱
回到顶部