XXX 有限公司安全生产管理制度编 制:审 核:批 准:2012 年 2 月 28 日目录目录 1前言 Error: Reference source not found ...
XXX 建筑劳务公司岗位职责一、总经理岗位职责1、下达公司的经营、生产计划和各项经济技术指标.对公司质量、环境、职业健康安全目标、指标...
XXX 建筑劳务公司岗位职责一、总经理岗位职责1、下达公司的经营、生产计划和各项经济技术指标.对公司质量、环境、职业健康安全目标、指标...
VR-建筑工程实训室建设方案目录一、项目背景............................................................................................
VR—建筑工程实训室建设方案项 目 负 责 人 : 寿 胡 滨联 系 电 话 : 1 5 2 - 5 7 1 9 - 0 3 0 8目录一、项目...
S 省某建筑工程公司因施工期紧迫,而事先未能与有关厂家订好供货 合同,造成施工过程中水泥短缺,急需 100 吨水泥。该建筑工程公司同时...
RB/T107-2103 公共建筑管理组织能源管理体系要求1。总要求 公共建筑管理组织应符合 GB/T 23331—2025 中 4.1 的要求。 公共建筑管...
PVC 建筑排水管安装施工工艺 PVC 建筑排水管指建筑排水用硬聚氯乙烯塑料管材和管件。主要用于建筑物室内生活污水排放系统。该材料的品种...
PVC 建筑给水管安装施工工艺 PVC 建筑给水管指建筑给水用硬聚氯乙烯塑料管材和管件.主要用于建筑物室内外给水系统。该材料的品种,规格...
2025 版 STAT&CMIS 网络版安装在 STAT&CMIS 中,网络版的安装方式发生了较大的变化,比旧版更加简单、易用.下面我简单介绍一下新网络...
第三十三章 LEED 金奖认证、绿色建筑二星级认证及绿色施工实施方案18.1 LEED 金奖及绿色建筑二星级认证实施方案我单位历来对绿色施工、...
―――――项目LEED 绿色建筑专项施工方案――――――――――公司2025 年 7 月目录第一章编制依据 1第二章工程概述 11 工程概况 ...
3。 1. 1 下列建筑在施工期间和使用期间应进行变形测量: 1 地基基础设计等级为甲级的建筑。 2 软弱地基上的地基基础设计等级为乙级...
中华人民共和国行业标准建筑拆除工程安全技术法律规范 Technical code for safety of demolishing and removing of buildingsJGJ...
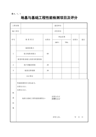
表 4。1。1 地基与基础工程性能检测项目及评分工程名称建设单位施工单位评价单位序号检 查 项 目应得分判定结果实得分备注100%70%1地...
50210 建筑装饰装修工程质量验收法律规范1 总则 1.0.1 为了加强建筑工程质量管理,统一建筑装饰装修工程的质量验收,保证工程质量,制...
50210 建筑装饰装修工程质量验收法律规范1 总则 1.0。1 为了加强建筑工程质量管理,统一建筑装饰装修工程的质量验收,保证工程质量,制...
GA587-2025 建筑消防设施的维护管理目 次前言 ………………………………………………………………………………………… Ⅲ引言 ………...
DGJ32/TJ142—2025建筑地基基础检测规程Technical Code for Testing of Foundation Soil and Building Foundation(征求意见稿)...
前 言本规程为强制性标准,其中第 2。1.5 条为强制性条文,必须严格执行。根据北京市质量技术监督局《2025 年北京市地方标准制修订项目...

