2008年陕西省中考理化试题(扫描版,有答案)
分析酿酒葡萄和葡萄酒的理化指标对葡萄酒质量的影响并论证能否用葡萄和葡萄酒的理化指标来评价葡萄酒的质量
下载后可任意编辑生产技术部金属理化检测员工作标准1范围本标准规定了甘肃平凉发电有限责任公司生产技术部金属理化检测员的职责和工作内容...
下载后可任意编辑理化检验控制程序1 目的和适用范围1.1 目的本程序规定了理化检验的控制要求、检验办法和相关规定。1.2 适用范围 本程...
乳糖可溶于水,溶解度的大小取决于温度的高低。温度(T)升高时,溶解度增高。20℃时,乳糖的终末溶解度为:19g乳糖/100g水;当 T升高到 ...
武汉双星科技发展有限公司 乳化液理化指标检测标准 ADD:武汉市青山区工业大道36 号和平饭店405、406、407、306 室 TEL:(027)86856...
主要危险化学品的理化性质及危险特性汇总
1 感谢您购买本系列温控器,请事先详细阅读此“使用说明书”,本说明书中的资料如改动恕不通知,敬请谅解。 本温控器的制造经过严格地品...
润滑油理化指标 1.常用理化指标化验指标 (1)密度 密度是石油及其产品最简单、最常用的物理性质指标,它是指在规定温度下单位体积内所...
1. 粘度 液体受外力作用移动时液体分子间产生内摩擦力的性质称为粘度。粘度随温度的升高而较低。它是润滑油的主要技术指标,粘度是各种润...
土 壤 理 化 分 析 实 验 指 导 书 北京林业大学 本书的术语和代号说明 1.水:在试剂配制和操作步骤中所说的“水”,除非特...
关于学习物理化学的感想 经过一年的学习,物理化学终于学完了,艰难点说算是“啃完”了两本物理化学的书,但是说到吸收,又是一个未知数。...
前 言 理化试验室是一个隶属于冶金处的业务室。承担民品(汽车零部件消声器)原材料的入厂验证任务。 为保证产品质量、满足用户需求,根...
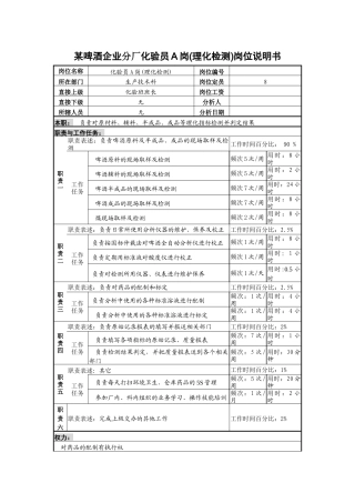
某啤酒企业分厂化验员 A 岗(理化检测)岗位说明书岗位名称化验员 A 岗(理化检测)岗位编号所在部门生产技术科岗位定员8直接上级化验班班...
前 言 理化试验室是一个隶属于冶金处的业务室。承担民品(汽车零部件消声器)原材料的入厂验证任务。 为保证产品质量、满足用户需求,根...
学习物理化学的心得体会 摘要。物理化学是大学学习生活中一门重要学科,因此我们要学好物理化学,但由于对学习物理化学这门科目的恐惧再加...
某啤酒企业分厂化验员 B 岗(理化检测)岗位说明书岗位名称化验员 B 岗(微生物检测)岗位编号所在部门生产技术科岗位定员2直接上级化验...
1 第一章法定计量单位一、法定计量单位定义:就是政府以法令的形式明确规定要在全国必须使用的计量单位。我国的法定计量单位于一九八四年...
THE FIRST LESSON OF THE SCHOOL YEAR理化因素所致疾病讲义课件目CONTENTS• 理化因素与疾病概述• 物理因素所致疾病• 化学因素...
粮油品质检验与分析粮食的理化特性与品质变化课件目录• 粮油品质检验概述• 粮食的理化特性分析• 粮油品质变化分析• 粮油品质检验的...

