1。微生物检验一、微生物实验室概况食品微生物实验室主要负责各类微生物项目的检测,主要检测项目有菌落总数、大肠菌群、霉菌、酵母、乳酸菌...
环境检测理化试题《环境监测》试题(A卷)一、基本概念:(每个2分,共10分)1.等效连续声级2.空白试验3.细菌总数4.生物监测5.静态配...
2012高教社杯全国大学生数学建模竞赛编号专用页赛区评阅编号(由赛区组委会评阅前进行编号):赛区评阅记录(可供赛区评阅时使用):评阅人...
分发号:4D-号文件编号:WZCDC4D2011代替WZCDC4D2007重庆市万州区疾病预防控制中心质量记录(理化部分)(第Ⅲ版)受控状态:持有人:2011年12...
初中理化教研组工作计划(多篇)第1篇:初中理化教研组工作计划闵初中理化教研组工作教学计划一、指导思想根据学校整体工作安排和教导处的...
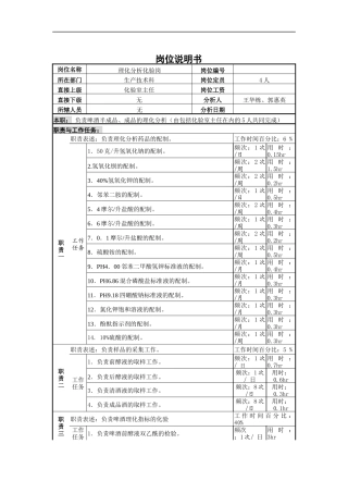
第1页共2页编号:时间:2021年x月x日书山有路勤为径,学海无涯苦作舟页码:第1页共2页某啤酒企业分厂化验员A岗(理化检测)岗位说明书岗位名...
第1页共29页编号:时间:2021年x月x日书山有路勤为径,学海无涯苦作舟页码:第1页共29页浙江省工程建设标准《建筑钢结构钢材及连接理化测试...
木家具制造与检验技术第十一章家具表面漆膜理化性能试验第一节检验概述漆膜理化性能试验漆膜理化性能试验应符合GB/T4893—1985规定。一家具...
第1页共4页编号:_____理化教研组工作计划学校:_________教师:_____________年___月___日(此文内容仅供参考,可自行修改)理化教研组工...
第1页共17页编号:时间:2021年x月x日书山有路勤为径,学海无涯苦作舟页码:第1页共17页1酒的检测指标葡萄酒的质量指标大致分为三类,一是...
第1页共3页编号:时间:2021年x月x日书山有路勤为径,学海无涯苦作舟页码:第1页共3页某啤酒企业分厂化验员B岗(理化检测)岗位说明书岗位名...
前言理化试验室是一个隶属于冶金处的业务室。承担民品(汽车零部件消声器)原材料的入厂验证任务。为保证产品质量、满足用户需求,根据QS—...
工作说明书单位制造部质管处岗位名称理化工程师岗位人数2工作班制一本职工作理化技术管理职务职级4级3档直接上级理化站站长直接下级工作责...
前言理化试验室是一个隶属于冶金处的业务室。承担民品(汽车零部件消声器)原材料的入厂验证任务。为保证产品质量、满足用户需求,根据QS—...
第1页共19页编号:时间:2021年x月x日书山有路勤为径,学海无涯苦作舟页码:第1页共19页图10-7静电沉积器1.卷烟嘴;2.中央电极(正极);3....
静安区学习质量调研理化试卷(满分150分,考试时间100分钟)化学部分2010.04考生注意:1.本试卷化学部分含三个大题,共27题。2.答题时,...
目录1、省委书记卢展工在中共河南省第九次代表大会上的报告……………12、市委书记何雄在全市新型社区建设工作会议上的讲话………………103...
卫生(理化)科工作总结回首一年,有忙碌又有收获,在中心领导的大力支持下,在全科同志的共同努力下,业务、科研等方面都取得了一定的进步...
前言理化试验室是一个隶属于冶金处的业务室。承担民品(汽车零部件消声器)原材料的入厂验证任务。为保证产品质量、满足用户需求,根据QS—...
理化检验专业模拟试题ⅣA1题型1.在A=abc公式中,A为吸光度,b为液层厚度,c为溶液浓度,请问a称作什么A、相关系数B、吸收系数C、吸光系数D...

