第六节建筑给水排水及采暖工程检查用表建筑给水、排水及采暖分部工程在《建筑工程施工质量验收统一标准》中室内给水系统子分部、室内热水供...
绿地·曲江名城DK1-7#-11#住宅楼、商业及地下车库给水、排水及采暖通风监理实施细则编制:审核:审批:西安新业建设咨询有限公司绿地·曲江...
大河速递仓库建筑给水排水及采暖竣工资料【】表C010建筑给水排水及采暖分部验收报验申请表工程名称大河速递临时仓储物流仓库项目编号05-00-...
第1页共23页编号:时间:2021年x月x日书山有路勤为径,学海无涯苦作舟页码:第1页共23页建筑给水排水及采暖工程施工技术资料填表说明建筑绐...
第1页共46页编号:时间:2021年x月x日书山有路勤为径,学海无涯苦作舟页码:第1页共46页建筑给排水及采暖工程施工质量验收资料填写示例工程...
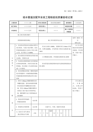
1SG-A012(原SG—A011)给水管道及配件安装工程检验批质量验收记录工程名称×××工程分项工程名称给水管道及配件验收部位12层室内施工单...
低温热水地板辐射采暖安装施工方案本工程为山西云栋房地产开发有限公司开发的孝义市盛和佳苑7#楼,工程位于孝义市府东街。本工程为6层住宅...
江苏中兴建设有限公司机电安装部江苏中兴建设有限公司机电安装部目录目录.................................................................
安全生产风险分级管控清单单位:编号:给排水及采暖工程分部分项及序专项工程名称号支架安装1危险源描述可能导致的事故类型风险等级风险控制...
建筑给水、排水与采暖各子分部工程与分项工程相关表(GB50242-2002)表3子分部工程分项工程01020304050607080910室内给水系统室内排水系统...
第1页共50页编号:时间:2021年x月x日书山有路勤为径,学海无涯苦作舟页码:第1页共50页联合发布UDC中华人民共和国国家标准PGB50242—2002...
第1页共50页编号:时间:2021年x月x日书山有路勤为径,学海无涯苦作舟页码:第1页共50页目录第一章编制依据----------------------------2...
第1页共136页编号:时间:2021年x月x日书山有路勤为径,学海无涯苦作舟页码:第1页共136页建筑工程施工质量验收资料使用说明为认真贯彻执行...
建筑给水、排水与采暖各子分部工程与分项工程相关表(GB50242-2002)表3子分部工程分项工程01020304050607080910室内给水系统室内排水系统...
目录中文摘要(关键词)1外文摘要(关键词)............................................................................................
第1页共19页编号:时间:2021年x月x日书山有路勤为径,学海无涯苦作舟页码:第1页共19页某住宅小区地下室及会所某住宅小区地下室及会所采暖...
第1页共13页编号:时间:2021年x月x日书山有路勤为径,学海无涯苦作舟页码:第1页共13页第一章系统综述低温热水地板辐射采暖系统概述低温热...
第1页共12页编号:时间:2021年x月x日书山有路勤为径,学海无涯苦作舟页码:第1页共12页第一章系统综述低温热水地板辐射采暖系统概述低温热...
第1页共40页编号:时间:2021年x月x日书山有路勤为径,学海无涯苦作舟页码:第1页共40页一、编制依据1.1、施工合同合同名称编号日期甘水桥...
给排水与采暖内业资料目录(一)设计变更汇总记录3(二)工程洽商记录4(三)设备开箱检查记录.............................................

