西二条路地下城停车场土方开挖施工方案批准:___________编制:___________审核:___________万和房地产开发有限公司2011年5月21日目录1、...
目录第一章、工程概况.................................................................................................................
冷却塔基础土方工程施工方案1、工程概况本工程为冷却塔基础的土方开挖、回填分项工程。基础分为环板基础和淋水装置基础,其中环板基础外侧...
太原市第三十九中学校改扩建项目基坑工程安全施工方案编制:审核:审批:太原市第一建筑工程集团有限公司二〇一六年十二月目录一、编制依据...
基坑围护、降水及土方工程施工专项方案一、编制依据:1、浙江省×××工程勘察测综院提供的详细勘察报告;2、浙江×××建筑规划设计有限公...
泰安市惠丰园1#高层住宅楼基坑施工方案泰安市鲁岳建筑安装安装工程有限公司泰安市惠丰园1#高层住宅楼基坑施工方案本方案为深基坑施工预案,...
目录1`-一、编制依据.....................................................-2-二、工程概况..............................................
目录第一章编制说明及依据................................................21.1编制说明.................................................
河南公路港务局1#立体仓库工程基坑支护及土方开挖专项施工方案编制人:审核人:审批人:日期:编制单位:郑州市正岩建设集团有限公司2016年...
名郡大厦深基坑降水及土方开挖施工方案编制单位:天津三建建筑工程有限公司编制日期:2016年9月目录第1章方案编制依据.......................
目录一、编制说明...........................2二、编制依据..........................2三、工程慨况...........................2四、基...
第一章编制说明1、根据宁波镇海维科房地产开发有限公司提供的--《维科·南熏别院》设计图纸和施工现场环境现状编制。2、维科·南熏别院工程...
梅华文化站、幼儿园、社区公园工程基坑支护及土方开挖施工方案编制人:审批人:编制单位:河南省大成建设工程有限公司日期:年月日目录第1...
伊犁新天年产20亿m³煤制天然气项目污水处理及污水回用C标段调节池土方工程施工方案编制单位:十一化建伊宁项目部编制人:审核:批准:安全...
富阳市文化中心工程土方开挖专项施工方案编制人:职务(称)审核人:职务(称)批准人:职务(称)批准部门(章)编制日期:富阳市文化中心...
基坑支护及土方专项施工方案一、工程概况银座大厦工程位于庆春路与建国路交叉口东北角地块,处于醋坊巷与商业银行(待建)之间。建设单位为...
目录1、编制依据...................................................................................12、工程概况.......................
技术交底记录编号表C2-1工程名称南水北调XXXX交底日期XXXX施工单位XXXX分项工程名称交底提要渠道施工交底内容:3、边坡的护面和加固施工过...
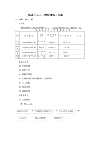
路基土石方工程项目施工方案一、路基土石方工程1.概况本合同段路基工程计划分四个工区,工区划分及路基土石方数量见下表。路基土石方分段数...
目录第一章工程概况及工程特点............................................................................4一、建设概况................

