下载后可任意编辑工程地板砖施工合同甲方: 阜新高速三塔收费养护区项目部 乙方: 甲乙双方就三塔收费养护区房建工程室内地面的地砖、外...
下载后可任意编辑 地砖施工工艺(干铺法)地砖施工工艺(干铺法)1、地面清扫:地砖铺贴前,应将地面清扫洁净,尤其是凝聚后的混凝土和建...
陕西德源府谷能源有限公司输煤系统粉尘治理1、2、3#转运站和皮带廊道的地砖铺设及墙面粉刷工程施工组织设计第 1 章 工程概况、施工准备...
1、施工准备 (1)技术准备 1)设计选定的砖应封样保存,水泥应做复试。大面积铺设应编制施工方案。 2)砖面层下的各层作法应以按设计规定...
下载后可任意编辑楼梯地砖承包合同甲方:河南盛典房地产开发公司乙方:工程名称:周口市开元新城住宅小区 5-10#楼工程地址:周口市开元路...
下载后可任意编辑装修协议委托方(以下简称甲方):_________ 联系电话: 承包方(以下简称乙方): 联系电话: 甲、乙双方在平等、自...
内墙砖、地面砖铺贴分项 工程施工合同 合同编号: 甲 方:甘肃天太建筑安装工程有限公司第 项目部 乙 方: 签订地点: 签订日期:...
1 / 6 墙 地 砖 铺 贴 砖 施 工 合 同 甲 方 ( 全 称 ): 湖 南 省 第 五 建 设 工 程 有 限 公 司 乙...
技术交底记录 编号 表 C 2-1 工程名称 工程机械公租房工程 交底日期 2012 年 6 月 23 日 施工单位 通州建总集团公司 分项...
下载后可任意编辑合 同 书甲方: (以下简称甲方)乙方: (以下简称乙方)依照《中华人民共和国经济合同法》、《建筑安装工程承包合同...
下载后可任意编辑 地砖铺贴砖施工合同 甲方(全称):乙方(全称): 经甲、乙双方协商,甲方将北重一中工程的地砖铺贴等分包给乙方施工...
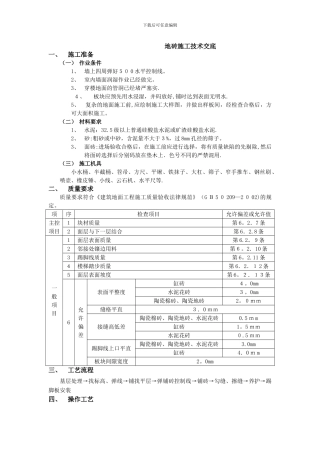
下载后可任意编辑 地砖施工技术交底一、施工准备(一) 作业条件1、墙上四周弹好50 0 水平控制线。2、室内墙面润湿作业已经做完。3、...
内墙砖、地砖工程施工承包合同下载后可任意编辑发包方: 中启胶建集团有限公司 承包方: 工 程 施 工 承 包 合 同 发包单位:中启...
目 录一、编制依据 .................................................................................................................
墙、地砖劳务分包合同甲方: 乙方: 根据《中华人民共和国经济合同法》、《建筑工程施工合同》及有关法律、法规之规定,本着平等、自愿、...
赛锡科技(镇江)有限公司1 # 厂房副楼装饰工程 地面地砖铺贴 施 工 方 案 编制人: 审核人: 审批人: 编制单位:江苏省建筑工程集...
1 第五章 主要分项工程施工方案和技术措施 (二)地面地砖面层铺贴施工 1、施工准备 (1)技术准备 (A)熟悉图纸,了解工程做法和设...
地面地砖铺贴施工工艺 1、材料要求 地砖:其品种、规格质量符合设计及施工规范要求。地砖的抗折强度以及规格尺寸符合设计或者样品要求,...
2 0 1 6 1 / 6 地面地砖施工方案及技术措施 地面地砖施工方案及技术措施提要:提前做好选砖的工作,预先用木条钉方框(按砖的规格...
饰面砖粘贴工程 报验申请表 工程名称:绿地联盛国际6 #楼 编号: 致:江苏创盛项目管理有限公司 我单位已完成了 1 层楼梯间地面瓷...

