编制依据1。1《防火卷帘门通用技术条件》(GB14102-25 )1。2《钢质防火门通用技术条件》(GB12955-1991)1.3《钢化玻璃》(GB9963-98)1.4《建...
防火门监控系统施工方案防火门监控系统是由防火门监控器,防火门电动闭门器,防火门门磁开关,输入输出接等组成。由于防火门分为常闭防火门...
编制依据1。1《防火卷帘门通用技术条件》(GB14102-25 )1. 2《钢质防火门通用技术条件》(GB12955 —1991)1.3《钢化玻璃》(GB9963-98)1.4...
一、安装前的准备工作及相关的配合工作二、安装工艺流程及质量控制1、木质防火门安装工艺2、钢质防火门(窗)安装工艺3、防火卷帘门安装工...
编制依据1。1《防火卷帘门通用技术条件》(GB14102 -25)1。2《钢质防火门通用技术条件》(GB12955-1991 )1。3《钢化玻璃》(GB9963 —98 )...
编制依据1。1《防火卷帘门通用技术条件》(GB14102-25)1。2《钢质防火门通用技术条件》(GB12955-1991)1。3《钢化玻璃》(GB9963 —98)1.4《...
一、编制依据二、工程概况三、施工计划四、施工准备五、安装施工六、工期保证措施七、技术、质量、安装措施八、本工程的工期进度安排及保证...
* * **防火门采购安装工程技术招标文件1 设计及检验依据除另有注明外,所有工程须符合设计要求、图纸和国家、地方及行业相关标准,主要包...
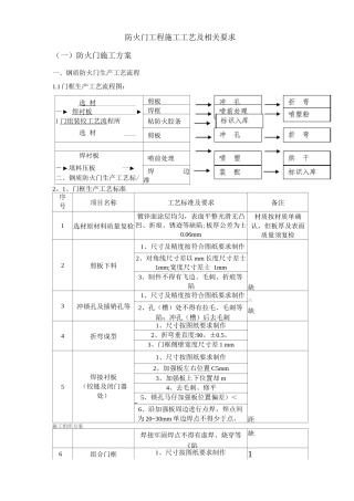
防火门工程施工工艺及相关要求(一)防火门施工方案一、钢质防火门生产工艺流程1.1 门框生产工艺流程图:2。1、门框生产工艺标准序号项目...
防盗门工程验收资料工程名称东营市天信纺织有限公司十万锭精梳纺项目建设单位 山东天信集团监理单位施工单位 东营柏高日盛装饰设计工程有...
一、安装前的准备工作及相关的配合工作二、安装工艺流程及质量控制1、木质防火门安装工艺2、钢质防火门(窗)安装工艺3、防火卷帘门安装工...
一、安装前的准备工作及相关的配合工作二、安装工艺流程及质量控制1、木质防火门安装工艺2、钢质防火门(窗)安装工艺3、防火卷帘门安装工...
目 录一、安装前的准备工作及相关的配合工作二、安装工艺流程及质量控制三、现场成品保护措施四、现场补救措施五、验收及交付方案0/ 6一...
副本 文昌市中南.森海湾项目 (中南海景花园 C3、5、8,C11、11 号楼) 钢质防火门窗制作安装 投 标 书 技 术 标 投标单位名称(...
防火门技术交底交底内容 一、施工准备:1、施工准备1.1 在正式进场前,准备好资质材料及安装人员名单和相关的证书向总包方进行报验审批。...
目 录一、安装前的准备工作及相关的配合工作二、安装工艺流程及质量控制三、现场成品保护措施四、现场补救措施五、验收及交付方案0/ 6一...
一、安装前的准备工作及相关的配合工作错误未定义书签。二、安装工艺流程及质量控制错误!未定义书签。三、 现场成品保护措施错误.味定义书...
防火门安装工艺1、加工制作(1 )外形标准门框与门扇配合部位内侧,宽度尺寸偏差(+2-0 )mm,高度尺寸偏差(+2-0 )mm,两对角线长度之差<3mm...
防火门安装施工方案编制人:审批人:审核人:一、工程概况二、编制依据三、施工准备四、施工工艺五、质量要求与检验标准六、质量保证措施七...
1. 编制依据2. 工程概况 3. 施工准备 3............................................................................................

