电脑桌面
添加小米粒文库到电脑桌面
安装后可以在桌面快捷访问

防火门工程施工方案

防火门工程施工方案_第1页
1/18
防火门工程施工方案_第2页
2/18
防火门工程施工方案_第3页
3/18
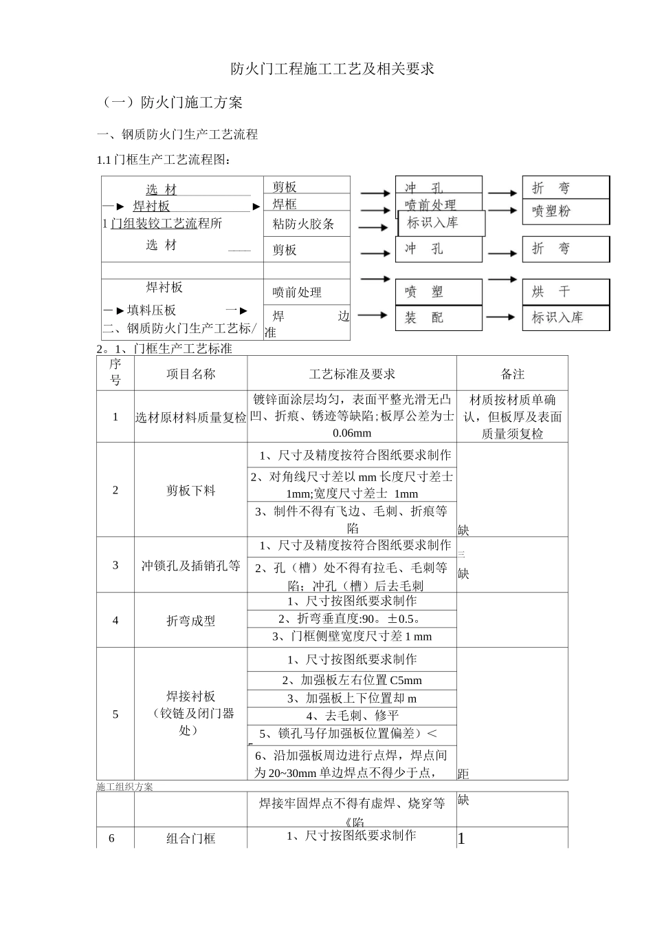
防火门工程施工工艺及相关要求(一)防火门施工方案一、钢质防火门生产工艺流程1.1 门框生产工艺流程图:2。1、门框生产工艺标准序号项目名称工艺标准及要求备注1选材原材料质量复检镀锌面涂层均匀,表面平整光滑无凸凹、折痕、锈迹等缺陷;板厚公差为士 0.06mm材质按材质单确认,但板厚及表面质量须复检2剪板下料1、尺寸及精度按符合图纸要求制作缺2、对角线尺寸差以 mm 长度尺寸差士1mm;宽度尺寸差士 1mm3、制件不得有飞边、毛刺、折痕等陷3冲锁孔及插销孔等1、尺寸及精度按符合图纸要求制作三缺2、孔(槽)处不得有拉毛、毛刺等陷;冲孔(槽)后去毛刺4折弯成型1、尺寸按图纸要求制作2、折弯垂直度:90。±0.5。3、门框侧壁宽度尺寸差 1 mm5焊接衬板(铰链及闭门器处)1、尺寸按图纸要求制作距2、加强板左右位置 C5mm3、加强板上下位置却 m4、去毛刺、修平5、锁孔马仔加强板位置偏差)<5mm6、沿加强板周边进行点焊,焊点间为 20~30mm 单边焊点不得少于点,施工组织方案焊接牢固焊点不得有虚焊、烧穿等《陷缺6组合门框1、尺寸按图纸要求制作1选 材____________—► 焊衬板_____________►1 门组装铰工艺流程所选 材____剪板焊框粘防火胶条剪板焊衬板―►填料压板一►二、钢质防火门生产工艺标/喷前处理焊边准2、焊接平面接要求满焊,焊接后磨平抛光,不得有虚焊、烧穿、气]等缺陷3、其它位置点焊处,焊点间距为 4〜6mm,单边焊点不得少于点,焊接牢固,焊点不得有虚焊、烧穿等缺陷尺寸公差门框内裁高度0 ~ 1mm门框内裁宽度0 1mm形位公差门框内裁两对角线长度差< 2 mm门框正、侧立面的垂直度< 1.5mm7喷塑前处理1、打磨全部焊点,平面焊接处要磨平,光滑2、表面除油、锈洁净,门框清洁处理3、缝隙处原子灰补平8表面喷塑粉1、门框制造检验合格后方可转喷塑工序2、喷塑:颜色根据合同或/和用户要求调颜色,喷塑层均匀、平整、光滑、无堆块、麻点及气泡等3、烘烤温度按塑粉的温度要求士20°C,烘烤后表面平整光滑,色泽鲜艳,喷涂层牢固无缺陷9组装防火铰链1、装配尺寸按图纸要求制作2、防火铰链能支撑门体重量并应转动灵活3、门框、门扇配合活动间隙不大于4 mm10装防火胶条1、防火胶条根据一致性要求领用2、门框内槽粘贴防火胶条11门框顶部装标牌1、装配尺寸按图纸要求制作2、标牌用拉铆钉固定,铆接牢固、可靠3、安装位不得偏斜、歪,标牌与门框性能要求一致12标识入库1、门框外表面贴 PVC 保护带太原天地美建筑安装有限公...

1、当您付费下载文档后,您只拥有了使用权限,并不意味着购买了版权,文档只能用于自身使用,不得用于其他商业用途(如 [转卖]进行直接盈利或[编辑后售卖]进行间接盈利)。
2、本站所有内容均由合作方或网友上传,本站不对文档的完整性、权威性及其观点立场正确性做任何保证或承诺!文档内容仅供研究参考,付费前请自行鉴别。
3、如文档内容存在违规,或者侵犯商业秘密、侵犯著作权等,请点击“违规举报”。

碎片内容

防火门工程施工方案

确认删除?
VIP
微信客服
  • 扫码咨询
会员Q群
  • 会员专属群点击这里加入QQ群
客服邮箱
回到顶部