路缘石安砌的质量通病及防治(一)立道牙基础和牙背填土不实1.现象:基础不实和牙背回填废料、虚土不夯实或夯实达不到要求密度,竣工交付...
B-8-1施工组织设计文字说明........................................................................................51编制依据及原则....
目录一.编制依据-----------------------------------------2-二.工程概况-----------------------------------------2-三.施工部署----...
B-8-1施工组织设计文字说明........................................................................................51编制依据及原则....
路缘石安装质量评定表单位工程名称商河县清源湖水库围坝工程单元工程量100m分部工程名称坝顶公路工程评定日期年月日单元工程名称、桩号路缘...
江苏京沪高速公路有限公司扬州管理处服务区广场路缘石及油漆工程项目施工组第2页共10页编号:时间:2021年x月x日书山有路勤为径,学海无涯...
第1页共26页编号:时间:2021年x月x日书山有路勤为径,学海无涯苦作舟页码:第1页共26页第一章工程概况一、工程简介(一)工程概况:本工程...
江苏京沪高速公路有限公司扬州管理处服务区广场路缘石及油漆工程项目施工组织设计建设单位:京沪高速公路扬州管理处编制单位:扬州天翼园林...
政根底设施工程施工技术交底记录编:政施-10工程名称浦东新区外高桥造船道路工程部位名称道路工程工序名称道路缘石的施工交底日交底上海海...
第一章工程概况一、工程简介(一)工程概况:本工程为天津市汉沽区生态型高新技术产业园区工程,位于汉沽区南部茶淀镇,由我公司承建的修筑...
第1页共51页编号:时间:2021年x月x日书山有路勤为径,学海无涯苦作舟页码:第1页共51页铜梁县永嘉镇城市风貌整治工程竣工资料承包单位:重...
铜梁县永嘉镇城市风貌整治工程竣工资料承包单位:重庆博野建筑工程有限公司日期:年月日目录一、工程竣工报告二、工程开工报告三、施工组织...
B-8-1施工组织设计文字说明........................................................................................51编制依据及原则....
B-8-1施工组织设计文字说明........................................................................................51编制依据及原则....
路缘石施工合同甲方:甘肃亿阳建筑有限公司阿克塞项目部乙方(施工责任方):盛吉兵甲方承建的阿克塞县多坝沟通乡油路改建工程路缘石预制、...
第1页共48页编号:时间:2021年x月x日书山有路勤为径,学海无涯苦作舟页码:第1页共48页铜梁县永嘉镇城市风貌整治工程竣工资料承包单位:重...
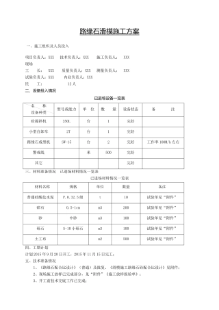
路缘石滑模施工方案一、施工组织及人员投入项目负责人:XXX技术负责人:XXX施工负责人:XXX现场工长:XXX质量负责人:XXX测量负责人:XXX试...
路缘石安装工程专项施工方案一、施工方案及工艺流程1、施工方案小型运输车(三轮车)运输,人工安装。2、工艺流程图二、主要施工方法1、路...
路缘石作业操作实施细则批准人:负责人:编制:批准时间:一、依据《JC899-2002混凝土路缘石》。jc899-2002路缘石.pdf...
第三节路肩、分车带、路侧带与路缘石第三节路肩、分车带、路侧带与路缘石一、路肩的作用及其宽度1.路肩的作用(行车道外缘至路基边缘之...

