电脑桌面
添加小米粒文库到电脑桌面
安装后可以在桌面快捷访问

路缘石滑模施工方案VIP免费

路缘石滑模施工方案_第1页
1/4
路缘石滑模施工方案_第2页
2/4
路缘石滑模施工方案_第3页
3/4
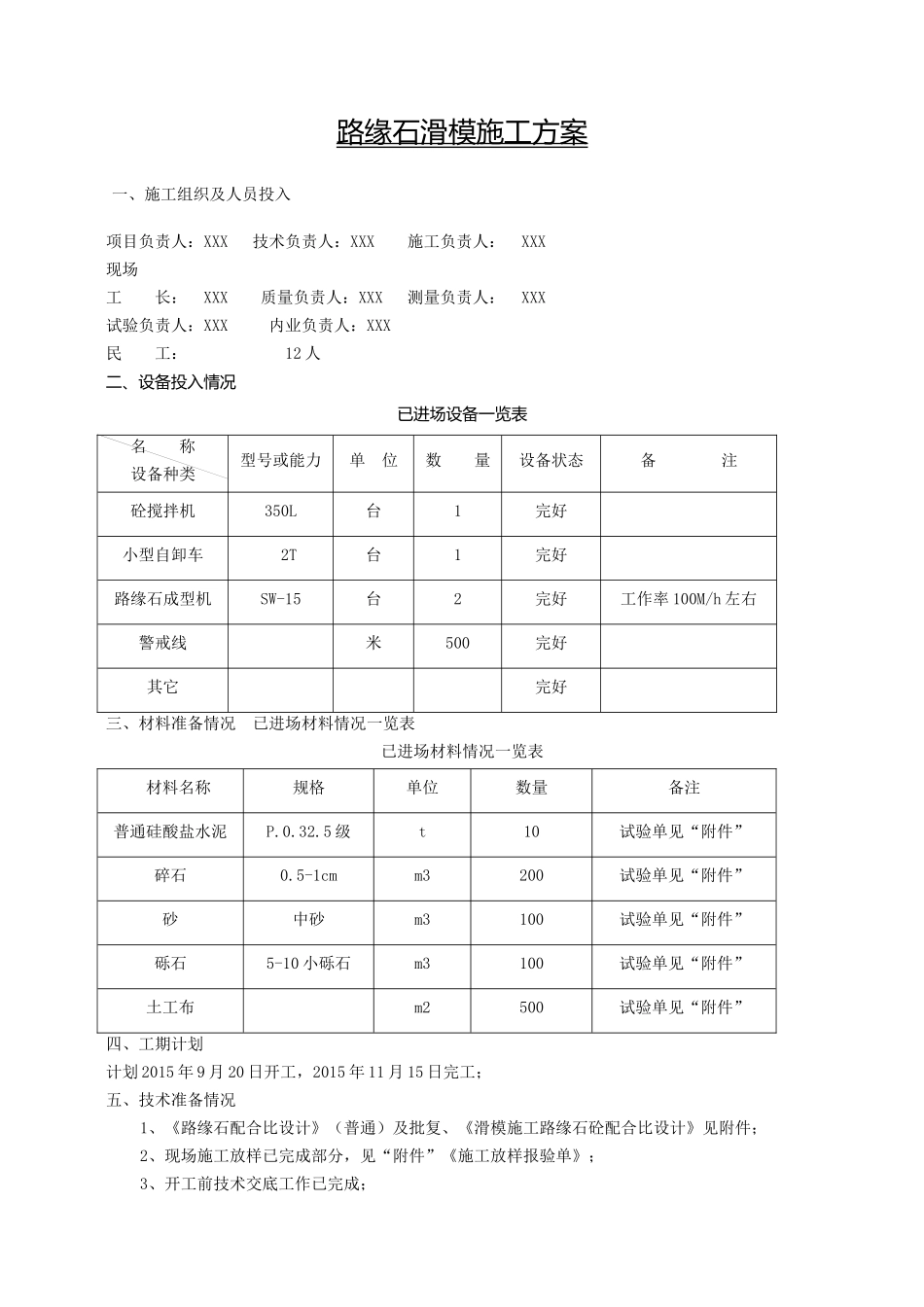
路缘石滑模施工方案一、施工组织及人员投入项目负责人:XXX技术负责人:XXX施工负责人:XXX现场工长:XXX质量负责人:XXX测量负责人:XXX试验负责人:XXX内业负责人:XXX民工:12人二、设备投入情况已进场设备一览表名称设备种类型号或能力单位数量设备状态备注砼搅拌机350L台1完好小型自卸车2T台1完好路缘石成型机SW-15台2完好工作率100M/h左右警戒线米500完好其它完好三、材料准备情况已进场材料情况一览表已进场材料情况一览表材料名称规格单位数量备注普通硅酸盐水泥P.0.32.5级t10试验单见“附件”碎石0.5-1cmm3200试验单见“附件”砂中砂m3100试验单见“附件”砾石5-10小砾石m3100试验单见“附件”土工布m2500试验单见“附件”四、工期计划计划2015年9月20日开工,2015年11月15日完工;五、技术准备情况1、《路缘石配合比设计》(普通)及批复、《滑模施工路缘石砼配合比设计》见附件;2、现场施工放样已完成部分,见“附件”《施工放样报验单》;3、开工前技术交底工作已完成;六、施工工艺及施工控制要点为了避免预制后进行手工砌筑路缘石造成的整条路线路缘石线型不美观、工期过长等弊病,我标路缘石采取滑模施工路缘石的工艺。1、路缘石滑模机工作原理:按路缘石设计尺寸调整好滑模机成型模,在已用墨线标记的路缘石位置上采用小粒径干式砼进行自动滑模成型路缘石,砼的密度主要靠挤料装置中的螺旋叶片的旋转将混合料挤压在成型模中挤压成型。机械的自动向前移动是依靠已成型缘石表面粒料对叶片的反作用力推动整个机械前进。2、材料选用:(1)、水泥:采用符合国家标准GB175规定的普通硅酸盐水泥,我们采用河北冀东普通硅酸盐水泥P.0.32.5级;水泥不能受潮或长时间存放。(2)粗骨料:采用质地坚硬、强度高、耐磨耗、清洁干净的扎制碎石和砾石,针片状颗粒含量不大于15%,最大粒径不宜超过20mm。(3)细骨料:应采用级配良好、颗粒洁净、粒径小于5mm的河砂,砂区宜选用Ⅱ区。3、配合比(重量比):水泥:5-10小砾石:中砂:水=350:898:756:102注:施工时配合比控制以过磅控制为准;4、施工工艺:(1)因混凝土面层左右幅面层已完成,故我们采用第一步先按下面层标高控制施工现浇缘石基础,待达到7天后进行缘石缘身的滑模浇筑;(2)基础施工:上基层顶面按缘石设计平面位置及基础计划控制标高施工放样并清理干净,然后洒水湿润,浇筑砼基础,覆盖洒水养生7天;(3)在已完的基础上正确放样,并用墨线打出,确保墨线线型正确、顺适、美观;(4)按要求拌制好砼,运至现场滑模前不超过3小时;(5)发动路缘石机,左前轮对准墨线,均匀地将拌和料铲入料斗,机械开始滑模施工工作;(6)成型好的路缘石,每间隔10M采用手锯人工切割伸缩缝;(7)用毛刷将成型好的路缘石上零散的混凝土颗粒予以清除;(8)覆盖、洒水养生7天以上。3.2施工准备3.2.1测量放线根据设计要求,水泥混凝土路面完工后,将水泥混凝土路面的两侧边线放出,并将控制点加密,直线段为10m~20m,曲线段为5m。控制点之间用墨线连接,在墨线处测量路宽,不得小于路宽设计。3.2.2切边3.2.2.1切边时,切割机标尺应位于放线中心,操作手用力要均衡,保证切割机匀速前进。3.2.2.2切边时,应将水泥混凝土路面胀模处或超宽处用切割机切割,将切下的砼渣屑及时装车运走。3.2.2.3切边时,用的冷却水不能污染路面,以保证路面的清洁。3.2.2.4切割时要准确,做到直线顺直,曲线圆滑。切边的浮浆、碎屑要及时清除干净。3.3水泥混合料拌和3.3.1采用1台JS750型强制式搅拌机进行拌和,在拌和前应测试碎石、砂的含水量,根据测试结果和天气情况在监理工程师许可的情况下适当调整用水量,使砼的塌落度、水灰比符合设计要求,拌和好的混合料应均匀一致,无生料、干料和离析、成团现象,保证拌料塌落度符合设计及施工要求。3.3.2上料时,设置磅秤车车称重,每种混合料重量不能超过允许误差。料不得串仓,存料不得低于料仓的50%。3.3.3搅拌机每工作4h~5h,要对水泥进入拌缸处进行检查,保持水泥进口的通畅以及确保水泥的供给。同时检查搅拌机有无沉淀凝固淤积锅底现象,如有及时清理。3.3.4水泥混凝土的坍落度应控制在10mm~...

1、当您付费下载文档后,您只拥有了使用权限,并不意味着购买了版权,文档只能用于自身使用,不得用于其他商业用途(如 [转卖]进行直接盈利或[编辑后售卖]进行间接盈利)。
2、本站所有内容均由合作方或网友上传,本站不对文档的完整性、权威性及其观点立场正确性做任何保证或承诺!文档内容仅供研究参考,付费前请自行鉴别。
3、如文档内容存在违规,或者侵犯商业秘密、侵犯著作权等,请点击“违规举报”。

碎片内容

路缘石滑模施工方案

您可能关注的文档

确认删除?
VIP
微信客服
  • 扫码咨询
会员Q群
  • 会员专属群点击这里加入QQ群
客服邮箱
回到顶部