.WORD格式.资料.专业.整理*******项目内墙及天棚腻子涂料工程技术方案编制:审核:批准:.WORD格式.资料.专业.整理一、工程概况..............
内墙饰面砖施工工艺标准1、适用范围本施工工艺标准适用于湖北卓越集团施工的工业与民用建筑内墙饰面砖粘贴工程。2、施工准备2.1材料2.1.1...
精心整理来源网络,仅供个人学习参考内墙顶棚刮腻子施工工艺及质量控制要点1、刮腻子之前凡屋顶存在影响装饰装修的质量缺陷必须全部清理整...
1/6一、施工准备(一)作业条件根据设计图纸要求,按照建筑构造各部位的具体做法和工程量,预先挑选出颜色一致、同规格的面砖,分别堆放并...
精心整理来源网络,仅供个人学习参考内墙釉面砖施工工艺内墙釉面砖,顾名思议只能用于铺贴室内墙面。它属于精陶质制品。釉面细腻光亮如镜。...
精心整理来源网络,仅供个人学习参考内墙腻子粉说明书鼎刮呱内墙腻子粉产品简介:随着人们对居住环境的逐步提高,乳胶漆得到了迅猛的发展和...
内墙装饰施工合同篇一:内墙装修工程合同内墙装修工程合同甲方:乙方:甲方将_______________________工程发包给乙方施工,为了明确双方责...
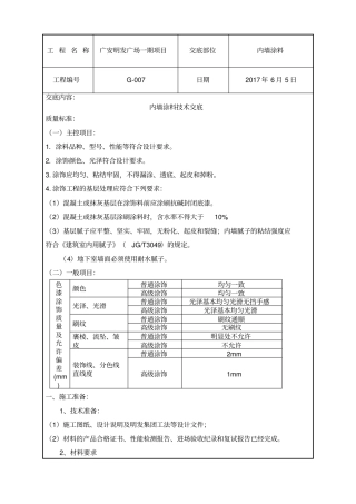
工程名称广安明发广场一期项目交底部位内墙涂料工程编号G-007日期2017年6月5日交底内容:内墙涂料技术交底质量标准:(一)主控项目:1.涂...
内墙腻子涂料施工方案及施工工艺流程一、材料及机具准备涂料、填充料、高凳、脚手板、腻子托板、滚筒、刷子、排笔、小漆桶、砂纸、橡皮刮板...
内墙腻子涂料施工承包合同篇一:内墙腻子及涂料装饰工程施工合同内墙腻子及涂料装饰工程施工合同甲方:乙方:甲方工程发包给乙方施工。为了...
青岛印象金沙滩希尔顿酒店8F、9F客房及走廊精装修工程华鼎建筑装饰工程有限公司1/5青岛金沙滩希尔顿酒店8F9F客房及公共走廊精装修工程内墙...
1.施工准备1.1技术准备1.1.1组织各部门相关人员认真熟悉审核各方提供的有关图纸。参阅有关施工工艺;1.1.2了解材料性能,掌握施工要领,明...
内墙腻子施工合同篇一:内墙腻子及涂料装饰工程施工合同内墙腻子及涂料装饰工程施工合同甲方:乙方:甲方工程发包给乙方施工。为了明确双方...
施工技术交底交底工程名称金太阳商住楼物业办公楼交底时间施工单位新疆峰达建设工程有限责任公司工种粉刷工交底内容:内墙粉刷一、材料及机...
内墙粉刷控制方案年月内墙粉刷控制方案一、粉刷质量控制方式:为了加强对各个分部分项工程的质量控制及施工过程管理,要求监理对各各施工单...
内墙抹灰工程技术质量交底工程名称东兰向阳新城施工单位南通苏中工程有限公司分项工程名称室内粉刷交底内容:1#、3#本交底适用于1#、3#正负...
玻化微珠内保温工程施工方案目录一、本方案编制依据二、材料要求及材料配制三、作业条件四、构造要求五、工艺流程六、施工要点七、成品保护...
精心整理来源网络,仅供个人学习参考1、工艺流程:清理墙面—基层处理—湿润墙面—找方冲筋—抹底层灰—阴阳角处理—抹面层灰—压光—抹踢...
神华小区二期工程17#楼内墙涂料工程施工方案一、工程概况本工程为神华新村二期N6标段住宅小区项目工程,位于神木县新村,地上为26层地下3层...
湖玺·雁鸣墅语内墙涂料工程专项施工方案编制:审批:施工单位:编制日期:2016年3月17日施工方案工程简介一、工程概况:临沂公寓临沂公寓...

