第1页共84页编号:时间:2021年x月x日书山有路勤为径,学海无涯苦作舟页码:第1页共84页建筑设备安装工程隐蔽验收记录湘质监统编施2002-52...
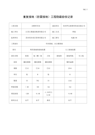
DQ2.5重复接地(防雷接地)工程隐蔽验收记录工程名称1#堆焊车间建设单位苏州罗克莱堆焊科技有限公司施工单位江苏江都建设集团有限公司施工...
第1页共75页编号:时间:2021年x月x日书山有路勤为径,学海无涯苦作舟页码:第1页共75页SG-013建筑工程隐蔽检验记录工程名称四川省烟草公...
第1页共60页编号:时间:2021年x月x日书山有路勤为径,学海无涯苦作舟页码:第1页共60页建筑设备安装工程隐蔽验收记录湘质监编施2002-52工...
第1页共39页编号:时间:2021年x月x日书山有路勤为径,学海无涯苦作舟页码:第1页共39页(RFJ01-2002)7.1-1一般抹灰(普通)分项工程质...
第1页共84页编号:时间:2021年x月x日书山有路勤为径,学海无涯苦作舟页码:第1页共84页建筑设备安装工程隐蔽验收记录湘质监统编施2002-52...
第1页共76页编号:时间:2021年x月x日书山有路勤为径,学海无涯苦作舟页码:第1页共76页SG-013建筑工程隐蔽检验记录工程名称板桥镇千秋村...
第1页共76页编号:时间:2021年x月x日书山有路勤为径,学海无涯苦作舟页码:第1页共76页SG-013建筑工程隐蔽检验记录工程名称德阳市龙井社...
01Chapter隐蔽工程定义0102隐蔽工程验收的重要性确保工程质量提高效率通过隐蔽工程验收,可以及时发现和解决施工中的问题,避免因隐蔽工程...
重要隐蔽单元工程(关键部位单元工程)质量等级签证表单位工程名称余庆县康寨大堰至满溪河口治理工程单元工程量分部工程名称余庆河4+475~10...
文档可编辑暗龙骨吊顶隐蔽工程检查验收记录编号:〔0118〕/0302/〔0402/0516/0617/08200901〕□□□工程名称施工单位施工...
关于加强江苏省高速公路旁站监理管理的通知为确保我省高速公路隐蔽工程、关键工序的施工质量,加强对旁站监理的管理是当务之急。目前我省高...
隐蔽工程验收记录质控(建)表4。1.5.3共页第页工程名称分部(子分部)工程名称隐蔽项目施工单位分项工程名称隐蔽日期隐蔽内容施工单位检查...
隐蔽工程检查验收记录年月日工程名称吴起县规划二路延伸工程施工单位延安嘉苑建筑工程有限责任公司隐检项目沙砾石基层隐检范围K0+00-K0+50...
表C3—5—1建筑节能隐蔽工程验收记录编号工程名称隐蔽验收部位隐检依据外墙玻化微珠保温隐检项目隐检时间施工图纸,验收规范外墙保温隐检内...
隐蔽工程自检报告XX县区配网改造工程自检报告和静供电分公司:我公司承建的“XX县区配网改造工程”于2009年11月1日开工,2009年12月30日完...
工程名称工程地点结构类型面积/高度建设单位施工单位资质等级项目负责人资质等级事故发生时间及部位估计经济损失伤亡人数事...
分发号:持册人:文件编号:SDJY.376.309—04—2000版号:江苏省电力建设第一工程公司隐蔽工程质量控制程序编制:朱久才2000年8月3日房金章...
第1页共24页编号:时间:2021年x月x日书山有路勤为径,学海无涯苦作舟页码:第1页共24页屋面节能工程隐蔽工程质量验收记录表验收执行规范编...
房屋建筑工程隐蔽工程验收项目及内容[1]地基与基础工程:《建筑地基基础工程施工质量验收标准》GB50202--2018A、土方工程检查基底清理情况,...

