电脑桌面
添加小米粒文库到电脑桌面
安装后可以在桌面快捷访问

人防土建、水电的检验批及隐蔽工程VIP专享VIP免费

人防土建、水电的检验批及隐蔽工程_第1页
1/39
人防土建、水电的检验批及隐蔽工程_第2页
2/39
人防土建、水电的检验批及隐蔽工程_第3页
3/39
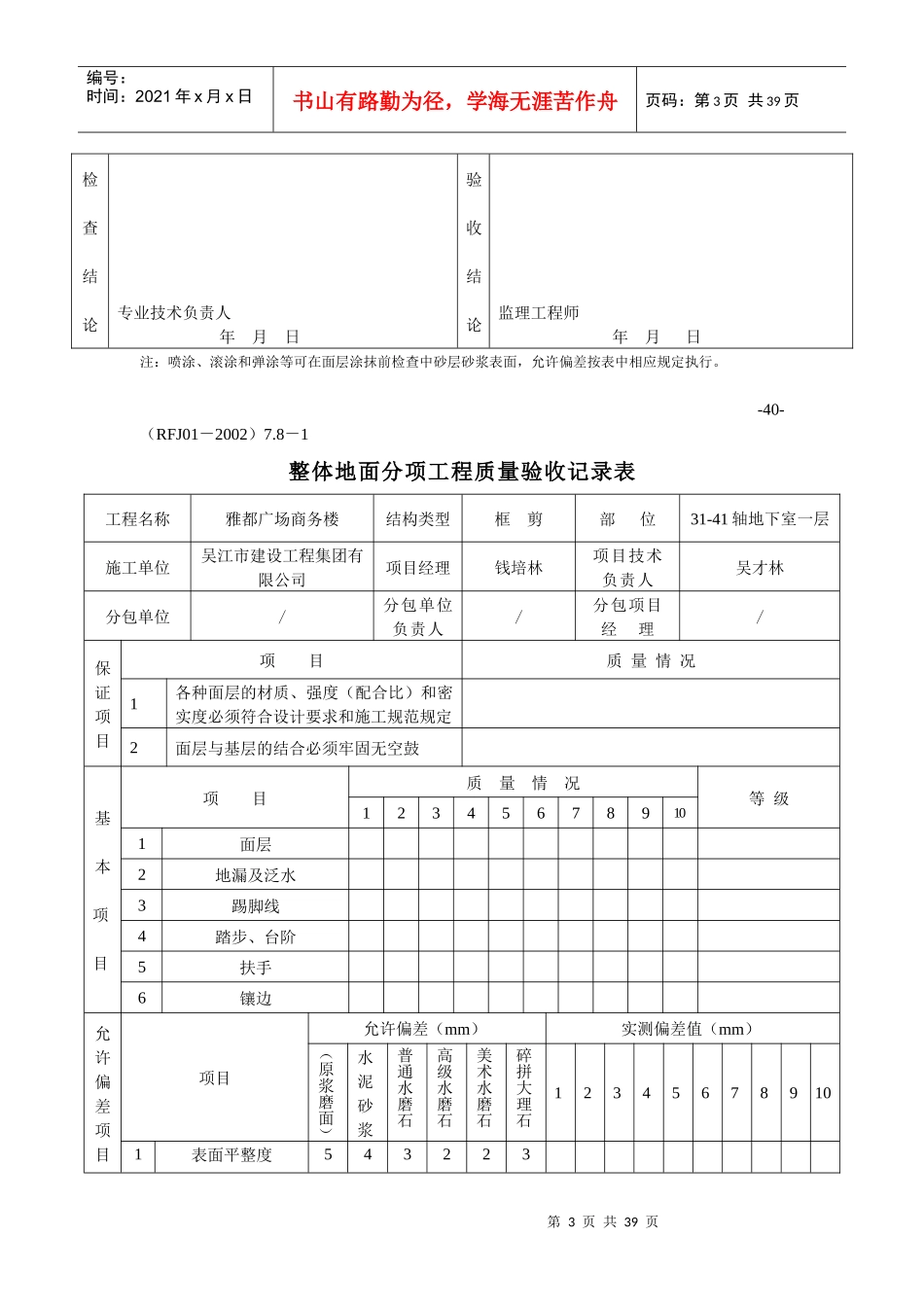
第1页共39页编号:时间:2021年x月x日书山有路勤为径,学海无涯苦作舟页码:第1页共39页(RFJ01-2002)7.1-1一般抹灰(普通)分项工程质量验收记录表工程名称雅都广场商务楼结构类型框剪部位31-41轴地下室一层施工单位吴江市建设工程集团有限公司项目经理钱培林项目技术负责人吴才林分包单位∕分包单位负责人∕分包项目经理∕保证项目项目质量情况1材料的品种、质量必须符合设计要求。各抹抹灰层之间及抹灰层与基体之间必须粘结牢固,无脱层、空鼓,面层无爆灰和裂缝(风裂除外)等缺陷符合要求基本项目项目质量情况等级123456789101表面2孔洞、槽、盒和管道后面抹灰表面3门窗框与墙体间缝隙4分格条(缝)允许偏差项目项目允许偏差(mm)实测偏差值(mm)普通中级高级123456789101立面垂直-532表面平整5423阴阳角垂直-424阴阳角方正-425分格条(缝)平直-3-检查结果保证项目基本项目检查项,其中优良项,优良率﹪允许偏差项目实测点,其中合格点,合格率﹪第2页共39页第1页共39页编号:时间:2021年x月x日书山有路勤为径,学海无涯苦作舟页码:第2页共39页检查结论专业技术负责人年月日验收结论监理工程师年月日-37-(RFJ01-2002)7.2-3喷涂、滚涂和弹涂分项工程质量验收记录表工程名称雅都广场商务楼结构类型框剪部位31-41轴地下室一层施工单位吴江市建设工程集团有限公司项目经理钱培林项目技术负责人吴才林分包单位/分包单位负责人/分包项目经理/保证项目项目质量情况材料的品种、质量必须符合设计要求。各抹灰层之间及抹灰层与基体之间必须粘结牢固,无脱层、空鼓和裂缝等缺陷基本项目项目质量情况等级123456789101表面2分格条(缝)允许偏差项目项目允许偏差(mm)实测偏差值(mm)123456789101立面垂直52表面平整43阴阳角垂直44阴阳角方正45分格条(缝)平直3检查结果保证项目基本项目检查项,其中优良项,优良率﹪允许偏差项目实测点,其中合格点,合格率﹪第3页共39页第2页共39页编号:时间:2021年x月x日书山有路勤为径,学海无涯苦作舟页码:第3页共39页检查结论专业技术负责人年月日验收结论监理工程师年月日注:喷涂、滚涂和弹涂等可在面层涂抹前检查中砂层砂浆表面,允许偏差按表中相应规定执行。-40-(RFJ01-2002)7.8-1整体地面分项工程质量验收记录表工程名称雅都广场商务楼结构类型框剪部位31-41轴地下室一层施工单位吴江市建设工程集团有限公司项目经理钱培林项目技术负责人吴才林分包单位/分包单位负责人/分包项目经理/保证项目项目质量情况1各种面层的材质、强度(配合比)和密实度必须符合设计要求和施工规范规定2面层与基层的结合必须牢固无空鼓基本项目项目质量情况等级123456789101面层2地漏及泛水3踢脚线4踏步、台阶5扶手6镶边允许偏差项目项目允许偏差(mm)实测偏差值(mm)(原浆磨面)水泥砂浆普通水磨石高级水磨石美术水磨石碎拼大理石123456789101表面平整度543223第4页共39页第3页共39页编号:时间:2021年x月x日书山有路勤为径,学海无涯苦作舟页码:第4页共39页2踢脚线上口平直4433--3缝格平直33321-检查结果保证项目基本项目检查项,其中优良项,优良率﹪允许偏差项目实测点,其中合格点,合格率﹪检查结论专业技术负责人年月日验收结论监理工程师年月日-48-(RFJ01-2002)6.2-1钢筋混凝土防护门、防护密闭门、密闭门安装分项工程质量验收记录表工程名称雅都广场商务楼结构类型框剪部位31-41轴地下室一层施工单位吴江市建设工程集团有限公司项目经理钱培林项目技术负责人吴才林分包单位/分包单位负责人/分包项目经理/保证项目项目质量情况1防护门、防护密闭门、密闭(屏蔽)门的型号、规格、抗压强度必须符合设计要求和人防工程防护设配产品质量检验标准的规定2门窗上下铰页受力均匀,门窗与门框粘合严密,门窗关闭后密闭胶条压缩量均匀,严密不漏气3密封条接头粘结牢固、平整4门扇能自由开到终止位置基本项目项目质量情况等级123456789101启闭2零部件允许偏差项项目允许偏差(mm)实测偏差值123456789101门扇与L≤20002.522000<L≤30003第5页共39页第4页共39页编号:时间:2021年x月x日书山有路勤为径,学海无涯苦作舟页码:...

1、当您付费下载文档后,您只拥有了使用权限,并不意味着购买了版权,文档只能用于自身使用,不得用于其他商业用途(如 [转卖]进行直接盈利或[编辑后售卖]进行间接盈利)。
2、本站所有内容均由合作方或网友上传,本站不对文档的完整性、权威性及其观点立场正确性做任何保证或承诺!文档内容仅供研究参考,付费前请自行鉴别。
3、如文档内容存在违规,或者侵犯商业秘密、侵犯著作权等,请点击“违规举报”。

碎片内容

人防土建、水电的检验批及隐蔽工程

确认删除?
VIP
微信客服
  • 扫码咨询
会员Q群
  • 会员专属群点击这里加入QQ群
客服邮箱
回到顶部