压力容器制造/安装/改造/维修质量保证手册文件编号:XX/SC-XX版本编号:第X版第X次修订受控状态:受控非受控发放编号:XXXX-XX-XX(年-月-日...
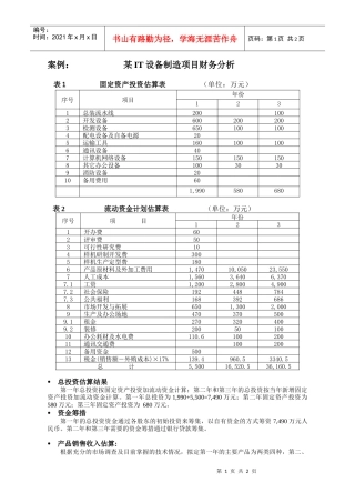
第1页共2页编号:时间:2021年x月x日书山有路勤为径,学海无涯苦作舟页码:第1页共2页案例:某IT设备制造项目财务分析表1固定资产投资估算...
A、营销策略中的文化营销技巧一、标准化生产和安装、维护、维修是企业进行文化营销的前提基础;二、抢占客户的“天窗”——客户的“眼”、...
第1页共12页编号:时间:2021年x月x日书山有路勤为径,学海无涯苦作舟页码:第1页共12页8T智能沥青洒布车配置详细说明公司简介:山东奥邦(...
第1页共9页编号:时间:2021年x月x日书山有路勤为径,学海无涯苦作舟页码:第1页共9页武汉三工光电设备制造有限公司企业简介企业介绍武汉三...
(报批稿)建设项目环境影响报告表(试行)项目名称粉末冶金专用设备制造建设单位(盖章)株洲瑞德尔冶金设备制造有限公司编制日期:2015年...
第1页共78页编号:时间:2021年x月x日书山有路勤为径,学海无涯苦作舟页码:第1页共78页沈阳希特尔机械设备制造有限公司厂区施工组织设计沈...
第1页共27页编号:时间:2021年x月x日书山有路勤为径,学海无涯苦作舟页码:第1页共27页铸铁省煤器安装记录JL1219-2008建设单位工程名称锅...
山东日照润峰混凝土有限公司工业厂房刹车片项目招商报告二OO七年九月第12页共18页编号:时间:2021年x月x日书山有路勤为径,学海无涯苦作舟...
第1页共6页编号:时间:2021年x月x日书山有路勤为径,学海无涯苦作舟页码:第1页共6页山西晋冶冶金机械设备制造有限公司,位于山西南部的临...
第1页共26页编号:时间:2021年x月x日书山有路勤为径,学海无涯苦作舟页码:第1页共26页3631食品、饮料、烟草工业专用设备制造指主要用于食...
第1页共8页编号:时间:2021年x月x日书山有路勤为径,学海无涯苦作舟页码:第1页共8页附件2特种设备制造许可单位基本条件起重机械产品名称...
http://www.unbank.info1服务电话:(8610)63458516银联信行业金融系列研究报告(2010-2011年)中国铁路运输设备制造行业年度授信政策指引...
目录第一章总论..........................................................................................1一、项目概况................
矿业设备制造项目可行性研究报告(立项+批地+贷款)编制单位:北京中投信德国际信息咨询有限公司编制时间:二〇二四二〇二四年十二月咨询师...
目录初步结论............................................................1I通信设备制造行业信贷背景知识...............................
立体停车设备制造、安装、维修质量保证手册RHX/SC.TX1-2014-9受控状态:A/0批准:周春峰审核:郝天山编制:陆阿静河南瑞合祥科技有限公司20...
1.2压力容器基本知识1.2.1概述1.2.1.1压力容器的定义及用途从广义上说,凡承受流体介质压力的密闭壳体都可称作压力容器。按GB150-1998《钢...
第1页共4页编号:时间:2021年x月x日书山有路勤为径,学海无涯苦作舟页码:第1页共4页2010-2015中国移动通信及终端设备制造调研及投资商机...
2015-2020年中国通信设备制造行业现状分析与发展趋势研究报告报告编号:1667616中国产业调研网www.cir.cn投资机会分析市场规模分析市场供需...

