TSZS001-2003特种设备制造许可申请书申请单位:设备种类:申请日期:申请类别:国家质量监督检验检疫总局制申请单位基本情况单位名称所在...
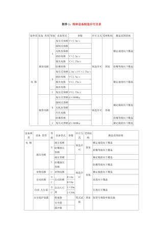
附件1:特种设备制造许可目录备种类设备类型等级设备型式参数许可方式受理机构覆盖范围原则电梯乘客电梯A曳引式客梯V>2.5m/s制造许可国家...
环保设备制造公司绩效考核【行业属性】环保设备制造【企业背景】某环保设备公司成立于上世纪90年代中期。近年来由于国家对环境保护事业的日...
中国雷达及配套设备制造行业运行态势及十三五规划研究报告2016-2021年编制单位:北京智博睿投资咨询有限公司【报告目录】:第一部分产业发...
电子专用设备制造什么是行业研究报告行业研究是通过深入研究某一行业发展动态、规模结构、竞争格局以及综合经济信息等,为企业自身发展或行...
普通高等学校“十一五”国家级规划教材过程设备制造检测——课程设计指导书陕西科技大学机电教研室编著过控专业系主任审化学工业出版社教材...
附件1:特种设备制造许可目录设备种类设备类型等级设备型式参数许可方式受理机构覆盖范围原则电梯乘客电梯A曳引式客梯V>2.5m/s制造许可国...
机电类特种设备制造许可规则第一章总则第一条为了规范机电类特种设备制造许可工作,确保机电类特种设备的制造质量和安全技术性能,根据《特...
2016-2022年中国家用音响设备制造市场评估及市场行情动态报告凯德产业经济研究中心www.cnkaide.com行业研究报告的定义行业研究是通过深入研...
广西梧州××机械设备制造有限公司质量管理体系文件压力容器设计质量保证手册(第二版)编制:李××××审核:钟××批准:××受控状态:...
第一章管理现状及需求分析广州珠江电信设备制造有限公司领导锐意进取,追求卓越,以造就一流的企业为目标,不断发展和完善产品系列在企业管...
海洋工程配套设备制造什么是行业研究报告行业研究是通过深入研究某一行业发展动态、规模结构、竞争格局以及综合经济信息等,为企业自身发展...
第1页共35页编号:时间:2021年x月x日书山有路勤为径,学海无涯苦作舟页码:第1页共35页北京市广播电视设备制造行业市场调研及领先企业经营...
第1页共32页编号:时间:2021年x月x日书山有路勤为径,学海无涯苦作舟页码:第1页共32页如何编制2013版智能输配电及控制设备制造项目商业计...
第1页共31页编号:时间:2021年x月x日书山有路勤为径,学海无涯苦作舟页码:第1页共31页北京博思远略咨询有限公司投资研究部二零一三年一月...
第1页共32页编号:时间:2021年x月x日书山有路勤为径,学海无涯苦作舟页码:第1页共32页如何编制2013版智能型无水印染设备制造项目商业计划...
南水北调东线第一工程枣庄截污导流工程金属构造设备制造监理细那么山东水业开展研究院二〇〇九年二月南水北调东线第一工程枣庄截污导流工程...
8T智能沥青洒布车配置详细说明公司简介:山东奥邦(集团)有限公司是一家集交通设施施工、路面施工、桥面防水施工、公路工程机械设备制造等...
第1页共31页编号:时间:2021年x月x日书山有路勤为径,学海无涯苦作舟页码:第1页共31页北京博思远略咨询有限公司投资研究部二零一三年一月...
山西晋冶冶金机械设备制造有限公司,位于山西南部的临汾市。地处临汾、运城、晋城三市的中心地带,具有得天独厚的煤、铁资源优势,高速公路...

