特种设备制造许可申请书填写说明1适用范围包括锅炉、压力容器、压力管道元件、电梯、起重机械、客运索道、大型游乐设施,以及所属的安全附...
TSG特种设备安全技术规范TSGZ0005-2007特种设备制造、安装、改造、维修许可鉴定评审细则AppraisalandAssessmentRulesforSpecialEquipmentL...
2.精馏塔制造实例介绍2.1精馏塔上封头制造工艺设计模板上封头的总体生产工艺过程(工艺过程):原材料入库→原材料复检→预处理→划线及标...
安全生产标准化三级企业申报材料成都电力设备制造分公司2013年12月28日成都电力设备制造分公司电力字[2013]08号关于申请三级安全生产标准化...
环保设备制造公司绩效考核【行业属性】环保设备制造【企业背景】某环保设备公司成立于上世纪90年代中期。近年来由于国家对环境保护事业的日...
本特种设备制造质保体系文件依据本特种设备制造质保体系文件依据TSGD2001-2006、TSGZC001-2009和TSGZ0004-2007安全技术规范编写安全技术规...
更多企业学院:《中小企业管理全能版》183套讲座+89700份资料《总经理、高层管理》49套讲座+16388份资料《中层管理学院》46套讲座+6020份...
东莞家用视听设备制造企业黄页1.东莞虎门泰达电子有限公司2.东莞常平大东骏通电子有限公司3.东莞虎门富士高实业有限公司4.东莞精恒电子有限...
TGS特种设备安全技术规范TSGZ0005—2007特种设备制造、安装、改造、维修许可鉴定评审细则AppraisalandAssessmentRulesforSpecialEquipmentL...
更多企业学院:《中小企业管理全能版》183套讲座+89700份资料《总经理、高层管理》49套讲座+16388份资料《中层管理学院》46套讲座+6020份...
一、风力发电行业的发展现状1.世界风力发电行业的发展现状根据全球风能理事会的统计数据,截至2008年底,世界风电总装机容量达到12079万千...
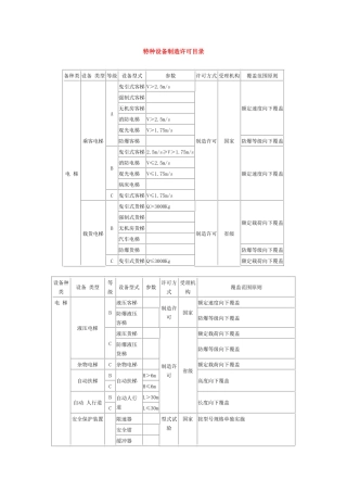
特种设备制造许可目录备种类设备类型等级设备型式参数许可方式受理机构覆盖范围原则电梯乘客电梯A曳引式客梯V>2.5m/s制造许可国家额定速度...
徐州市胜亚臭氧设备制造有限公司TEL:0516-83728318WWW.XZO3.COMFAX:0516-83728398臭氧发生器关键字:臭氧.臭氧机.臭氧发生器.臭氧知识概述:...
4.加氢反应器制造工艺实例4.1加氢上封头制造工艺实例介绍上封头的总体生产工艺过程(工艺流程)图4-1,工艺流程图原材料检验→喷砂→UT检测...
起重运输设备制造什么是行业研究报告行业研究是通过深入研究某一行业发展动态、规模结构、竞争格局以及综合经济信息等,为企业自身发展或行...
6.循环氢分液灌制造工艺设计实例6.1循环氢分液灌封头制造工艺介绍封头的总体生产工艺过程(工艺流程)封头的强度计算--材料的净化--矫形--...
2010-2012年计算机网络设备制造行业全景调研及领先企业分析【出版日期】2010年6月【报告页码】350页【图表数量】150个【印刷版价】3000元【...
TGS特种设备安全技术规范TSGZ0005—2007特种设备制造、安装、改造、维修许可鉴定评审细则AppraisalandAssessmentRulesforSpecialEquipmentL...
机电类特种设备制造许可规则(试行)(2003年6月17日,国质检锅[2003]174号)机电类特种设备制造许可规则(试行)(2003年6月17日,国质检...
TSZS001-2003特种设备制造许可申请书申请单位:设备种类:申请日期:申请类别:国家质量监督检验检疫总局制申请单位基本情况单位名称所在...

