真石漆施工方案 一、工程概况: 1、工程名称: 2、项目位置:扬州市江阳路万马滨河城 二、编制依据: 《建筑工程施工质量验收统一标准...
外墙真石漆施工质量控制要点及验收标准 一 、原材料质量控制 为了保证真石漆涂层的整体性和装饰效果,真石漆施工分为封闭底漆、真石漆中...
* * * * * * 2 # 商业 楼 真 石 漆 施 工 方 案 *****建 设 集 团 有 限 公 司 二0 一一年八月二 十日 1 目...
1 / 16 目 录 第一章:编制说明----------------------------------------------------------------------------------02 第二章:工...
宏 伟 西 雅 图 地 产 有 限 公 司 绿 色 港 湾 9# 11#楼 外 真 石 漆 工 程 外 墙 工 程 施 工 方 案 许...
第 1 页 共 6 页 外墙真石漆施工工艺 一、真石漆概念 真石漆工艺,由高性能树脂乳液,各种天然彩砂和多种助剂配制而成的厚浆型“质...
第 1 页 共 11 页 [外 墙 真 石 漆 施 工 方 案 ] 外 墙 真 石 漆 修补方 案 外墙真石漆工程施工方案 (27#、56#、...
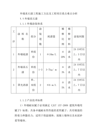
外墙真石漆施工方案及技术措施 (一)施工工艺流程及样板 1。1 施工工艺流程:基层处理---找平腻子---一遍底涂—--喷涂真石漆--—罩面漆-...
1 一、工程概况 本工程为框架结构,地上六层,局部七层,建筑高度23.85米,本工程外墙为真石漆,特制定以下施工工艺及质量控制标准...
(此文档为Word 格式,下载后可以任意编辑修改!) (文件备案编号:) 施工方案 工程名称: 编制单位: 编 制 人: 审 核 人:...
海 宁 碧 桂 园 —外墙仿石涂料施工方案 1 目 录 目 录............................................................1 第一章...
外墙真石漆施工方案(绝对详细) 外墙真石漆施工方案(绝对详细) 凤凰家园社区一标段 3 #-6 #楼、2 1 #-2 4 #楼 外墙真石漆施工方案...
陕建六建集团安康付家河项目部………………………外墙真石漆施工方案 1 外墙真石漆工程施工方案 (27#、56#、57#楼) 编制: 审核:...
1 外墙真石漆施工措施及方案(最新版) 一、外墙真石漆基面施工验收标准及检查方法: 本工程采用 EPS 板薄抹灰外保温系统,因此在外保...
外墙真石漆施工工艺流程 一、外墙真石漆施工工艺流程 1 .基面处理 2 .批刮找平腻子 3 .滚涂抗碱底漆或封固底漆(黑色底或同色底) ...
第 1 页 共 9 页 外墙真石漆施工工艺 一、真石漆概念 真石漆工艺,由高性能树脂乳液,各种天然彩砂和多种助剂配制而成的厚浆型“质...
上海旌翔建材科技有限公司 第 1 页 共 8 页 外墙真石漆施工工艺方案 一、工程的重要性 真石漆作为外墙饰面关系重大,一流产品加上...
外墙真石漆施工工艺 一、 基底处理 1.外墙抹灰应分层进行;表面用木抹一遍、铁抹一遍;但不压光;水泥砂浆配比应符合施工规范要求;不得含...
外 墙 真 石 漆 技 术 交 底 一 、 施 工 准 备 : ( 一 ) 材 料 准 备 : 碎 石 真 石 漆 45 吨 。 (...
南通海广置业有限公司 外墙真石漆招标文件 - 1 - 狮山华庭项目真石漆、涂料 招 标 文 件 招标单位: 南 通 海 广 置 业 ...

