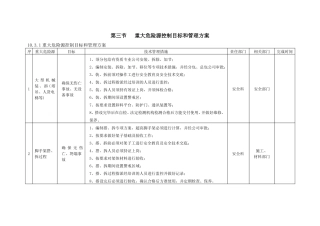
施 工 企 业 重 大 危 险 源 预 防 监 控 措 施 和 应 急 预 案 为 进 一 步 加 强 我 公 司 建 筑 施 工...
企业通过员工手册等重大规章制度工会职代会通过流程 Revised as of 23 November 2020 企业通过《员工手册》等重大规章制度“工会、...
重大问题的议事规则及决策程序范文合集 重大问题的议事规则及决策程序 为了保证重大问题决策的规范化、程序化、制度化,使之具有科学性和...
下载后可任意编辑小学重大安全事故应急预案方案为增强学校突发重大安全事故的应急处理的针对性、科学性和实效性,最大限度的减少安全事故所...
下载后可任意编辑小学重大安全事故应急处理预案范本根据上级校园重大安全事故应急处理预案的要求,为有效应对可能发生的学校重大安全事故,...
下载后可任意编辑学校突发性重大事件应急预案为了加强学校的安全综治工作,及时、有效地预防、控制和妥善处置学校重大突发性事件,提高快速...
下载后可任意编辑医院重大紧急事故应急救援预案模板一、总则(一)为仔细落实学校安全事故防范措施,遏制事故(尤其是重大事故)的发生,最大限...
下载后可任意编辑医院重大紧急事故应急救援预案模板一、总则(一)为仔细落实学校安全事故防范措施,遏制事故(尤其是重大事故)的发生,最大限...
下载后可任意编辑公司重大突发事件总体应急预案范文一、总则(一)编制目的为了进一步加强公司管理和公共服务职能,有效预防、及时控制和妥善...
下载后可任意编辑2024 连续年无重大森林火灾总结卧薪尝胆抓防火呕心沥血保资源神农架林区位于___省的西部,总面积平方公里,是全国唯一以...
下载后可任意编辑2024 年镇春季重大动物疫病防控工作总结今年全市春季重大动物疫病防控工作会议后,我镇迅速行动起来,切实贯彻落实全市春...
下载后可任意编辑2024 年重大节日期间食品安全监管的工作总结为切实保障__年中秋国庆节期间食品消费安全,严防重大食品安全事故发生,确保...
下载后可任意编辑2024 年连续年无重大森林火灾总结卧薪尝胆抓防火呕心沥血保资源神农架林区位于___省的西部,总面积平方公里,是全国唯一...
2010 年 自 2009 年 9 月 中 旬 , 中 国 云 南 、 贵 州 、 广 西 等 地 气 象 干 旱 露 头 , 10 月 下...
中国移动通信企业标准 QB-╳╳-╳╳╳-╳╳╳╳ 中国移动全网重大通信故障定义 版本号:V4.1 中国移动通信集团公司 发布 ╳╳╳╳- ...
·1· 中国石油天然气集团公司重大危险源管理办法 中 油 质 安 字 〔2006〕740 号 第一章 总 则 第一条 为加强中国石油天然气...
1、文化产业是一个经济与文化历史发展融合而成的概念,根据所处的历史阶段的不同,文化产业的概念有不同的表现形式 正确 错误 2、当代文...
中国开发内陆港战略意义重大 张荣忠 (2009-4-9 16:14:56) 中国开发内陆港战略意义重大 张荣忠 内陆港,有的地方称其为“无水港”或者...
中国国电集团公司重大事故预防措施 1 防止人身伤亡事故 为防止人身伤亡事故发生,应认真遵守《中华人民共和国安全生产法》,严格执行中...
中 国 历 史 上 重 大 自 然 灾 害 地 教 091 张 东 婷 09264145 两 汉 的 震 灾 ——天 灾 与 人 祸 交 织...

