射线底片评定一次性规定资料课件目录•射线底片评定一次性规定•射线底片评定一次性规定实施案例分析•射线底片评定一次性规定实施经验总结...
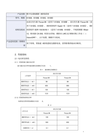
1产品名称数字化透视摄影X射线系统型号、规格6100A、6100B、6100C、6100D结构及组成由高压发生器Focus-08(适用于6100A、6100B)、高压发生...
射线探伤工艺标准
第1页共43页编号:时间:2021年x月x日书山有路勤为径,学海无涯苦作舟页码:第1页共43页第二类X射线诊断设备技术审评指南(第二稿)一、前...
渤海船舶职业学院(毕业论文)专用纸-1-前言船舶制造业自20世纪初开始研究焊接应用技术,并于1920年以英国船厂首次采用焊接技术建造远洋船...
第1页共8页编号:时间:2021年x月x日书山有路勤为径,学海无涯苦作舟页码:第1页共8页目录一新型X射线防护产品二新型患者射线防护产品三柔...
盐都区尚庄镇卫生院数字化高频X射线摄影机(DR)采购项目竞争性谈判文件项目编号:YDYX[2010]-TP17盐城市盐都区药械招标采购管理中心二○一...
1、范围1.1、本工艺适用于承压设备金属材料受压元件的熔化焊对接接头的X射线和γ射线检测技术和质量分级要求。1.2、本工艺适用于承压设备受...
数字化医用X射线摄影系统产品技术要求tongyong0
******Co.,Ltd.焊缝检验规程4Rev.:0Page:1of14Title:RADIOGRAPHICEXAMINATIONPROCEDUREFORBUTTWELDSRADIOGRAPHICEXAMINATIONPROCEDUREFORBU...
NJBSTCo.,Ltd.QCD-012Rev.:0Page:1of17Title:RADIOGRAPHICEXAMINATIONPROCEDUREFORBUTTWELDSRADIOGRAPHICEXAMINATIONPROCEDUREFORBUTTWELDS...
承压设备无损检测第2部分:射线检测1范围JB/T4730的本部分规定了承压设备金属材料板和管的熔化焊对接接头的X射线和γ射线检测技术和质量分...
数字化医用X射线摄影系统产品技术要求mairui
实验一曝光曲线的制作一、实验目的与任务1.掌握常用曝光曲线的制作方法;2.制作某一型号X射线机的曝光曲线。二、实验设备与器材1.X射线...
1射线检测习题集共:228题其中:是非题76题选择题99题问答题27题计算题26题2一、是非题1.原子序数Z等于原子核中的质子数量。()2.原子序...
放射线对肝肾功能及遗传影响的研究南京市疾病预防控制中心金山医院宋海燕夏思泉*南京医科大学公共卫生学院王俊华吴鸣庄琦周建伟*(*通讯作者...
德国伯托公司LB440料位计培训资料一、系统概述1.测量原理LB440料位计是利用γ射线通过物料时被物料吸收的原理来测量料位的。γ射线穿过物...
射线检测第射线检测第33章章射线照相质量的影响因素射线照相质量的影响因素射线检测Ⅲ级资格培训讲座射线检测Ⅲ级资格培训讲座/2006.05/200...
压力容器制造通用工艺规程QB/GC23—D/0-2012题目射线照相检测工艺规程版次/修订号:D/0第1页共10页1.适用范围及照相质量等级1.1。本工艺规...
德国伯托公司LB440料位计培训资料一、系统概述1.测量原理LB440料位计是利用γ射线通过物料时被物料吸收的原理来测量料位的。γ射线穿过物...

