青松沃德指纹身份识别系统解决方案一、系统引言青松沃德指纹一卡通旅游管理系统是“生物识别技术(BiometricIdentificationTechnology)”...
基于指纹识别的电子锁系统设计作者姓名:章宏权专业班级:测控技术和仪器2009060101指导教师:李晓丽摘要随着社会的发展和科技的进步,传统的...
第169页共18页编号:时间:2021年x月x日书山有路勤为径,学海无涯苦作舟页码:第169页共18页中药指纹图谱的研究现状与进展一、中药指纹图谱...
第1页共36页编号:时间:2021年x月x日书山有路勤为径,学海无涯苦作舟页码:第1页共36页中药色谱指纹图谱相似度评价系统的操作规范(版本200...
用户操作手册智能锁用户操作手册—V1.0版本说明V1.0初版V1.1系统设置和维护模式修改西尚智能有限公司用户操作手册第1页目录一、产品概述......
目录第一章指纹考勤机基本介绍……………………………………………..1一、技术指标…….…………………………………………………..2二、接...
第1页共13页编号:时间:2021年x月x日书山有路勤为径,学海无涯苦作舟页码:第1页共13页指纹锁新品牌全国上市的7大营销策略中国指纹锁产业...
目录1.系统简介...............................................................................................11.1系统特性............
目录1、使用须知..............................................11.1用BIOCLOCK激活软件..................................................
第1页共42页编号:时间:2021年x月x日书山有路勤为径,学海无涯苦作舟页码:第1页共42页指纹考勤机目录第一章指纹考勤机基本介绍……………...
第1页共102页2021年x月x日书山有路勤为径,学海无涯苦作舟页码:第1页共102说明欢迎使用《金牛考勤软件V2.0》,本说明书适用于55系列射频...
指纹机硬件说明书版本=V1.02011年3月23日1目录第一章机器硬件功能说明....................................................................
指纹考勤管理制度(2012——2013学年度)为了进一步强化考勤管理工作,规范和简化签到考勤程序,学校决定启用指纹签到考勤系统,并制定指纹...
REPORTING2023WORKSUMMARY防指纹喷涂镀膜机设备与工艺方案建议通用课件CATALOGUEPART01引言目的和背景提高产品表面抗指纹效果优化产品外观...
毕业设计(论文)题目名称:基于Cortex-M3的指纹考勤系统上位机管理软件的设计院系名称:电子信息学院班级:学号:学生姓名:指导教师:201...
******公司指纹考勤门禁管理系统方案建议书第1页共17页编号:时间:2021年x月x日书山有路勤为径,学海无涯苦作舟页码:第1页共17页二0一0年...
目录1、使用须知..............................................11.1用BIOCLOCK激活软件..................................................
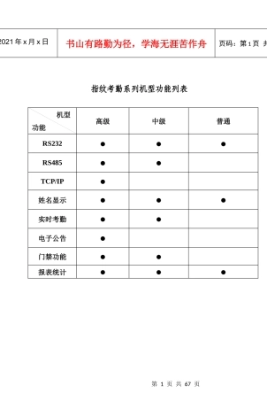
第1页共67页编号:时间:2021年x月x日书山有路勤为径,学海无涯苦作舟页码:第1页共指纹考勤系列机型功能列表机型功能高级中级普通RS232●...
第1页共34页2021年x月x日书山有路勤为径,学海无涯苦作舟页码:第1页共34首次使用说明一、下载考勤报表涉及到上传或下载的工作,都需将U盘...
第1页共43页编号:时间:2021年x月x日书山有路勤为径,学海无涯苦作舟页码:第1页共43页目录第一章考勤机基本操作介绍.......................

