第1页共11页编号:时间:2021年x月x日书山有路勤为径,学海无涯苦作舟页码:第1页共11页市政小构件质量通病预防措施一.缺角、损边1.现象...
钢构件常用表面处理措施1.1常见钢构件表面处理方法常用钢构件表面处理技术有以下几种处理方法:①表面本色白化处理;②表面镜面光亮处理;...
预制构件检验批质量验收记录表GB50204-2002(Ⅰ)020106单位(子单位)工程名称分部(子分部)工程名称验收部位施工单位项目经理施工执行标...
一、平整场地:建筑物场地厚度在±30cm以内的挖、填、运、找平。1、平整场地计算规则(1)清单规则:按设计图示尺寸以建筑物首层面积计算。...
预制构件检验批质量验收记录(GB50204-2002)表9.2编号:020106□□□(2)工程名称分项工程名称项目经理施工单位验收部位施工执行标准名称...
建筑构件隔声性能计算书
广东省(2009年—2012年)建设现代化产业体系技术改造滚动计划资金申请报告项目名称:扩大500KV输电铁塔构件规模技术改造申报单位:五华县环...
矩形截面筋混凝土扭构承算公式及适用条•矩形截面钢筋混凝土纯扭构件的基本概念•矩形截面钢筋混凝土纯扭构件的承载力计算公式•矩形截面钢...
预制构件模板工程检验批质量验收记录表GB50204-2002(Ⅱ)020101单位(子单位)工程名称分部(子分部)工程名称验收部位施工单位项目经理施...
第1页共6页编号:时间:2021年x月x日书山有路勤为径,学海无涯苦作舟页码:第1页共6页标题:描述举例说明机械、机构构件、机器、零件、部件...
手机结构件外观检查及测试规范目次前言...............................................................................IV1范围...........
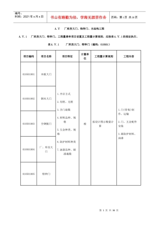
第1页共30页编号:时间:2021年x月x日书山有路勤为径,学海无涯苦作舟页码:第1页共30页A.Ⅴ厂库房大门、特种门、木结构工程A.Ⅴ.1厂库房大...
第1页共46页编号:时间:2021年x月x日书山有路勤为径,学海无涯苦作舟页码:第1页共46页钢结构厂房构件吊装安全施工方案某8000余平米大型钢...
第1页共53页编号:时间:2021年x月x日书山有路勤为径,学海无涯苦作舟页码:第1页共53页第一章塑料制品的结构设计塑料制品的结构设计又称塑...
预制构件吊装施工工艺1.1适用范围预制构件吊装施工适用于火力发电等大型厂房及构筑物施工,可加快施工进度、减少高空施工作业量,大大降低...
第1页共30页编号:时间:2021年x月x日书山有路勤为径,学海无涯苦作舟页码:第1页共30页建筑工程材料及构件取样抽查方法指导手册目录第一章...
第1页共53页编号:时间:2021年x月x日书山有路勤为径,学海无涯苦作舟页码:第1页共53页第一章塑料制品的结构设计塑料制品的结构设计又称塑...
第1页共29页编号:时间:2021年x月x日书山有路勤为径,学海无涯苦作舟页码:第1页共29页建筑工程材料及构件取样抽查方法指导手册目录第一章...
第1页共28页编号:时间:2021年x月x日书山有路勤为径,学海无涯苦作舟页码:第1页共28页更多企业学院:《中小企业管理全能版》183套讲座+...
..构件名称构造厚度或截面最小尺寸〔cm〕12普通粘土砖、混凝土、钢筋混凝土实体墙承重墙1824371012轻质混凝土砌块墙2437普通粘土砖墙〔包括...

