第1页共22页编号:时间:2021年x月x日书山有路勤为径,学海无涯苦作舟页码:第1页共22页关于江宁区教育局教育管理信息化系统项目的公开招标...
南京市江宁区教育局文件江宁教人〔2010〕22号关于评选江宁区新一届“带头人”和“教学骨干”的通知各学校:为落实江宁教育“十二五”期间建...
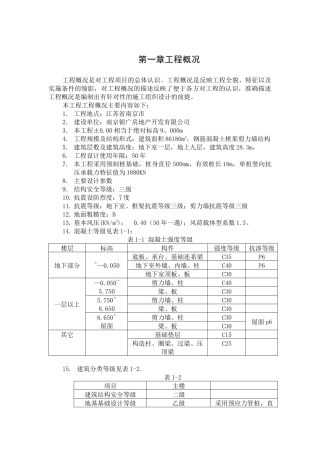
第一章工程概况工程概况是对工程项目的总体认识。工程概况是反映工程全貌、特征以及实施条件的缩影,对工程概况的描述反映了便于各方对工程...
坚持走创新驱动、内生增长、绿色发展之路努力建设一流的国际化现代化新城区——杨卫泽同志在建邺、雨花台、江宁区调研时的讲话(2011年7月8...
附件1:江宁区工业生产企业提前复工申请表企业名称组织机构代码所属行业申请复工时间复工返岗人数(不得提前召回江宁区以外人员)复工生产...

