精品文档---下载后可任意编辑单流式机械过滤器的管道简单,运行平稳。过滤流速一般为 4-50m/h,运行周期一般为 8 小时。双流式机械过滤...
课程设计说明书设计题目:二级圆锥-圆柱齿轮减速器班级:设计者: 学号: 指导老师:机械设计课程设计计算说明书一、传动方案拟定 3二、...
精品文档---下载后可任意编辑[解]受力图如下图:11-1 试分析图 11-26 所示蜗杆传动中各轴的回转方向、蜗轮轮齿的螺旋方向及蜗杆、蜗轮所...
燕山大学机 械 设 计 课 程 设 计 报 告目 录第一部分 1、摘要................................................................
精品文档---下载后可任意编辑食品搅拌机结构设计学生姓名:指 导 老 师 : 副教授合作指导老师:XXX专 业 名 称:机械设计制造及其...
精品文档---下载后可任意编辑课 程 设 计 说 明 书学生姓名:学 号:学 院:专 业:题 目:刮板运输机的传动系统设计指导老师:...
精品文档---下载后可任意编辑1.1.1 《 阜 石 路 天 然 气 工 程 ( 9 标 过 金 鼎 小 区及 杨 庄 东 路 ) 工 程...
精品文档---下载后可任意编辑设计题目: 螺旋输送机传动装置 学生姓名:孙敬通学 号: 09024180126 专业年级: 材控 09-1 指导老师...
设计说明书课题名称系 别专 业班 级姓 名学 号指导老师完成日期目 录一 设计任务书……………………………………………………… 3...
精品文档---下载后可任意编辑课程设计说明书题目 单级圆柱齿轮减速器学院 :设计学院专业 :工业设计学号 :202430031109学生 :罗贤...
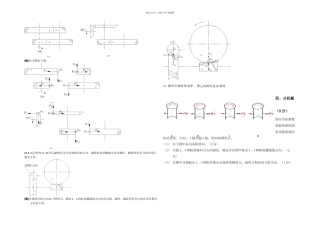
精品文档---下载后可任意编辑一 选择题(1) 图 6-1 所示零件 1 和 2 采纳了 B 联接。 A. 平键 B. 楔键 C. 切向键图 6-1 (...
精品文档---下载后可任意编辑1.1 课程设计说明 1 1.2 课程设计任务书 2 1.2.1 运动简图 2 1.2.2 原始数据 1 1.2.3 已知条件 ...
课程设计说明书设计题目:二级减速器班级:机械 101-28设计者:白宏超学号:2024032128指导老师:尉晓娟 王迎晖机械设计课程设计计算说明...
课程设计说明书设计题目:二级圆锥-圆柱齿轮减速器班级:材控 07-2 班设计者: 学号: 指导老师:杨现卿机械设计课程设计计算说明书一...
课程设计说明书设计题目:二级圆锥-圆柱齿轮减速器班级:设计者: 学号: 指导老师:机械设计课程设计计算说明书一、传动方案拟定 3二、...
精品文档---下载后可任意编辑课程设计课程题目:二级圆柱齿轮减速器设计目录前言..........................................................
精品文档---下载后可任意编辑(1)轴的右端面应缩进带轮右端面 1~2mm 且应有轴端挡圈固定带轮;(2)带轮与轴间应有键联接;(3)带轮左...
精品文档---下载后可任意编辑(1)轴的右端面应缩进带轮右端面 1~2mm 且应有轴端挡圈固定带轮;(2)带轮与轴间应有键联接;(3)带轮左...
精品文档---下载后可任意编辑一、填空题1、在完整的机构中由三类构件组成,分别为、和机架。2、机械装置中是运动的单元体,是制造的单元体...
精品文档---下载后可任意编辑课 程 设 计 说 明 书学生姓名:学 号:学 院:专 业:题 目:用于框式搅拌机传动系统的二级斜齿圆...

