燕山大学 - 1 - 桥梁工程课设——简支梁桥设计 1. 基本设计资料 1) 跨度和桥面宽度 (一) 标准跨径:35m(墩中心距)。 (二) 计...
1.支架浇筑 涉及下列几个工序: (1)浇筑前的检查。涉及:1.支架和模板的检查;2.钢筋和钢索位置的检查;3.浇筑混凝土前的准备工作...
武汉理工大学《╳ ╳ ╳ ╳ ╳ ╳》课程设计说明书 18m 空心板简支梁桥设计计算 (注意里面的计算参数有误,注意检查,仅参考思路...
兰州理工大学技术工程学院课程设计 兰州理工大学技术工程学院 课 程 设 计 1 3 M 装配式钢筋混凝土 简支T 型梁桥 专 业: 道...
兰州理工大学技术工程学院课程设计 兰州理工大学技术工程学院 课 程 设 计 1 3 M 装配式钢筋混凝 土 简 支T 型 梁 桥 专 ...
1 第一章 设计原始资料 1 .1 、工程概况 1 .1 .1 工程概况: 南方某平原区河流,桥位河段的水面比降0.7‰,m=35, 经实地调查波...
桥梁工程课程设计计算书题目:跨径 20m钢筋混凝土简支梁桥设计院(系):土木建筑工程学院专业班级:学号:学生姓名:指导教师:目录一....
第六章连续梁桥及刚构桥3
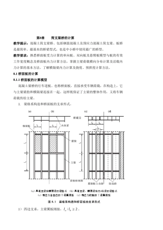
第八章简支梁桥的计算
电动单梁(悬挂)起重机检修保养记录表使用单位设备名称电动单梁悬挂起重机规格型号安装地生产厂家注册代码产品编序号检查项目名称检查保养...
1 第四章预应力混凝土简支T 形梁桥第一节.设计资料与结构尺寸(一)设计资料1.桥梁跨径及桥宽标准跨径: 40m 计算跨径: 38.88m 主...
中国矿业大学2008 届本科生毕业设计第 1 页预应力混凝土简支T 形梁桥(夹片锚具)一 设计资料及构造布置1.桥梁跨径及桥宽标准跨径:...
罗山路二塘浜桥铰缝加固施工方案1目录一、工程概况 .............................................................1二、拟定维修方案 2...
2.12.1 混凝土梁桥架设工程通用安全技术交底1. 构件吊装时,被吊构件上严禁有人和置物。2. 预制梁安装时,墩、台、支座垫石等部位的混凝...
设计总说明书1.1 技术资料 1.1.1 桥面净空 净 9+2×1.5(人行道) 1.1.2 设计荷载 公路Ⅱ级,人群荷载 3.0KN/m21.1.3 计算要求 ...
连续梁桥拆除方案选择(CHTS) 课件CATALOGUE目录• 连续梁桥拆除方案概述• 连续梁桥拆除方案的技术要求• 连续梁桥拆除方案的实施步骤...
大学毕业设计说明书- 1 - 设计题目12.5/3.2T 双梁桥式起重机设计计算主要设计参数 :小车主钩副钩起重量50t 10t 起升高度12m 16m ...
仅供参考 [整理 ] 第 1 页 共 5 页安全管理文书双梁桥式起重机修理技术协议日期: __________________单位: __________________...
双梁桥式起重机大修施工方案桥式起重机大修施工方案批准:审核:编制:桥式起重机大修施工方案1. 工程概况本工程为公司 1 台双梁桥式起...
XX 桥施工组织设计 1、工程概况XX 桥大桥为 XX 工程项目上一座桥梁,该桥位于 XX,设计中心桩号为 KXX,桥宽 18.5m 跨径为 6*20m...

