学习心得体会:“三严三实”打造思想岩石中共中央办公厅印发的《关于在县处级以上领导干部中开展三严三实专题教育方案》,是一次干部思想的...
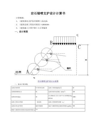
岩石锚喷支护设计计算书计算根据:1、《建筑基坑支护技术规程》JGJ120-2、《建筑边坡工程技术规范》GB50330-3、《建筑施工计算手册》江正荣...
REPORTING2023WORKSUMMARY储层岩石的压缩性课件•储层岩石压缩性概述•储层岩石的孔隙结构•储层岩石的压缩实验•储层岩石的压缩性分析•储...
认识常见岩石认识常见岩石板书:图片欣赏图片欣赏图片欣赏张家界自然风光图片欣赏武夷山自然风光认识常见岩石认识常见岩石名称名称岩浆岩岩...
土壤分类表(普氏)一、人工土石方1、土壤分类:详见“土壤、岩石分类表”。表列Ⅰ、Ⅱ类为定额中一、二类土壤(普通土);Ⅲ类为定额中三...
岩石力学应力课件2023-2026ONEKEEPVIEWREPORTING目录CATALOGUE•岩石力学基础•岩石力学中的应力分析•岩石的力学性质•岩石中的应力测量•...
第一节第一节概述概述一、天然应力的概念1.天然应力:人类工程活动之前,天然状态下,岩体内部存在的应力,称为岩体天然应力或岩体初始应力...
商州城关小学周虎4岩石也变化板块:教学课件第3单元地表变化的奥秘梵净山的蘑菇岩我来猜:岩石变化的因素有哪些?海边礁石沙漠中的蘑菇岩山...
*岩石上的小蝌蚪教学要求1.认读“蝌、蚪、秃”等6个生字,理解课文中的词语。2.正确、流利、有感情地朗读课文。理解课文内容。3.让学生明白...
黄桷湾小学易文义4岩石也变化第3单元地表变化的奥秘板块:教学课件梵净山头重脚轻、千张万页叠层板状的蘑菇岩光滑圆润的礁石提出问题,猜想...
第二单元从地球圈层看地理环境第一节岩石圈与地表形态第一课时各种各样的地貌形态是如何形成的呢?教学重点教学重点1、岩石圈的范围及其与...
认识常见岩石苏教版小学科学五下教材建筑材料实用器物工艺品注意事项:1.小组内每人选择一种方法进行研究,将结果记录下来。2.小组内交流岩...
地理周检测出题人:黄杰审题人:阳政时间:2014/11/8时量:20分钟姓名:班级:小组:计分:选择题答案1、地壳是()①地球表面由岩石组成的圈...
湘教版六年级上册《岩石也变化》教学设计---------刘石泉【教学目标】科学知识:1.知道坚硬的岩石在温度变化、水等长期作用下会发生变化;2...
岩体力学第九章:岩体力学在岩基工程中的应用RockFoundationEngineering基础形式基础沉降(变形)岩基承载力岩基的抗滑稳定性岩基的加固岩...
第七课岩石书板块:每课一练第一课春天的小雨滴滴滴学练指要没听说过“岩石书”吧?学习了这篇课文,我们不仅能了解岩石的一些知识,还能激...
岩石会改变模样吗红塔区瓦窑中心小学梁莉教育科学出版社义务教育课程标准实验教科书五年级科学上册活动一探究冷热作用对岩石变化是否有影响...
1、花岗岩主要由(石英、长石和云母)三种矿物组成。2、云母:(黑色,有丝绸光泽);长石:(肉红色,有玻璃光泽);石英:(白色,亮晶晶...
思考使我们不断进步!行动让我们获得成功!复习回顾:1、我国地形主要有、、、、。其中分布最广面积最大的是。2、我国的地形高低,西部多,...
说课标说教材《认识几种常见的岩石》五年级教学设计白云二小肖佳一、教学目标:过程与方法:1、会用感官和工具认识常见岩石,并能耐在观察...

