一、单选题 1. 有关糖的无氧酵解过程可以认为(A ) A. 终产物是乳酸 B. 催化反应的酶系存在于胞液和线粒体中 C. 通过氧化磷酸化生...
劳动与社会保障法形考任务二答案 一、多项选择题(每题两分,共 4 0 分) 题目 1.劳动保障监察员在实施劳动保障监察时,如果有下列情...
劳动与社会保障法形考任务三答案 一、多项选择题(每题两分,共 4 0 分) 题目 1.我国农村社会救助法律制度主要包括(ABCD)。 A. ...
刑法学_0004 一、填空题(共 15 道试题,共 30 分。) 1. 以暴力 、胁迫或者其他方法强制猥亵妇女或者侮辱妇女的,构成强制猥亵、...
一、单项选择题(共 10 道试题,共 30 分。) 1. 图示刚架在节点集中力偶作用下,弯矩图分布是( ) A. 各杆都不产生弯矩 B. 各...
刑法学_0002 一、填空题(共 15 道试题,共 30 分。) 1. 破坏交通工具罪的对象是正在使用中的火车、汽车、电车、船舶、航空器 等...
刑法学_0003 一、填空题(共 15 道试题,共 30 分。) 1. 保险诈骗罪,是指投保人、被保险人、受益人 ,以非法获取保险金为目的,...
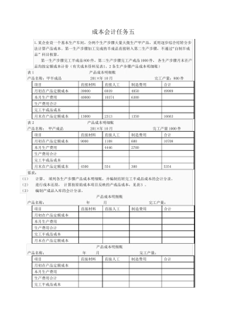
成本会计任务五 1.某企业设一个基本生产车间,分两个生产步骤大量大批生产甲产品,采用逐步综合结转分步法计算产品成本。第一生产步骤加工...
1 形考任务三 学习完第四章合同法律制度后,你可以完成本次任务了。本次任务满分为100分,单项选择题(10 道)、多项选择题(5 道)、...
电大专科电算化会计形成性考核操作指导 01任务系统管理 操作指导: 启动【系统管理】应用程序,点击“系统”菜单—“注册”命令,在出现...
03 任务_0002 一、单项选择题(共 20 道试题,共 40 分。) 1. 我国法律规定,涉外合同的当事人没有选择合同应适用的法律时,合同...
2012 年春网上审计学形考答案 审计学01 任务 1. ABC会计师事务所接受委托,对甲公司20×8 年度财务报表进行审计,并委派 A注册会计...
更多电大作业答案和电大考试小抄可以百度一下“电大天堂” 1 下面答案只供参考,大家可以用 CTRL+F 进行查找对照 电大【证据学】第一...
人 力 资 源 管 理 形 考 任 务 一 答 案 一 . 选 择 题 1: 认 为 人 力 资 源 是 具 有 劳 动 能 力 ...
税收理论与实务-0002 试卷总分:100 测试时间:-- 单选题 |多选题 |判断题 |问答题 1. 税收权利主体是( )。 • 税务机关 • 纳...
01 任务 001_0003 试卷总分:100 测试时间:0 单项选择题 一、单项选择题(共 50 道试题,共 100 分。) 1. 关于肩关节下列哪...
1 治保会具体任务 根据治保会暂行组织条例规定,结合辖区治安状况,治保会的任务有以下十三项: , 一、宣传和教育群众,培养加强法制...
“看电影学管理”解析管理中的九个关键时刻》——如何将极具挑战性的目标任务分配给下属【思考】如果你是市场部部门经理,今天总经理找到你...
2025 年经济工作重点任务解读中央经济工作会议 12 月 11 日至 12 日在北京举行。会议分析当前经济形势,为 2025 年经济工作定调,...
开放大学《电算化会计》形考任务 6-9 操作环节分解目录 :形考 6 总账期末处理;形考 7 财务报表系统;形考 8 工资业务处理;形考...

