加油机安全技术规程1.加油机的电机必须为防爆型,其电源线经由钢管布线通入电器盒,保护管连接处应密封,电机外壳应接地可靠。2.当维修检...
浅谈燃油加油机的计量检定与作弊手段查证浅谈加油机计量检定方面的相关问题浅谈燃油加油机检定相关问题讨论浅析燃油加油机计量检定过程中应...
产品质量监督抽查实施法律规范CCGF 517.4—2024税控燃油加油机2024—02—10 发布 2024—03—01 实施国家质量监督检验检疫总局税控燃油...
1 目录 1 . 税控加油机初始化过程出现的问题与解决 ................................................................................
加油机一般故障分析 1 故障概况及经过 1.1、加油机开机正常,但油枪不出油。 1.1.1、电动机反转或传送三角带松脱、断裂。应调整电源相...
税控燃油加油机制造许可证考核规范JJF 1061-1999 The Examination Specification of Manufacturing Competence for Fuel Dispens...
精品文档---下载后可任意编辑加油站加油机火灾综合应急预案演练方案 银行是依法设立的经营货币信贷业务的金融机构。它是商品货币经济进展...
精品文档---下载后可任意编辑申请书阳春市质量技术监督检测所:我站加油机检定周期于 20 年 月 日到期,特此申请对我站加油机进行检定...
卡机联接加油机标准配置机型安装调试规程V 1.0 1 托 肯 恒 山 卡 机 联 接 加 油 机 标准配置机型现场安装调试规程 文 件...
税控燃油加油机制造许可证考核规范JJF 1061-1999 The Examination Specification of Manufacturing Competence for Fuel Dispens...
精品文档---下载后可任意编辑说明:1.件①、件②、件③用于油气回收,加油机无油气回收功能时无则无此件。2.为避开管路内油液出现安严重气...
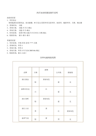
鸿洋加油机键盘操作说明 流线型设置 1、单价设定 将钥匙指向设置状态,按功能键,IV 区显示设置单价及原单价,按清零,输新单价,关锁...
下载后可任意编辑2024 年卡机联动加油机使用总结加油机开关卡机联动加油机使用总结加油站使用卡机联动加油机已有近___个月的时间了。给加...
JJG4432006燃油加油机检定规程
下载后可任意编辑2024 年卡机联动加油机使用总结加油站使用卡机联动加油机已有近___个月的时间了。给加油站带来了很的的方便,也给加油站...
最新各种加油机面板操作说明 加油机品牌众多,随时更新 正星加油机 保定创维石油设备有限公司统计的正星加油机常用操作以便各位客户参考...
下载后可任意编辑国际前庭标准讨论前庭控制器协议标准加油机应用V2.31 2024-7目 录1 定义与缩写.........................................
计量标准技术报告 计量标准名称 加油机容量检定装置 计量标准负责人 建标单位名称(公章) 填写日期 2011 年 10 月 目 录 一、...
加油机的计量作弊与检查 郑 州 市 质 量 技 术 监 督 局 张 国 华 本 文 分 析 了 加 油 机 作 弊 的 10 种 手...
加油机的基本结构及常见故障 一、加油机的基本结构: 1. 主要机械部分:叶片泵(组合泵)、油气分离器、流量计、油枪。 2. 主要电子部...

