电脑桌面
添加小米粒文库到电脑桌面
安装后可以在桌面快捷访问

各种加油机键盘操作说明

各种加油机键盘操作说明_第1页
1/10
各种加油机键盘操作说明_第2页
2/10
各种加油机键盘操作说明_第3页
3/10
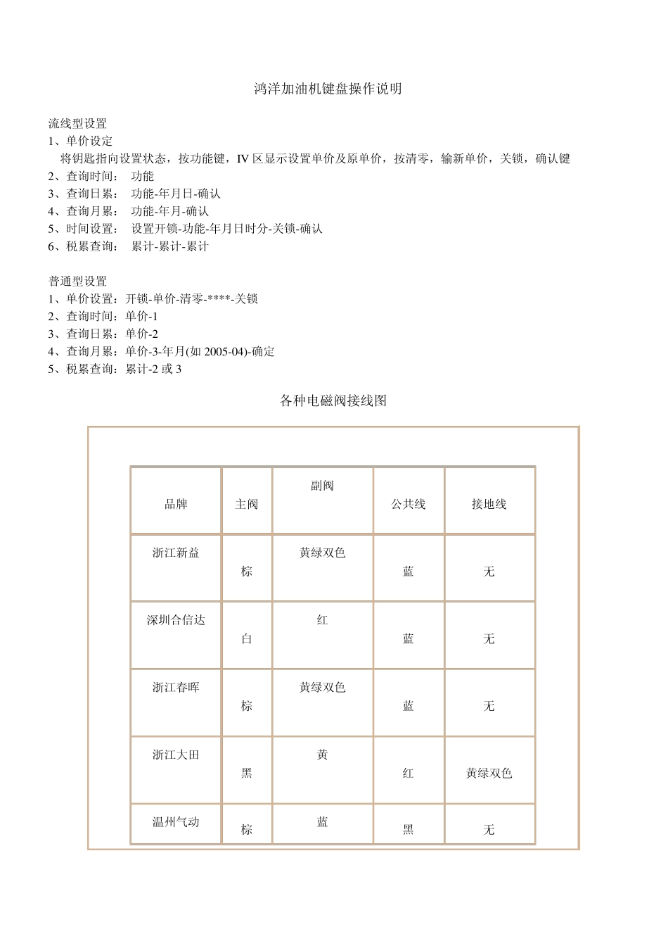
鸿洋加油机键盘操作说明 流线型设置 1、单价设定 将钥匙指向设置状态,按功能键,IV 区显示设置单价及原单价,按清零,输新单价,关锁,确认键 2、查询时间: 功能 3、查询日累: 功能-年月日-确认 4、查询月累: 功能-年月-确认 5、时间设置: 设置开锁-功能-年月日时分-关锁-确认 6、税累查询: 累计-累计-累计 普通型设置 1、单价设置:开锁-单价-清零-****-关锁 2、查询时间:单价-1 3、查询日累:单价-2 4、查询月累:单价-3-年月(如 2005-04)-确定 5、税累查询:累计-2 或 3 各种电磁阀接线图 品牌 主阀 副阀 公共线 接地线 浙江新益 棕 黄绿双色 蓝 无 深圳合信达 白 红 蓝 无 浙江春晖 棕 黄绿双色 蓝 无 浙江大田 黑 黄 红 黄绿双色 温州气动 棕 蓝 黑 无 英国ASCO 黑 棕 蓝 黄绿双色 美国PARKER 棕 黄绿双色 蓝 无 美国PARKER 蓝 黑 棕 无 瑞士 蓝 力牌加油机基本操作 1 查询税控总累计: 查询/机号 → 累计 2 查询当次加油明细: 查询/机号 → 确认 3查询给定月份累计: 查询/机号→累计→ 年、月 → 月/单价 4查询机号: 查询/机号 → 查询/机号 5查询出厂调试用油累计: 查询/机号 → 1 →累计 6查询检定用油累计: 查询/机号 → 2 → 累计 7查询当前时间: 查询/机号 → 日/切换 8数据重显: 查询/机号 → 设置(灯光) 9 修改单价: 月/单价 → 价格 → 右旋开锁 → 左旋复位 10设置机号: 设置 → 机号 → 查询/机号 11 出厂检测用油确认: 设置 → 1 → 累计 12 计量检测用油确认: 设置 → 2 → 累计 13 当 班 累 计 清 零 : 设 置 → 0 → 确 认 14 设 置 流 量 系 数 /提 前 关 机 量 /密 度 等 : 15 设 置 → 1/2/3/4/5→ 设 置 → *.**→ 右 旋 开 锁 → 左 旋 复 位 16设 置 时 钟 : 设 置 → 年 月 → 月 /单 价 → 日 时 分 → 确 认 17 锁 机 : 设 置 → 月 /单 价 → 右 旋 开 锁 → 左 旋 复 位 18 解 除 锁 机 : 设 置 → 油 票 /退 卡 → 右 旋 开 锁 → 左 旋 复 位 19 背 景 灯 光 亮 /灭 : 灯 光 20 开 机 : 油 票 /退 卡 → 右 旋 开 锁 → 左 旋 复 位 21 累 计 : 日 /切 换 → 日 /切 换...

1、当您付费下载文档后,您只拥有了使用权限,并不意味着购买了版权,文档只能用于自身使用,不得用于其他商业用途(如 [转卖]进行直接盈利或[编辑后售卖]进行间接盈利)。
2、本站所有内容均由合作方或网友上传,本站不对文档的完整性、权威性及其观点立场正确性做任何保证或承诺!文档内容仅供研究参考,付费前请自行鉴别。
3、如文档内容存在违规,或者侵犯商业秘密、侵犯著作权等,请点击“违规举报”。

碎片内容

各种加油机键盘操作说明

您可能关注的文档

小辰2+ 关注
实名认证
内容提供者

出售各种资料和文档

确认删除?
VIP
微信客服
  • 扫码咨询
会员Q群
  • 会员专属群点击这里加入QQ群
客服邮箱
回到顶部