氯气危险性分析及安全对策摘要:通过对氯气生产、储存 (充装 )过程中存在的主要危险因素进行分析 ,提出了针对中毒、爆炸等重点危险因素进...
Q 张家港市中机石化设备制造有限公司企业标准 Q/320582ZSH1-2004 ZLX 型氯气泄漏吸收装置 2004-01-18 发布 2004-01-18 实施 张家...
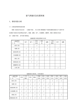
氯气泄漏应急处置预案1、事故风险分析1.1 主要危险物质和危险因素根据《危险化学品名录》 ( 2002 年版),本公司离子膜烧碱生产装置及...
1 例 1:如图所示,是一个制取氯气并以氯气为原料进行特定反应的装置,其中各试剂瓶装的试剂为:B(氢硫酸)、C(碘化钾淀粉溶液) 、D...
下载后可任意编辑自来水公司氯气泄漏事故应急预案范本致____人死亡的____4-16 氯气泄漏事故责任人受查处中新网____月____日电经____天原化...
《氯气》教学设计【设计思想】 化学是以实验为基础的一门学科。在实验探究教学中,把实验作为提出问题、探究问题的重要途径和手段,规定课...
第二章 海水中的重要元素—钠和氯 2.2.1 氯气的性质 教学设计 一、教学目标 1.了解氯及其重要化合物的主要性质 2.认识燃烧现象的...
2000 年至2006 年高考化学试题分类----- 卤素 (2000 全国24)实验室可用氯气与金属铁反应制备无水三氯化铁,该化合物是棕红色、易潮...
液 氯 及 氯 气 泄 露 事 故 处 置 方 案 1、 事 故 的特点 剧毒,吸入高浓度可玫死。 气体比空气重,可沿地面扩散,聚...
下载后可任意编辑自来水厂氯气泄漏事故应急预案与自治县百姓问政活动方案汇编自来水厂氯气泄漏事故应急预案1.1 编制目的为了在发生危险化...
富集在海水中的元素——氯第 1 课时 氯气的性质1.氯的原子结构及存在(1)氯的原子结构。氯的原子结构示意图为,氯原子容易得到一个电子...
镍 电 解 车 间 Ⅱ系统铜渣浸出扩能技术改造氯气管道 施 工 方 案 审 批 : 审 定: 审 核: 2 编 制 : 集 团 工...
第二节富集在海水中的元素——氯(2)导学案教学目标: 1、使学生掌握氯气与碱的反应和氯离子的检验 2、使学生认识卤素--------成盐元素...
下载后可任意编辑氯气泄漏安全事故应急预案与氯气泄漏应急救援预案汇编氯气泄漏安全事故应急预案一、总则第一条、氯气属剧毒危险化学品,一...
下载后可任意编辑氯气泄漏时的应对措施与氯的危险特性及泄漏应急措施汇编氯气泄漏时的应对措施一、泄氯故障点查找办法1、发生轻微漏氯时,...
下载后可任意编辑氯气泄漏时的应对措施与氰化钠的安全防护及应急措施汇编氯气泄漏时的应对措施一、泄氯故障点查找办法1、发生轻微漏氯时,...
下载后可任意编辑氯气泄漏时的应对措施与氯氢处理应急处置方案汇编氯气泄漏时的应对措施一、泄氯故障点查找办法1、发生轻微漏氯时,应用氨...
下载后可任意编辑气象局演讲稿与氯气泄漏事故演练应急预案汇编气象局演讲稿晴日里,你站在观测场绿色草坪上的身影如山涧潺潺的溪流浸润着我...
一、 氯元素的原子结构与自然界的存在氯元素位于周期表__周期__族,在自然界中的主要存在形态:___。全球海洋中含盐___左右,主...
氯气安全缓冲处理站工艺操作规程编制: 审核:批准:发布日期:目录1 目的..............................................................

