课题:§13、3实验:用双缝干涉测量光的波长(一)学习目标:1、了解“用双缝测量光的波长”的实验原理,知道影响干涉条纹宽度的因素2、经...
课题:§13、3实验:用双缝干涉测量光的波长(二)学习目标:1、了解“用双缝测量光的波长”的实验原理,知道影响干涉条纹宽度的因素2、经...
物理学案课题:§5、2实验:用双缝干涉测光的波长学习目标:1、了解“用双缝测量光的波长”的实验原理,知道影响干涉条纹宽度的因素2、经历...
高二物理实验用双缝干涉测光的波长【教学目标】1、了解实验目的及实验原理2、测定单色光的波长.【教学重点】测定单色光的波长【教学难点】...
第34卷�第3期312�2005年�5月卫�生�研�究JOURNALOFHYGIENERESEARCHVol.34�No.3May�2005�文章编号:1000-8020(2005)03-0312-04�论著...
用双棱镜干涉测钠光波长教学目的教学目的掌握用双棱镜获得双光束干涉的方法,加掌握用双棱镜获得双光束干涉的方法,加深理解分波前双光束...
用双棱镜干涉测定钠光波长实验教案主讲人:黄峰专业:08级科学教育学号:222008315031049指导老师:邓涛日期:2009年5月14日1用双棱镜干涉...
第二讲光的干涉、用双缝干涉测波长、衍射现象达标训练1.如图所示是光的双缝干涉的示意图,下列说法中正确的是(答案:D)①单缝S的作用是为了...
用双缝干涉测光的波长【例1】用双缝干涉测光的波长,实验中采用双缝干涉仪,它包括以下元件:A.白炽灯B.单缝屏C.光屏D.双缝屏E.遮光筒F.滤光片...
用双缝干涉测量光的波长课件目录•光的干涉现象简介•双缝干涉实验介绍•测量光的波长•实验结果分析•实验结论光的干涉现象简介光的干涉现...
用双缝干涉测光的波长课件CONTENCT录01双缝干涉实验介绍实验目的探究光的波动性通过观察双缝干涉现象,了解光的波动性质,包括波长、频率和...
注射用双氯芬酸钠盐酸利多卡因使用说明书请仔细阅读说明书并在医师指导下使用注射用双氯芬酸钠盐酸利多卡因使用说明书【药品名称】通用名称...
工业产权信息和文献手册标准号:ST.3页号:3.3.1标准ST.3用双字母代码表示国家、其他实体及政府间组织的推荐标准1998年5月28日PCIPI执行协...
用双指示剂法测定混合碱组成的方法原理是什么?所谓双指示剂法就是分别以酚酞和甲基橙为指示剂,在同一份溶液中用盐酸标准溶液作滴定剂进行...
5.2实验探究:用双缝干涉测量光的波长题组一实验原理、实验器材和实验现象1.在双缝干涉实验中()A.入射光波长越长,干涉条纹间距越大B.入...
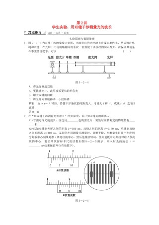
第2讲学生实验:用双缝干涉测量光的波长实验原理与数据处理1.图5-2-4为双缝干涉的实验示意图,光源发出的光经滤光片成为单色光,然后通...
3光的干涉4实验:用双缝干涉测量光的波长(时间:60分钟)知识点基础中档稍难光的干涉现象1、2、4、53、6用双缝干涉实验测光的波长78、9综合...
用双缝干涉测光的波长1.(多选)做“用双缝干涉测量光的波长”实验时,一同学在光屏上隐约看到亮光,根本无法看见明暗相间的条纹,其原因可...

